Качественные детали и логистика
Оригинальные и аналоговые запчасти с доставкой по России, Казахстану и Беларуси
©2022 PartSell ООО "Система" ИНН 2463123282 ОГРН 1212400004838
Центральный офис: г. Красноярск, Академика Киренского, д.87, пом.4
Телефон: 8 (800) 777-65-74 Email: zakaz@partsell.ru
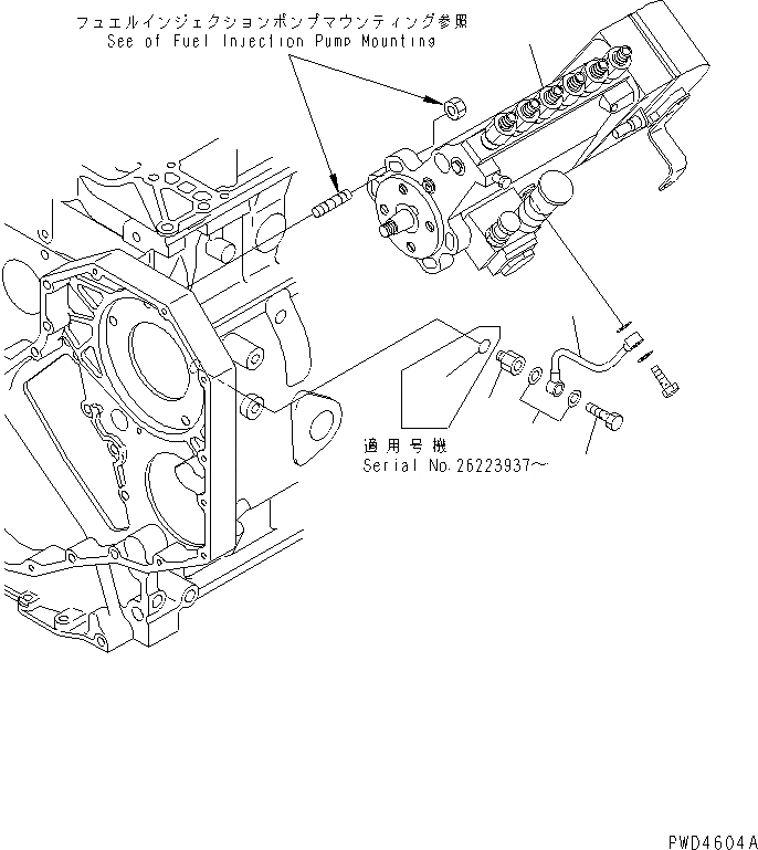
ТОПЛ. НАСОС И МАСЛОПРОВОДЯЩАЯ ЛИНИЯ
№
Артикул
Название
Примечание
Количество
1
6736-71-1300
INJECTION PUMP A.,(SEE FIG.A401P-02A6)
SN: 26216613-UP
1шт.
2
6732-71-5450
NIPPLE
SN: 26223937-UP
|2
0
SN: 26216613-26223936
3
6215-81-9710
O-RING
4
07206-30710
BOLT,JOINT
5
07005-01012
GASKET
2шт.
6
6735-71-5411
TUBE
Выбрано товаров: 0