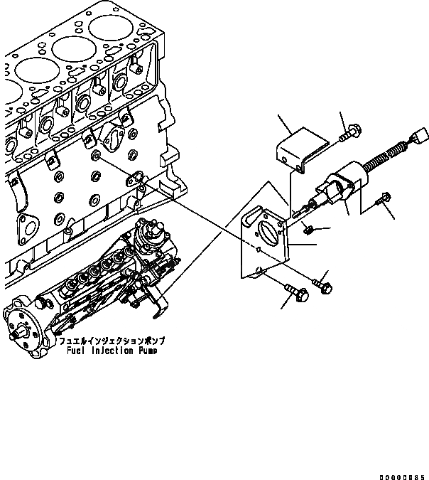
Запчасти Komatsu SA6D102E-2 СОЛЕНОИД

Схема запчастей Komatsu SA6D102E-2 - СОЛЕНОИД
3
7
6
8
2
1
5
4
FIT
1:1
100%

Артикул

Название

Примечание

Количество

1

6736-83-9510

BRACKET

SN: 30379212-UP

1шт.

2

6743-81-9141

SOLENOID ASSEMBLY

SN: 30379212-UP

1шт.

|2

6743-81-9140

SOLENOID ASSEMBLY

SN: 30763165-30769164

1шт.

3

6736-83-9520

COVER

SN: 30379212-UP

1шт.

4

6732-11-1720

BOLT

SN: 30379212-UP

1шт.

5

6732-71-3220

BOLT

SN: 30379212-UP

1шт.

6

6733-71-5680

BOLT

SN: 30379212-UP

2шт.

7

6732-21-3120

BOLT

SN: 30379212-UP

2шт.

8

6733-71-5540

NUT

SN: 30379212-UP

1шт.

Выбрано товаров: 9