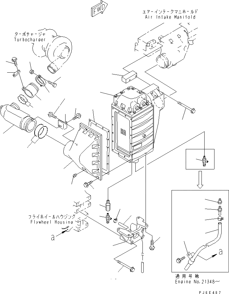
Запчасти Komatsu SA6D108-1B-T ПОСЛЕОХЛАДИТЕЛЬ КРЕПЛЕНИЕ(№-) ДВИГАТЕЛЬ

Схема запчастей Komatsu SA6D108-1B-T - ПОСЛЕОХЛАДИТЕЛЬ КРЕПЛЕНИЕ(№-) ДВИГАТЕЛЬ
1
2
3
4
5
5
6
7
8
9
10
11
12
13
14
15
16
17
18
19
20
21
22
23
24
25
26
27
28
29
30
30
FIT
1:1
100%

Артикул

Название

Примечание

Количество

1

6222-15-4103

AFTER COOLER A.,(SEE FIG.A1340-B2A2)

SN: 20605-UP

1шт.

|1

0

AFTER COOLER A.,(SEE FIG.A1340-B2A2)

SN: 16355-21604

1шт.

2

6222-15-4340

COVER

SN: 16355-UP

1шт.

3

6222-15-4350

GASKET (K1)

SN: 16355-UP

1шт.

4

01435-00830

BOLT

SN: 16355-UP

14шт.

5

6050-61-6630

VALVE,DRAIN

SN: 21348-UP

1шт.

|5

6050-61-6630

VALVE,DRAIN

SN: 16355-21347

2шт.

6

6222-65-6920

JOINT

SN: 16355-UP

1шт.

7

07286-00835

HOSE

SN: 16355-UP

1шт.

8

07285-00125

CLIP

SN: 16355-UP

1шт.

9

07042-00108

PLUG

SN: 16355-UP

1шт.

10

07326-20201

ADAPTER

SN: 21348-UP

1шт.

11

6151-11-6910

NIPPLE

SN: 21348-UP

1шт.

12

07286-01040

HOSE

SN: 21348-UP

1шт.

13

07285-00130

CLIP

SN: 21348-UP

1шт.

14

04434-51510

CLIP

SN: 21348-UP

1шт.

15

6222-65-6912

BRACKET

SN: 16355-UP

1шт.

16

01436-01205

BOLT

SN: 16355-UP

4шт.

17

01435-01030

BOLT

SN: 16355-UP

4шт.

18

01436-01005

BOLT

SN: 16355-UP

2шт.

19

6222-15-4290

SPACER

SN: 16355-UP

1шт.

20

02895-77075

O-RING (K1)

SN: 16355-UP

2шт.

21

6222-15-4361

CONNECTOR

SN: 16355-UP

1шт.

22

6222-15-4370

CONNECTOR

SN: 16355-UP

1шт.

23

6222-15-4390

COUPLING

SN: 16355-UP

1шт.

24

02895-77056

O-RING (K1)

SN: 16355-UP

2шт.

25

01010-80635

BOLT

SN: 16355-UP

1шт.

26

01598-10608

NUT

SN: 16355-UP

1шт.

27

6222-15-4970

BRACKET

SN: 16355-UP

1шт.

28

6222-15-4380

PLATE

SN: 16355-UP

1шт.

29

01435-01025

BOLT

SN: 16355-UP

2шт.

30

01435-00820

BOLT

SN: 16355-UP

2шт.

Выбрано товаров: 32