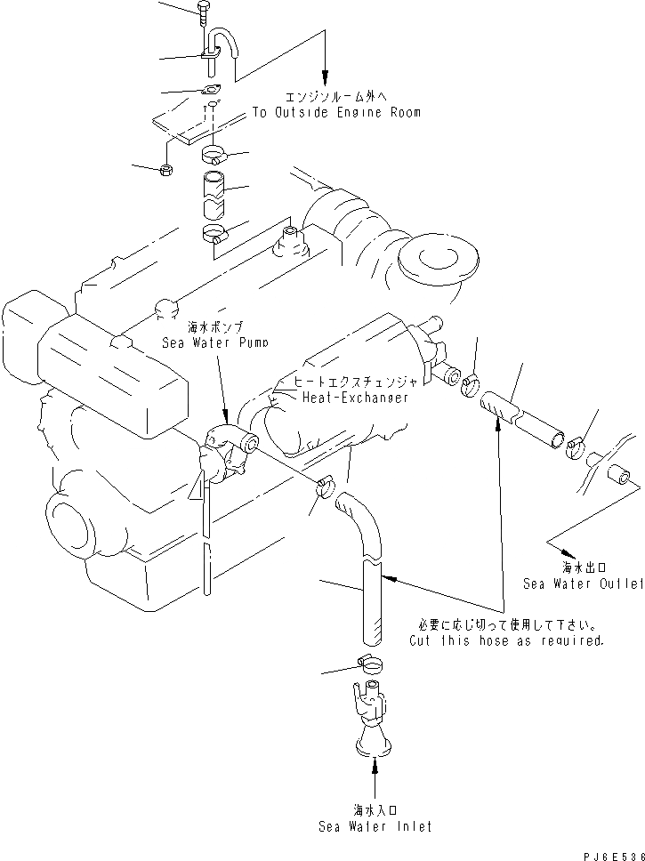
Запчасти Komatsu SA6D108-1B-T ШЛАНГИ FURNISHING (FORWARDED INDIVIUDALLY ЧАСТИ)(№7-) ДВИГАТЕЛЬ

Схема запчастей Komatsu SA6D108-1B-T - ШЛАНГИ FURNISHING (FORWARDED INDIVIUDALLY ЧАСТИ)(№7-) ДВИГАТЕЛЬ
1
1
2
2
2
2
3
4
4
5
6
7
8
FIT
1:1
100%

Артикул

Название

Примечание

Количество

1

7700-75-1580

HOSE,SEA WATER

SN: 21607-UP

1шт.

2

07281-10709

CLAMP

SN: 21607-UP

4шт.

3

7700-75-1310

HOSE,BREATHER

SN: 21607-UP

1шт.

4

07281-10489

CLAMP

SN: 21607-UP

2шт.

5

7700-75-1320

PIPE

SN: 21607-UP

1шт.

6

7700-75-1330

GASKET (K1)

SN: 21607-UP

1шт.

7

01020-01030

BOLT

SN: 21607-UP

2шт.

8

01581-01008

NUT

SN: 21607-UP

2шт.

Выбрано товаров: 8