Запчасти Komatsu SA6D108-1C-7S МАСЛООХЛАДИТЕЛЬ(№-) ДВИГАТЕЛЬ

Схема запчастей Komatsu SA6D108-1C-7S - МАСЛООХЛАДИТЕЛЬ(№-) ДВИГАТЕЛЬ
1
2
3
3
4
4
5
6
6
6
6
7
7
8
8
9
10
11
12
13
14
15
16
17
18
18
19
19
20
21
22
23
24
25
26
27
1
2
3
3
4
4
5
6
6
6
6
7
7
8
8
9
10
11
12
13
14
15
16
17
18
18
19
19
20
21
22
23
24
25
26
27
FIT
1:1
100%

Артикул

Название

Примечание

Количество

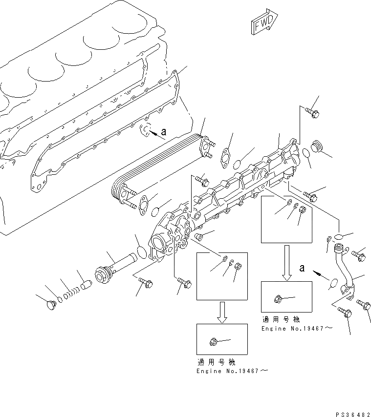
1

6221-63-2110

COVER ASS'Y

SN: 19467-20126

1шт.

|1

6222-65-2211

COVER ASS'Y

SN: 18818-19466

1шт.

|1

6222-65-2210

COVER

SN: 16016-18817

1шт.

2

600-651-1431

ELEMENT

SN: 19467-20126

1шт.

|2

0

ELEMENT

SN: 16016-19466

1шт.

3

6136-61-2190

O-RING (K2)

SN: 16016-20126

2шт.

4

6136-61-2281

GASKET (K2)

SN: 18818-20126

2шт.

|4

0

GASKET (K2)

SN: 16016-18817

2шт.

5

07000-02018

O-RING (K2)

SN: 16016-20126

1шт.

6

01584-30806

NUT

SN: 19467-20126

4шт.

|6

01580-10806

NUT

SN: 16016-19466

4шт.

7

01602-20825

WASHER,SPRING

SN: 16016-19466

4шт.

8

01641-20812

WASHER

SN: 16016-19466

4шт.

9

6150-61-2530

PLUG

SN: 18818-20126

1шт.

|9

6138-61-2180

PLUG

SN: 16016-18817

1шт.

10

6150-61-2550

O-RING

SN: 18818-20126

1шт.

|10

6136-61-2190

O-RING (K2)

SN: 16016-18817

1шт.

11

02720-40607

PLUG

SN: 16016-20126

2шт.

12

6136-61-2140

PLUG

SN: 16016-20126

1шт.

13

6136-61-2150

O-RING (K2)

SN: 16016-20126

1шт.

14

6221-63-2180

CASE

SN: 19467-20126

1шт.

|14

6221-63-2180

CASE

SN: 16016-19466

1шт.

15

6136-61-2160

SPRING

SN: 16016-20126

1шт.

16

6136-61-2170

VALVE,THERMO

SN: 16016-20126

1шт.

17

6136-61-2820

GASKET (K2)

SN: 16016-20126

1шт.

18

01435-20820

BOLT

SN: 16016-20126

4шт.

19

01435-20825

BOLT

SN: 16016-20126

3шт.

20

01435-20830

BOLT

SN: 16016-20126

16шт.

21

01435-20860

BOLT

SN: 16016-20126

1шт.

22

6221-53-6310

PIPE,OIL

SN: 19467-20126

1шт.

|22

6222-55-6311

TUBE,OIL

SN: 16016-19466

1шт.

23

07000-22021

O-RING (K2)

SN: 16016-20126

1шт.

24

07000-73028

O-RING (K2)

SN: 16016-20126

1шт.

25

01640-00816

WASHER

SN: 16016-20126

1шт.

26

01435-20825

BOLT

SN: 16016-20126

1шт.

27

01435-20835

BOLT

SN: 16016-20126

1шт.

1

6221-63-2110

COVER ASS'Y

SN: 19467-20126

1шт.

|1

6222-65-2211

COVER ASS'Y

SN: 18818-19466

1шт.

|1

6222-65-2210

COVER

SN: 16016-18817

1шт.

2

600-651-1431

ELEMENT

SN: 19467-20126

1шт.

|2

0

ELEMENT

SN: 16016-19466

1шт.

3

6136-61-2190

O-RING (K2)

SN: 16016-20126

2шт.

4

6136-61-2281

GASKET (K2)

SN: 18818-20126

2шт.

|4

0

GASKET (K2)

SN: 16016-18817

2шт.

5

07000-02018

O-RING (K2)

SN: 16016-20126

1шт.

6

01584-30806

NUT

SN: 19467-20126

4шт.

|6

01580-10806

NUT

SN: 16016-19466

4шт.

7

01602-20825

WASHER,SPRING

SN: 16016-19466

4шт.

8

01641-20812

WASHER

SN: 16016-19466

4шт.

9

6150-61-2530

PLUG

SN: 18818-20126

1шт.

|9

6138-61-2180

PLUG

SN: 16016-18817

1шт.

10

6150-61-2550

O-RING

SN: 18818-20126

1шт.

|10

6136-61-2190

O-RING (K2)

SN: 16016-18817

1шт.

11

02720-40607

PLUG

SN: 16016-20126

2шт.

12

6136-61-2140

PLUG

SN: 16016-20126

1шт.

13

6136-61-2150

O-RING (K2)

SN: 16016-20126

1шт.

14

6221-63-2180

CASE

SN: 19467-20126

1шт.

|14

6221-63-2180

CASE

SN: 16016-19466

1шт.

15

6136-61-2160

SPRING

SN: 16016-20126

1шт.

16

6136-61-2170

VALVE,THERMO

SN: 16016-20126

1шт.

17

6136-61-2820

GASKET (K2)

SN: 16016-20126

1шт.

18

01435-20820

BOLT

SN: 16016-20126

4шт.

19

01435-20825

BOLT

SN: 16016-20126

3шт.

20

01435-20830

BOLT

SN: 16016-20126

16шт.

21

01435-20860

BOLT

SN: 16016-20126

1шт.

22

6221-53-6310

PIPE,OIL

SN: 19467-20126

1шт.

|22

6222-55-6311

TUBE,OIL

SN: 16016-19466

1шт.

23

07000-22021

O-RING (K2)

SN: 16016-20126

1шт.

24

07000-73028

O-RING (K2)

SN: 16016-20126

1шт.

25

01640-00816

WASHER

SN: 16016-20126

1шт.

26

01435-20825

BOLT

SN: 16016-20126

1шт.

27

01435-20835

BOLT

SN: 16016-20126

1шт.

Выбрано товаров: 72