Запчасти Komatsu SA6D108-1G-7 АНТИКОРРОЗ. ЭЛЕМЕНТ(№-) ДВИГАТЕЛЬ

Схема запчастей Komatsu SA6D108-1G-7 - АНТИКОРРОЗ. ЭЛЕМЕНТ(№-) ДВИГАТЕЛЬ
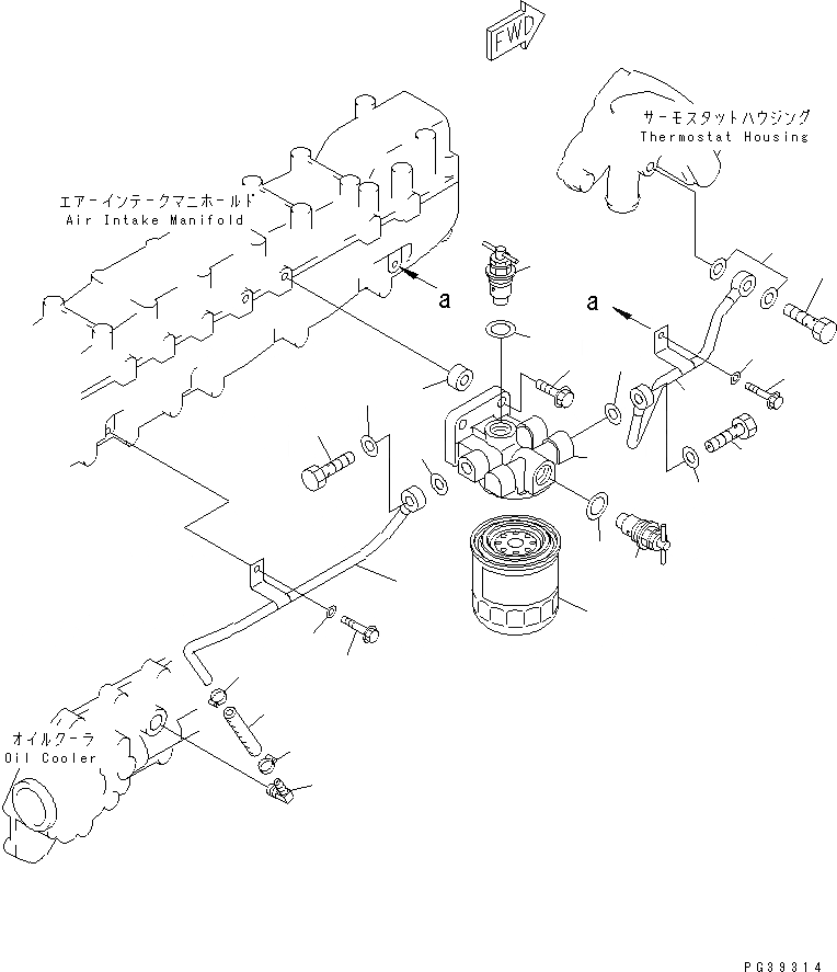
1
2
2
3
3
4
5
6
7
8
9
9
10
11
12
13
13
14
15
16
16
17
17
17
18
19
1
2
2
3
3
4
5
6
7
8
9
9
10
11
12
13
13
14
15
16
16
17
17
17
18
19
FIT
1:1
100%

Артикул

Название

Примечание

Количество

|$1

600-411-2301

RESISTOR ASS'Y,CORROSION

SN: 20505-UP

1шт.

|$2

0

RESISTOR ASS'Y,CORROSION

SN: 16016-20504

1шт.

1

600-411-2210

HEAD

SN: 16016-UP

1шт.

2

600-411-2120

VALVE ASS'Y

SN: 16016-UP

2шт.

3

600-411-2130

GASKET

SN: 16016-UP

2шт.

4

600-411-1191

CARTRIDGE

SN: 20505-UP

1шт.

4

0

CARTRIDGE

SN: 16016-20504

1шт.

5

01435-21050

BOLT

SN: 16016-UP

2шт.

6

6162-63-3910

SPACER

SN: 16016-UP

2шт.

7

6221-61-8710

TUBE

SN: 16016-UP

1шт.

8

07206-11014

BOLT,JOINT

SN: 16016-UP

1шт.

9

07005-01412

GASKET (K2)

SN: 16016-UP

2шт.

10

6222-11-4920

BOLT

SN: 16016-UP

1шт.

11

01641-20812

WASHER

SN: 16016-UP

1шт.

12

07260-20906

HOSE

SN: 16016-UP

1шт.

13

07281-00197

CLAMP

SN: 16016-UP

2шт.

14

6710-61-8620

ELBOW

SN: 16016-UP

1шт.

15

6221-61-8720

TUBE

SN: 16016-UP

1шт.

16

07206-11014

BOLT,JOINT

SN: 16016-UP

2шт.

17

07005-01412

GASKET (K2)

SN: 16016-UP

4шт.

18

6222-11-4920

BOLT

SN: 16016-UP

1шт.

19

01641-20812

WASHER

SN: 16016-UP

1шт.

|$1

600-411-2301

RESISTOR ASS'Y,CORROSION

SN: 20505-UP

1шт.

|$2

0

RESISTOR ASS'Y,CORROSION

SN: 16016-20504

1шт.

1

600-411-2210

HEAD

SN: 16016-UP

1шт.

2

600-411-2120

VALVE ASS'Y

SN: 16016-UP

2шт.

3

600-411-2130

GASKET

SN: 16016-UP

2шт.

4

600-411-1191

CARTRIDGE

SN: 20505-UP

1шт.

4

0

CARTRIDGE

SN: 16016-20504

1шт.

5

01435-21050

BOLT

SN: 16016-UP

2шт.

6

6162-63-3910

SPACER

SN: 16016-UP

2шт.

7

6221-61-8710

TUBE

SN: 16016-UP

1шт.

8

07206-11014

BOLT,JOINT

SN: 16016-UP

1шт.

9

07005-01412

GASKET (K2)

SN: 16016-UP

2шт.

10

6222-11-4920

BOLT

SN: 16016-UP

1шт.

11

01641-20812

WASHER

SN: 16016-UP

1шт.

12

07260-20906

HOSE

SN: 16016-UP

1шт.

13

07281-00197

CLAMP

SN: 16016-UP

2шт.

14

6710-61-8620

ELBOW

SN: 16016-UP

1шт.

15

6221-61-8720

TUBE

SN: 16016-UP

1шт.

16

07206-11014

BOLT,JOINT

SN: 16016-UP

2шт.

17

07005-01412

GASKET (K2)

SN: 16016-UP

4шт.

18

6222-11-4920

BOLT

SN: 16016-UP

1шт.

19

01641-20812

WASHER

SN: 16016-UP

1шт.

Выбрано товаров: 0