Запчасти Komatsu SA6D108-1J MARINE ПРИВОД КРЕПЛЕНИЕ (MARINE ПРИВОД M-T) ДВИГАТЕЛЬ

Схема запчастей Komatsu SA6D108-1J - MARINE ПРИВОД КРЕПЛЕНИЕ (MARINE ПРИВОД M-T) ДВИГАТЕЛЬ
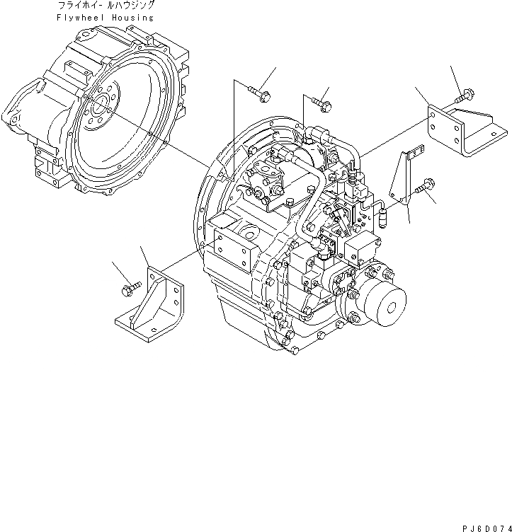
1
2
3
4
5
5
6
7
FIT
1:1
100%

Артикул

Название

Примечание

Количество

1

01435-01050

BOLT

SN: 10001-UP

8шт.

2

01435-01030

BOLT

SN: 10001-UP

12шт.

3

7700-15-8750

SUPPORT,R.H.

SN: 10001-UP

1шт.

4

7700-15-8760

SUPPORT,L.H.

SN: 10001-UP

1шт.

5

01435-01230

BOLT

SN: 10001-UP

6шт.

6

7700-15-1280

BRACKET

SN: 10001-UP

1шт.

7

01435-00814

BOLT

SN: 10001-UP

2шт.

Выбрано товаров: 7