Запчасти Komatsu SA6D110-1A ТОПЛ. НАСОС И ТРУБЫ(№-9) ТОПЛИВН. СИСТЕМА

Схема запчастей Komatsu SA6D110-1A - ТОПЛ. НАСОС И ТРУБЫ(№-9) ТОПЛИВН. СИСТЕМА
FIT
1:1
100%

Артикул

Название

Примечание

Количество

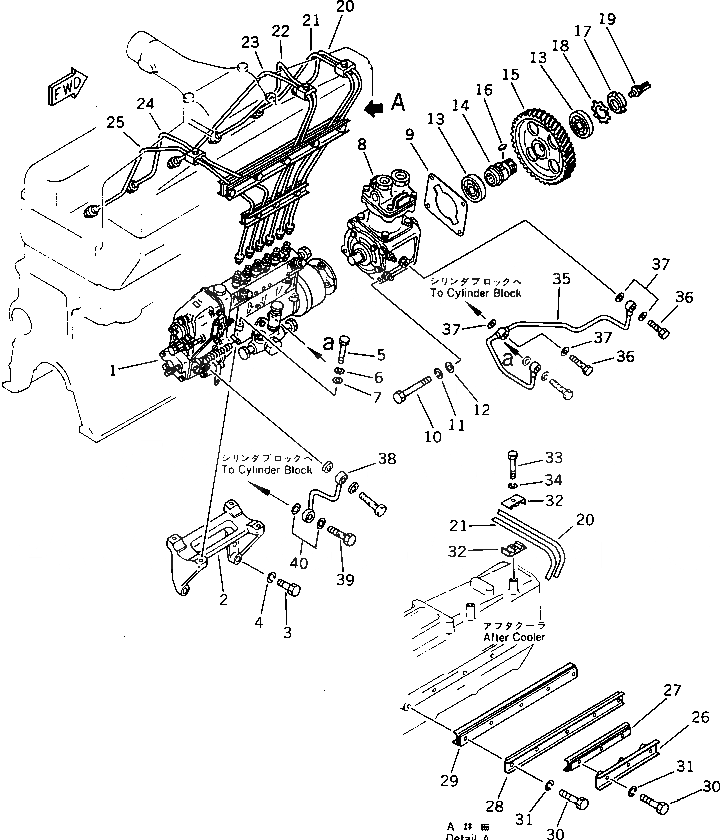
1

6138-71-1300

INJECTION PUMP ASS'Y,(SA6D110-1B) (SEE FIG.0451)

SN: 10384-@

1шт.

|1

0

INJECTION PUMP ASS'Y,(SA6D110-1A¤ 1B)(SEE FIG.0451)

SN: 10001-@

1шт.

2

6136-21-6110

BRACKET

SN: 10001-@

1шт.

3

01010-31035

BOLT

SN: 10001-@

4шт.

4

01602-01030

WASHER,SPRING

SN: 10001-@

4шт.

5

01010-30870

BOLT

SN: 10001-@

4шт.

6

01602-00825

WASHER,SPRING

SN: 10001-@

4шт.

7

6110-71-5810

WASHER

SN: 10001-@

4шт.

8

6138-81-3110

AIR COMPRESSOR ASS'Y,(SEE FIG.0711)

SN: 10001-@

1шт.

9

6131-81-3141

GASKET,(SA6D110-1A¤ 1B) (K2)

SN: 10267-@

1шт.

|9

6131-81-3141

GASKET,(SA6D110-1A)

SN: 10218-10266

1шт.

|9

0

GASKET,(SA6D110-1B) (K2)

SN: 10172-10196

1шт.

|9

6131-81-3140

GASKET,(SA6D110-1A¤ 1B) (K2)

SN: 10001-10217

1шт.

10

6136-81-3920

BOLT

SN: 10001-@

4шт.

11

01602-01030

WASHER,SPRING

SN: 10001-@

4шт.

12

01640-01016

WASHER

SN: 10001-@

4шт.

13

06000-06007

BEARING,BALL

SN: 10001-@

2шт.

14

6136-71-3110

SHAFT

SN: 10001-@

1шт.

15

6136-71-3120

GEAR,INJECTION

SN: 10001-@

1шт.

16

04000-00722

KEY

SN: 10001-@

1шт.

17

6136-71-3130

NUT,LOCK

SN: 10001-@

1шт.

18

6136-71-3141

WASHER,LOCK (SA6D110-1B) (K2)

SN: 10276-@

1шт.

|18

6136-71-3141

WASHER,LOCK (SA6D110-1A¤ 1B)

SN: 10001-@

1шт.

19

6136-81-3951

SHAFT,(SA6D110-1A)

SN: 10589-@

1шт.

|19

0

SHAFT,(SA6D110-1A)

SN: 10267-10588

1шт.

|19

6136-81-3950

SHAFT,(SA6D110-1B)

SN: 10362-@

1шт.

|19

6136-81-3910

SHAFT,(SA6D110-1A¤ 1B)

SN: 10001-10266

1шт.

20

6138-71-5110

PIPE,INJECTION¤ NO.1

SN: 10001-10594

1шт.

21

6138-71-5120

PIPE,INJECTION¤ NO.2

SN: 10001-10594

1шт.

22

6138-71-5130

PIPE,INJECTION¤ NO.3

SN: 10001-10594

1шт.

23

6138-71-5140

PIPE,INJECTION¤ NO.4

SN: 10001-10594

1шт.

24

6138-71-5150

PIPE,INJECTION¤ NO.5

SN: 10001-10594

1шт.

25

6138-71-5160

PIPE,INJECTION¤ NO.6

SN: 10001-10594

1шт.

26

6138-71-5721

CLAMP

SN: 10088-10594

1шт.

|26

6138-71-5720

CLAMP

SN: 10001-10087

1шт.

27

6138-71-5731

CLAMP

SN: 10088-10594

1шт.

|27

6138-71-5730

CLAMP

SN: 10001-10087

1шт.

28

6138-71-5741

CLAMP

SN: 10088-@

1шт.

|28

6138-71-5740

CLAMP

SN: 10001-10087

1шт.

29

6138-71-5751

CLAMP

SN: 10088-10594

1шт.

|29

6138-71-5750

CLAMP

SN: 10001-10087

1шт.

30

01010-50825

BOLT

SN: 10001-10594

8шт.

31

01602-00825

WASHER,SPRING

SN: 10001-10594

8шт.

32

6138-71-5710

CLIP

SN: 10001-@

6шт.

33

01010-30630

BOLT

SN: 10001-@

3шт.

34

01602-00619

WASHER,SPRING

SN: 10001-@

3шт.

35

6136-51-6710

PIPE,OIL

SN: 10001-@

1шт.

36

07206-10610

BOLT,JOINT

SN: 10001-@

2шт.

37

07005-01012

GASKET (K2)

SN: 10001-@

4шт.

38

6136-51-6720

PIPE

SN: 10001-@

1шт.

39

07206-10812

BOLT,JOINT

SN: 10001-@

1шт.

40

07005-01212

GASKET (K2)

SN: 10001-@

2шт.

1

6138-71-1300

INJECTION PUMP ASS'Y,(SA6D110-1B) (SEE FIG.0451)

SN: 10384-@

1шт.

|1

0

INJECTION PUMP ASS'Y,(SA6D110-1A¤ 1B)(SEE FIG.0451)

SN: 10001-@

1шт.

2

6136-21-6110

BRACKET

SN: 10001-@

1шт.

3

01010-31035

BOLT

SN: 10001-@

4шт.

4

01602-01030

WASHER,SPRING

SN: 10001-@

4шт.

5

01010-30870

BOLT

SN: 10001-@

4шт.

6

01602-00825

WASHER,SPRING

SN: 10001-@

4шт.

7

6110-71-5810

WASHER

SN: 10001-@

4шт.

8

6138-81-3110

AIR COMPRESSOR ASS'Y,(SEE FIG.0711)

SN: 10001-@

1шт.

9

6131-81-3141

GASKET,(SA6D110-1A¤ 1B) (K2)

SN: 10267-@

1шт.

|9

6131-81-3141

GASKET,(SA6D110-1A)

SN: 10218-10266

1шт.

|9

0

GASKET,(SA6D110-1B) (K2)

SN: 10172-10196

1шт.

|9

6131-81-3140

GASKET,(SA6D110-1A¤ 1B) (K2)

SN: 10001-10217

1шт.

10

6136-81-3920

BOLT

SN: 10001-@

4шт.

11

01602-01030

WASHER,SPRING

SN: 10001-@

4шт.

12

01640-01016

WASHER

SN: 10001-@

4шт.

13

06000-06007

BEARING,BALL

SN: 10001-@

2шт.

14

6136-71-3110

SHAFT

SN: 10001-@

1шт.

15

6136-71-3120

GEAR,INJECTION

SN: 10001-@

1шт.

16

04000-00722

KEY

SN: 10001-@

1шт.

17

6136-71-3130

NUT,LOCK

SN: 10001-@

1шт.

18

6136-71-3141

WASHER,LOCK (SA6D110-1B) (K2)

SN: 10276-@

1шт.

|18

6136-71-3141

WASHER,LOCK (SA6D110-1A¤ 1B)

SN: 10001-@

1шт.

19

6136-81-3951

SHAFT,(SA6D110-1A)

SN: 10589-@

1шт.

|19

0

SHAFT,(SA6D110-1A)

SN: 10267-10588

1шт.

|19

6136-81-3950

SHAFT,(SA6D110-1B)

SN: 10362-@

1шт.

|19

6136-81-3910

SHAFT,(SA6D110-1A¤ 1B)

SN: 10001-10266

1шт.

20

6138-71-5110

PIPE,INJECTION¤ NO.1

SN: 10001-10594

1шт.

21

6138-71-5120

PIPE,INJECTION¤ NO.2

SN: 10001-10594

1шт.

22

6138-71-5130

PIPE,INJECTION¤ NO.3

SN: 10001-10594

1шт.

23

6138-71-5140

PIPE,INJECTION¤ NO.4

SN: 10001-10594

1шт.

24

6138-71-5150

PIPE,INJECTION¤ NO.5

SN: 10001-10594

1шт.

25

6138-71-5160

PIPE,INJECTION¤ NO.6

SN: 10001-10594

1шт.

26

6138-71-5721

CLAMP

SN: 10088-10594

1шт.

|26

6138-71-5720

CLAMP

SN: 10001-10087

1шт.

27

6138-71-5731

CLAMP

SN: 10088-10594

1шт.

|27

6138-71-5730

CLAMP

SN: 10001-10087

1шт.

28

6138-71-5741

CLAMP

SN: 10088-@

1шт.

|28

6138-71-5740

CLAMP

SN: 10001-10087

1шт.

29

6138-71-5751

CLAMP

SN: 10088-10594

1шт.

|29

6138-71-5750

CLAMP

SN: 10001-10087

1шт.

30

01010-50825

BOLT

SN: 10001-10594

8шт.

31

01602-00825

WASHER,SPRING

SN: 10001-10594

8шт.

32

6138-71-5710

CLIP

SN: 10001-@

6шт.

33

01010-30630

BOLT

SN: 10001-@

3шт.

34

01602-00619

WASHER,SPRING

SN: 10001-@

3шт.

35

6136-51-6710

PIPE,OIL

SN: 10001-@

1шт.

36

07206-10610

BOLT,JOINT

SN: 10001-@

2шт.

37

07005-01012

GASKET (K2)

SN: 10001-@

4шт.

38

6136-51-6720

PIPE

SN: 10001-@

1шт.

39

07206-10812

BOLT,JOINT

SN: 10001-@

1шт.

40

07005-01212

GASKET (K2)

SN: 10001-@

2шт.

Выбрано товаров: 104