Запчасти Komatsu SA6D110-1C ТОПЛИВН. ФИЛЬТР. И ТРУБЫ ТОПЛИВН. СИСТЕМА

Схема запчастей Komatsu SA6D110-1C - ТОПЛИВН. ФИЛЬТР. И ТРУБЫ ТОПЛИВН. СИСТЕМА
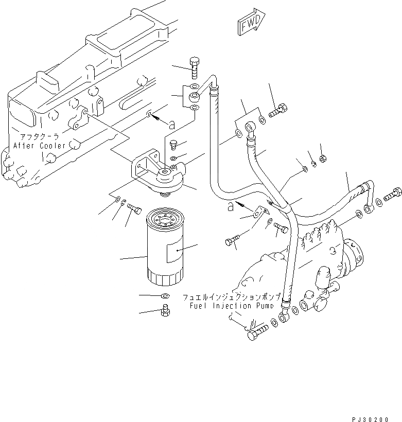
1
2
3
4
5
6
7
8
9
10
11
12
12
13
13
14
15
16
17
18
19
20
21
22
FIT
1:1
100%

Артикул

Название

Примечание

Количество

|1

6138-71-6100

FUEL FILTER ASS'Y

SN: 10350-UP

1шт.

1

6138-71-6110

BRACKET

SN: 10350-UP

1шт.

2

6110-73-6231

PLUG

SN: 10350-UP

1шт.

3

07005-00812

GASKET

SN: 10350-UP

1шт.

4

600-311-8291

CARTRIDGE

SN: 10350-UP

1шт.

5

6110-73-6231

PLUG

SN: 10350-UP

1шт.

6

07005-00812

GASKET

SN: 10350-UP

1шт.

7

01435-01030

BOLT

SN: 50018-UP

2шт.

|7

01010-31035

BOLT

SN: 10350-50017

2шт.

8

01602-01030

WASHER,SPRING

SN: 10350-50017

2шт.

9

01640-01016

WASHER

SN: 10350-50017

2шт.

10

07271-01445

HOSE

SN: 10350-UP

1шт.

11

6138-71-5610

HOSE

SN: 10350-UP

1шт.

12

07206-11014

BOLT,JOINT

SN: 10350-UP

2шт.

13

07005-01412

GASKET (K2)

SN: 10350-UP

4шт.

14

6128-71-5911

CLIP

SN: 10350-UP

1шт.

15

6050-71-5710

BRACKET

SN: 10350-UP

1шт.

16

01435-20816

BOLT

SN: 50018-UP

1шт.

|16

01010-30820

BOLT

SN: 10350-50017

1шт.

17

01584-00806

NUT

SN: 50018-UP

1шт.

|17

01580-00806

NUT

SN: 10350-50017

1шт.

18

01602-00825

WASHER,SPRING

SN: 10350-50017

1шт.

19

01640-20816

WASHER

SN: 10350-50017

1шт.

20

6138-11-4870

BOLT,(SEE FIG.0131)

SN: 10350-UP

1шт.

21

01602-00825

WASHER,SPRING (SEE FIG.0131)

SN: 10350-UP

1шт.

22

600-311-8612

PLATE¤ CAUTION,(ENGLISH)

SN: 10350-UP

1шт.

Выбрано товаров: 26