Запчасти Komatsu SA6D110-1EE MARINE КРЕПЛЕНИЕ ДВИГАТЕЛЯ MARINE ПРИВОД КОМПОНЕНТЫ

Схема запчастей Komatsu SA6D110-1EE - MARINE КРЕПЛЕНИЕ ДВИГАТЕЛЯ MARINE ПРИВОД КОМПОНЕНТЫ
FIT
1:1
100%

Артикул

Название

Примечание

Количество

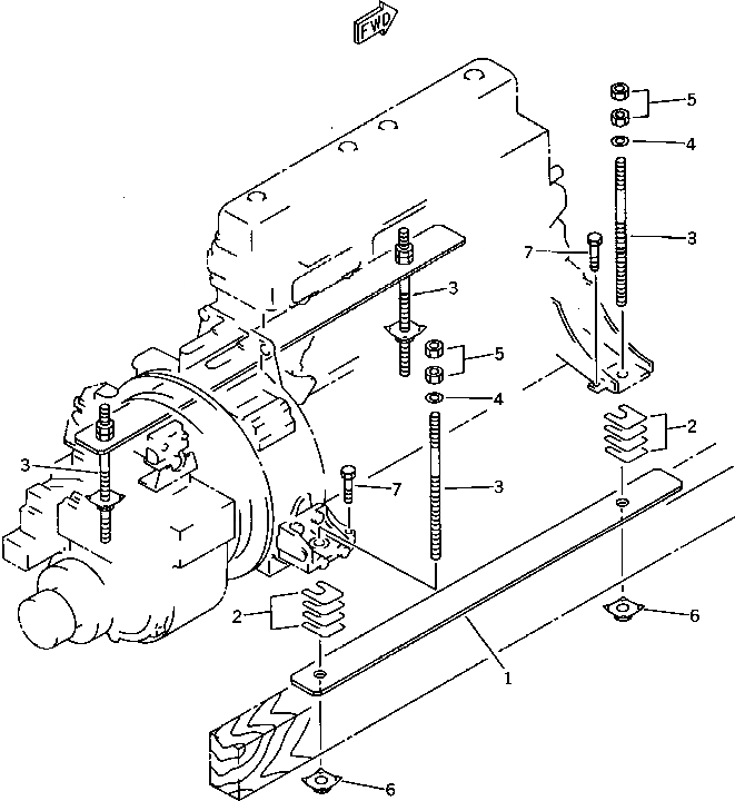
1

7700-65-2111

PLATE

SN: 65426-UP

2шт.

2

7700-65-2400

SHIM ASS'Y (K2)

SN: 65426-UP

2шт.

|2

0

SHIM¤ 0.1MM

SN: 65426-UP

4шт.

|2

0

SHIM¤ 0.2MM

SN: 65426-UP

4шт.

|2

0

SHIM¤ 0.5MM

SN: 65426-UP

2шт.

|2

0

SHIM¤ 1.0MM

SN: 65426-UP

2шт.

3

7700-65-2120

STUD

SN: 65426-UP

4шт.

4

01643-21845

WASHER

SN: 65426-UP

4шт.

5

01580-11815

NUT

SN: 65426-UP

8шт.

6

7700-65-2130

WASHER

SN: 65426-UP

4шт.

7

7700-65-2511

BOLT

SN: 65426-UP

4шт.

Выбрано товаров: 11