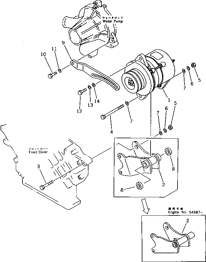
Запчасти Komatsu SA6D110-1F ГЕНЕРАТОР И КРЕПЛЕНИЕ (A) ЭЛЕКТРИКА

Схема запчастей Komatsu SA6D110-1F - ГЕНЕРАТОР И КРЕПЛЕНИЕ (A) ЭЛЕКТРИКА
FIT
1:1
100%

Артикул

Название

Примечание

Количество

1

600-821-7350

ALTERNATOR A. (35A),(SEE FIG.0641)

SN: 54687-UP

1шт.

|1

600-821-8440

ALTERNATOR A. (35A),(SEE FIG.0641A)

SN: 50001-54686

1шт.

2

6136-21-6360

BRACKET

SN: 54687-UP

1шт.

|2

6136-21-6341

BRACKET

SN: 50001-54686

1шт.

3

01010-31470

BOLT

SN: 50001-UP

1шт.

4

6206-81-6920

BOLT

SN: 54687-UP

1шт.

|4

01011-31450

BOLT

SN: 50001-54686

1шт.

5

01580-01411

NUT

SN: 50001-UP

2шт.

6

01602-01442

WASHER,SPRING

SN: 50001-UP

2шт.

7

01641-01423

WASHER

SN: 50001-UP

3шт.

8

6144-81-6560

SPACER

SN: 50001-54686

2шт.

9

6137-81-6720

PLATE,ADJUST

SN: 54687-UP

1шт.

|9

6136-21-6731

PLATE,ADJUST

SN: 50001-54686

1шт.

10

01010-31025

BOLT

SN: 50001-UP

1шт.

11

01602-01030

WASHER,SPRING

SN: 50001-UP

1шт.

12

01050-31235

BOLT

SN: 50001-UP

1шт.

13

01602-01236

WASHER,SPRING

SN: 50001-UP

1шт.

14

01643-31232

WASHER

SN: 50001-UP

1шт.

Выбрано товаров: 18