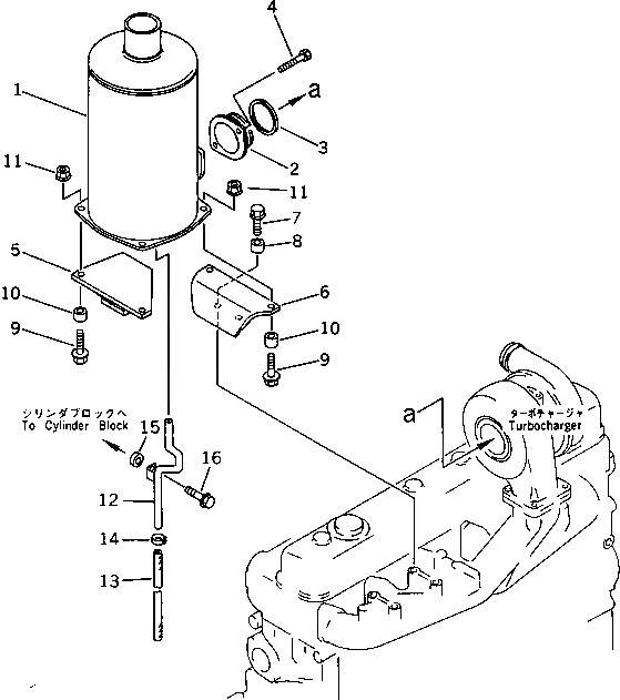
Запчасти Komatsu SA6D110-1G ГЛУШИТЕЛЬ И КРЕПЛЕНИЕ ГОЛОВКА ЦИЛИНДРОВ

Схема запчастей Komatsu SA6D110-1G - ГЛУШИТЕЛЬ И КРЕПЛЕНИЕ ГОЛОВКА ЦИЛИНДРОВ
FIT
1:1
100%

Артикул

Название

Примечание

Количество

1

6138-11-5520

MUFFLER

SN: 12653-UP

1шт.

2

6138-11-5230

JOINT

SN: 12653-UP

1шт.

3

6136-12-5280

RING,SEAL

SN: 54048-UP

1шт.

|3

0

RING,SEAL

SN: 12653-54047

1шт.

4

6131-11-5360

BOLT

SN: 12653-UP

2шт.

5

6138-11-5560

BRACKET,MUFFLER

SN: 12653-UP

1шт.

6

6138-11-5570

BRACKET,MUFFLER

SN: 12653-UP

1шт.

7

01435-01045

BOLT

SN: 60739-UP

4шт.

|7

01010-31045

BOLT

SN: 12653-60738

4шт.

8

6631-11-5630

SPACER

SN: 12653-UP

4шт.

9

01435-01260

BOLT

SN: 60739-UP

4шт.

|9

01010-31260

BOLT

SN: 12653-60738

4шт.

10

6678-51-9520

SPACER

SN: 12653-UP

4шт.

11

01584-01210

NUT

SN: 60739-UP

4шт.

|11

01580-01210

NUT

SN: 12653-60738

4шт.

12

6138-11-5581

PIPE,DRAIN

SN: 12653-UP

1шт.

13

07260-20956

HOSE

SN: 12653-UP

1шт.

14

07285-00155

CLIP

SN: 60286-UP

1шт.

|14

6136-11-5680

CLIP

SN: 12653-60285

1шт.

15

6144-81-6570

SPACER

SN: 12653-UP

1шт.

16

01435-20820

BOLT

SN: 60286-UP

1шт.

|16

01010-30820

BOLT

SN: 12653-60285

1шт.

Выбрано товаров: 22