Запчасти Komatsu SA6D110-1N ТОПЛИВН. ФИЛЬТР. И ТРУБЫ ТОПЛИВН. СИСТЕМА

Схема запчастей Komatsu SA6D110-1N - ТОПЛИВН. ФИЛЬТР. И ТРУБЫ ТОПЛИВН. СИСТЕМА
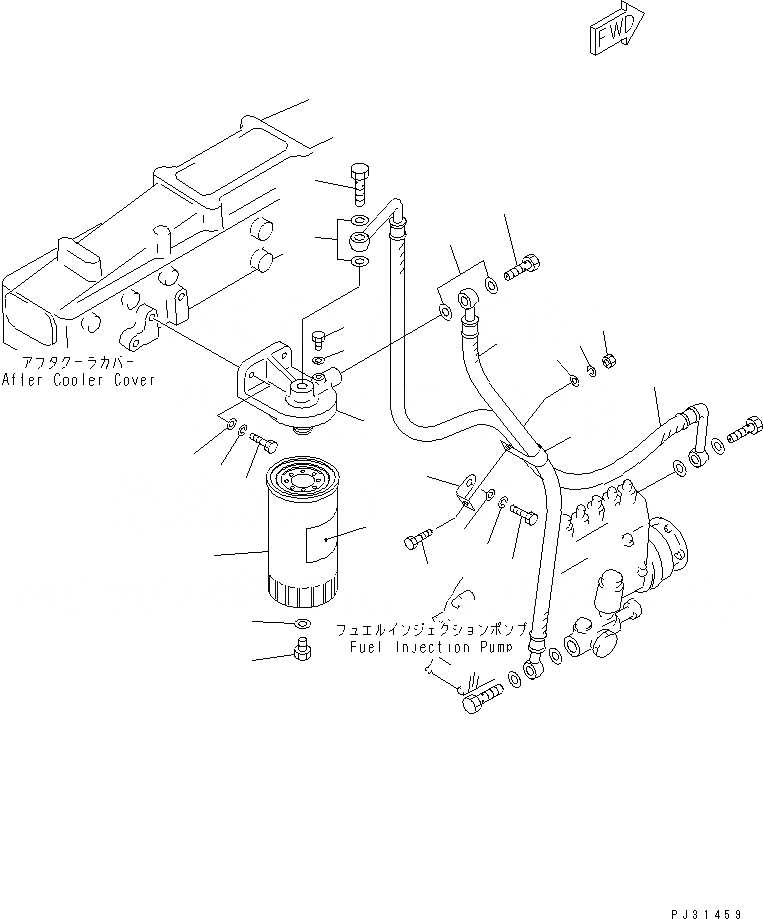
1
2
3
4
5
6
7
8
9
10
11
12
12
13
13
14
15
16
17
18
19
20
21
22
23
FIT
1:1
100%

Артикул

Название

Примечание

Количество

|$0

6138-71-6100

FUEL FILTER ASS'Y

SN: 50001-UP

1шт.

1

6138-71-6110

BRACKET

SN: 50001-UP

1шт.

2

6110-73-6231

PLUG

SN: 50001-UP

1шт.

3

07005-00812

GASKET (K2)

SN: 50001-UP

1шт.

4

600-311-8291

CARTRIDGE

SN: 50001-UP

1шт.

5

6110-73-6231

PLUG

SN: 50001-UP

1шт.

6

07005-00812

GASKET (K2)

SN: 50001-UP

1шт.

7

01435-01030

BOLT

SN: 60951-UP

2шт.

7

0

BOLT

SN: 50001-60950

2шт.

8

01602-01030

WASHER,SPRING

SN: 50001-60950

2шт.

9

01640-01016

WASHER

SN: 50001-60950

2шт.

10

07271-01445

HOSE

SN: 50001-UP

1шт.

11

6138-71-5610

HOSE

SN: 50001-UP

1шт.

12

07206-11014

BOLT,JOINT

SN: 50001-UP

2шт.

13

07005-01412

GASKET (K2)

SN: 50001-UP

4шт.

14

6128-71-5911

CLIP

SN: 50001-UP

1шт.

15

6050-71-5710

BRACKET

SN: 50001-UP

1шт.

16

01435-20816

BOLT

SN: 60951-UP

1шт.

16

0

BOLT

SN: 50001-60950

1шт.

17

01584-00806

NUT

SN: 60951-UP

1шт.

17

0

NUT

SN: 50001-60950

1шт.

18

01602-00825

WASHER,SPRING

SN: 50001-60950

1шт.

19

01640-20816

WASHER

SN: 50001-60950

1шт.

20

6222-11-4910

BOLT,(SEE FIG.0131)

SN: 60951-UP

1шт.

20

0

BOLT,(SEE FIG.0131)

SN: 50001-60950

1шт.

21

01602-00825

WASHER,SPRING (SEE FIG.0131)

SN: 50001-60950

1шт.

22

01640-00816

WASHER,(SEE FIG.0131)

SN: 50001-60950

1шт.

23

600-311-8612

PLATE, CAUTION,(ENGLISH)

SN: 50001-UP

1шт.

Выбрано товаров: 28