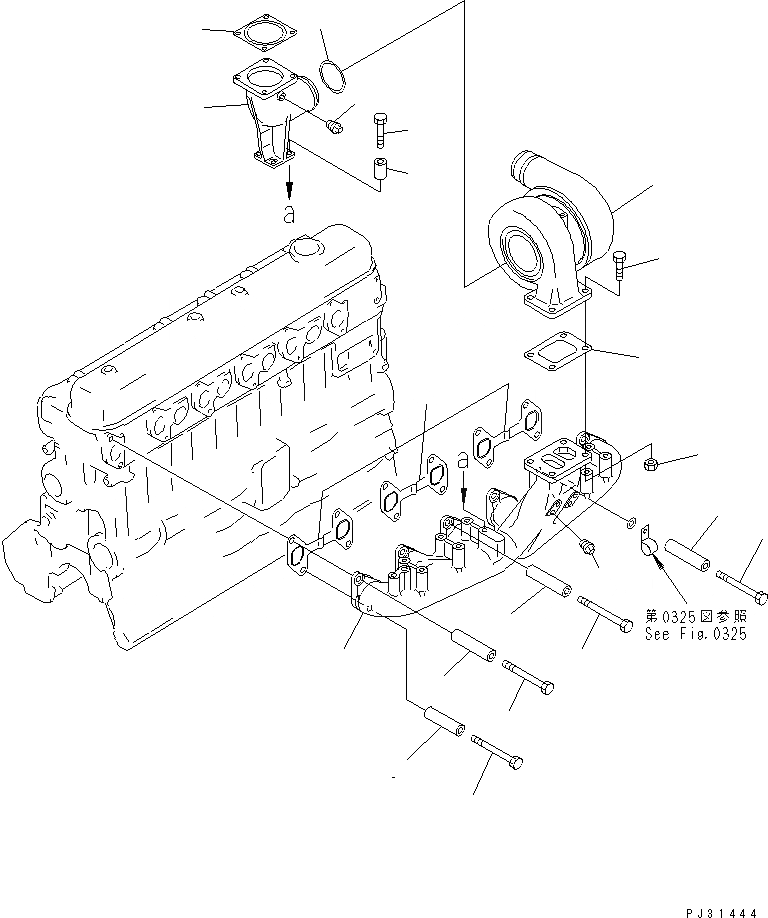
Запчасти Komatsu SA6D110-1N ВЫПУСКНОЙ КОЛЛЕКТОР И ТУРБОНАГНЕТАТЕЛЬ ГОЛОВКА ЦИЛИНДРОВ

Схема запчастей Komatsu SA6D110-1N - ВЫПУСКНОЙ КОЛЛЕКТОР И ТУРБОНАГНЕТАТЕЛЬ ГОЛОВКА ЦИЛИНДРОВ
1
2
3
4
5
5
6
7
8
8
9
10
11
12
13
14
15
16
17
18
19
FIT
1:1
100%

Артикул

Название

Примечание

Количество

1

6137-11-5110

MANIFOLD,EXHAUST

SN: 53889-UP

1шт.

2

07042-20108

PLUG

SN: 61037-UP

1шт.

2

07042-20108

PLUG

SN: 53889-61036

2шт.

3

6136-11-5810

GASKET (K1)

SN: 53889-UP

3шт.

4

6137-11-5120

SPACER

SN: 53889-UP

2шт.

5

6136-11-5120

SPACER

SN: 53889-UP

9шт.

6

6112-21-6960

SPACER

SN: 53889-UP

1шт.

7

01436-01015

BOLT

SN: 61037-UP

2шт.

7

0

BOLT

SN: 53889-61036

2шт.

8

01436-01000

BOLT

SN: 61037-UP

9шт.

8

0

BOLT

SN: 53889-61036

9шт.

9

01435-01060

BOLT

SN: 61037-UP

1шт.

9

0

BOLT

SN: 53889-61036

1шт.

10

6138-82-8700

TURBOCHARGER ASS'Y,(SEE FIG.0155)

SN: 55188-UP

1шт.

10

6138-82-8200

TURBOCHARGER ASS'Y,(SEE FIG.0155)

SN: 53889-55187

1шт.

11

6131-11-5170

GASKET (K1)

SN: 53889-UP

1шт.

12

02030-40638

BOLT

SN: 53889-UP

4шт.

13

6131-11-1290

NUT

SN: 53889-UP

4шт.

14

6138-11-5360

ELBOW,EXHAUST

SN: 53889-UP

1шт.

15

07042-40108

PLUG

SN: 53889-UP

1шт.

16

6136-12-5280

RING,SEAL

SN: 55188-UP

1шт.

16

0

RING,SEAL

SN: 53889-55187

1шт.

17

01435-01045

BOLT

SN: 61037-UP

4шт.

17

0

BOLT

SN: 53889-61036

4шт.

18

6631-11-5630

SPACER

SN: 53889-UP

4шт.

19

6138-11-5860

GASKET (K1)

SN: 53889-UP

1шт.

Выбрано товаров: 26