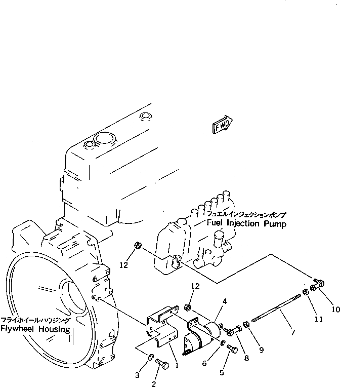
Запчасти Komatsu SA6D110-1P-B СОЛЕНОИД И КРЕПЛЕНИЕ ТОПЛИВН. СИСТЕМА

Схема запчастей Komatsu SA6D110-1P-B - СОЛЕНОИД И КРЕПЛЕНИЕ ТОПЛИВН. СИСТЕМА
FIT
1:1
100%

Артикул

Название

Примечание

Количество

1

6993-81-3110

BRACKET,SOLENOID

SN: 50001-UP

1шт.

2

01435-21220

BOLT

SN: 60951-UP

2шт.

|2

0

BOLT

SN: 50001-60950

2шт.

3

01602-01236

WASHER,SPRING

SN: 50001-60950

2шт.

4

69902-0-0460

SOLENOID ASS'Y

SN: 50001-UP

1шт.

5

01435-20816

BOLT

SN: 60951-UP

4шт.

|5

0

BOLT

SN: 50001-60950

4шт.

6

01602-00825

WASHER,SPRING

SN: 50001-60950

4шт.

7

6993-81-3121

ROD

SN: 50001-UP

1шт.

8

6966-83-3710

JOINT,BALL

SN: 50001-UP

1шт.

9

01580-00605

NUT

SN: 50001-UP

1шт.

10

6966-83-3720

JOINT,BALL¤ L.H. THREAD

SN: 50001-UP

1шт.

11

01508-10603

NUT¤ L.H. THREAD,L.H. THREAD

SN: 50001-UP

1шт.

12

01584-00605

NUT

SN: 50001-UP

2шт.

Выбрано товаров: 14