Запчасти Komatsu SA6D110-1W ГЛУШИТЕЛЬ И КРЕПЛЕНИЕ (БЕСШУМН. СПЕЦ-Я. ДЛЯ EC)(№8-) ГОЛОВКА ЦИЛИНДРОВ

Схема запчастей Komatsu SA6D110-1W - ГЛУШИТЕЛЬ И КРЕПЛЕНИЕ (БЕСШУМН. СПЕЦ-Я. ДЛЯ EC)(№8-) ГОЛОВКА ЦИЛИНДРОВ
1
2
3
4
5
6
7
8
9
10
11
12
13
14
15
16
17
18
19
20
21
22
23
24
25
26
26
27
28
29
1
2
3
4
5
6
7
8
9
10
11
12
13
14
15
16
17
18
19
20
21
22
23
24
25
26
26
27
28
29
FIT
1:1
100%

Артикул

Название

Примечание

Количество

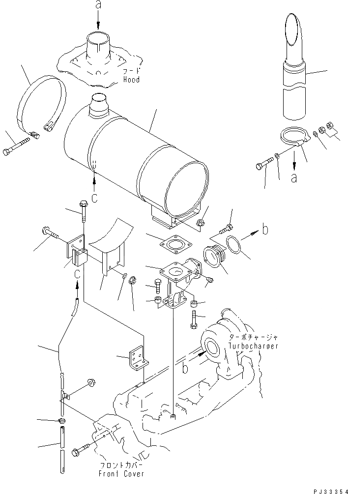
1

6137-11-5230

MUFFLER,(WITH GLASSWOOL)

SN: 63381-UP

1шт.

2

6138-11-5370

ELBOW,EXHAUST

SN: 63381-UP

1шт.

3

07042-20108

PLUG

SN: 63381-UP

1шт.

4

01435-01045

BOLT

SN: 63381-UP

4шт.

5

6631-11-5630

SPACER

SN: 63381-UP

4шт.

6

6138-11-5810

GASKET (K1)

SN: 63381-UP

1шт.

7

01435-01260

BOLT

SN: 63381-UP

4шт.

8

6678-51-9520

SPACER

SN: 63381-UP

4шт.

9

01584-01210

NUT

SN: 63381-UP

4шт.

10

6138-11-5770

BRACKET

SN: 63381-UP

1шт.

11

01435-01090

BOLT

SN: 63381-UP

2шт.

12

6138-11-5780

BRACKET

SN: 63381-UP

1шт.

13

01435-01030

BOLT

SN: 63381-UP

2шт.

14

01584-01008

NUT

SN: 63381-UP

2шт.

15

01643-31032

WASHER

SN: 63381-UP

2шт.

16

6138-11-5230

JOINT

SN: 63381-UP

1шт.

17

6131-11-5360

BOLT

SN: 63381-UP

2шт.

18

6136-12-5280

RING,SEAL

SN: 63381-UP

1шт.

19

6138-11-5790

BAND ASS'Y

SN: 63381-UP

1шт.

19

6110-11-4520

PIN

SN: 63381-UP

1шт.

19

6110-11-4530

PIN, WITH THREAD

SN: 63381-UP

1шт.

20

6643-11-4641

BOLT

SN: 63381-UP

1шт.

21

6137-11-5782

PIPE,DRAIN

SN: 63381-UP

1шт.

22

6151-11-5590

PIPE,EXHAUST (WITH GLASSWOOL)

SN: 63381-UP

1шт.

23

6138-11-5620

CLAMP

SN: 63381-UP

1шт.

24

6693-12-5550

BOLT

SN: 63381-UP

1шт.

25

01582-01411

NUT

SN: 63381-UP

2шт.

26

6151-11-5670

WASHER

SN: 63381-UP

2шт.

27

07260-20980

HOSE

SN: 63381-UP

1шт.

28

07285-00155

CLIP

SN: 63381-UP

1шт.

29

6138-11-4670

BRACKET,(SEE OF AIR INTAKE)

SN: 63381-UP

1шт.

1

6137-11-5230

MUFFLER,(WITH GLASSWOOL)

SN: 63381-UP

1шт.

2

6138-11-5370

ELBOW,EXHAUST

SN: 63381-UP

1шт.

3

07042-20108

PLUG

SN: 63381-UP

1шт.

4

01435-01045

BOLT

SN: 63381-UP

4шт.

5

6631-11-5630

SPACER

SN: 63381-UP

4шт.

6

6138-11-5810

GASKET (K1)

SN: 63381-UP

1шт.

7

01435-01260

BOLT

SN: 63381-UP

4шт.

8

6678-51-9520

SPACER

SN: 63381-UP

4шт.

9

01584-01210

NUT

SN: 63381-UP

4шт.

10

6138-11-5770

BRACKET

SN: 63381-UP

1шт.

11

01435-01090

BOLT

SN: 63381-UP

2шт.

12

6138-11-5780

BRACKET

SN: 63381-UP

1шт.

13

01435-01030

BOLT

SN: 63381-UP

2шт.

14

01584-01008

NUT

SN: 63381-UP

2шт.

15

01643-31032

WASHER

SN: 63381-UP

2шт.

16

6138-11-5230

JOINT

SN: 63381-UP

1шт.

17

6131-11-5360

BOLT

SN: 63381-UP

2шт.

18

6136-12-5280

RING,SEAL

SN: 63381-UP

1шт.

19

6138-11-5790

BAND ASS'Y

SN: 63381-UP

1шт.

19

6110-11-4520

PIN

SN: 63381-UP

1шт.

19

6110-11-4530

PIN, WITH THREAD

SN: 63381-UP

1шт.

20

6643-11-4641

BOLT

SN: 63381-UP

1шт.

21

6137-11-5782

PIPE,DRAIN

SN: 63381-UP

1шт.

22

6151-11-5590

PIPE,EXHAUST (WITH GLASSWOOL)

SN: 63381-UP

1шт.

23

6138-11-5620

CLAMP

SN: 63381-UP

1шт.

24

6693-12-5550

BOLT

SN: 63381-UP

1шт.

25

01582-01411

NUT

SN: 63381-UP

2шт.

26

6151-11-5670

WASHER

SN: 63381-UP

2шт.

27

07260-20980

HOSE

SN: 63381-UP

1шт.

28

07285-00155

CLIP

SN: 63381-UP

1шт.

29

6138-11-4670

BRACKET,(SEE OF AIR INTAKE)

SN: 63381-UP

1шт.

Выбрано товаров: 62