Запчасти Komatsu SA6D110-1W БЛОК ЦИЛИНДРОВ(№997-) БЛОК ЦИЛИНДРОВ

Схема запчастей Komatsu SA6D110-1W - БЛОК ЦИЛИНДРОВ(№997-) БЛОК ЦИЛИНДРОВ
1
1
2
2
3
4
5
6
6
6
7
8
8
9
9
10
11
11
11
12
13
14
14A
14A
15
15
16
16
17
17
17
17
18
19
20
21
22
23
24
25
26
27
28
29
1
1
2
2
3
4
5
6
6
6
7
8
8
9
9
10
11
11
11
12
13
14
14A
14A
15
15
16
16
17
17
17
17
18
19
20
21
22
23
24
25
26
27
28
29
FIT
1:1
100%

Артикул

Название

Примечание

Количество

|$0

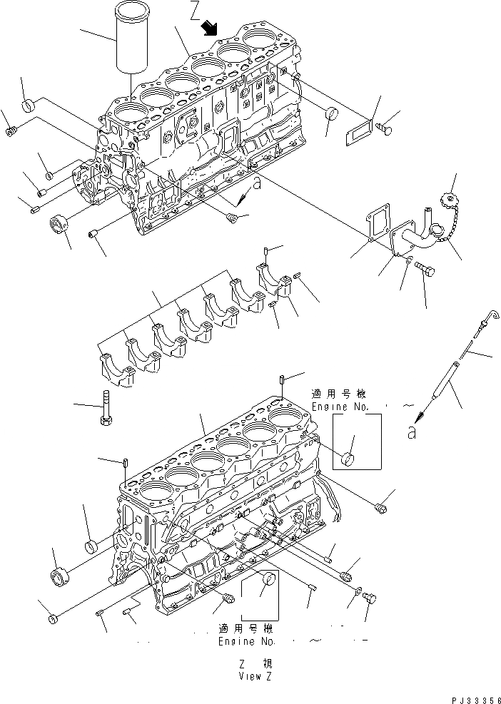
6138-22-1011

CYLINDER BLOCK ASS'Y

SN: 56997-UP

1шт.

1

0

BLOCK,CYLINDER

SN: 56997-UP

1шт.

2

6136-21-1410

BUSHING,CAMSHAFT

SN: 56997-UP

4шт.

3

0

CAP,MAIN METAL

SN: 56997-UP

6шт.

4

0

CAP,MAIN METAL

SN: 56997-UP

1шт.

5

04020-00514

PIN,DOWEL

SN: 56997-UP

1шт.

6

04025-00408

PIN,SPRING

SN: 56997-UP

6шт.

7

6136-22-1710

BOLT,MAIN CAP

SN: 56997-UP

14шт.

8

6130-11-1420

PLUG,EXPANSION

SN: 56997-UP

2шт.

9

6136-21-1911

PIN,DOWEL

SN: 56997-UP

2шт.

10

04025-00512

PIN,SPRING

SN: 56997-UP

1шт.

11

04020-01228

PIN,DOWEL

SN: 56997-UP

4шт.

12

07040-11209

PLUG

SN: 56997-UP

1шт.

13

07005-01212

GASKET (K2)

SN: 56997-UP

1шт.

14

07042-00211

PLUG

SN: 56997-UP

1шт.

14A

07043-50211

PLUG

SN: 62134-UP

2шт.

15

07042-00108

PLUG

SN: 56997-UP

3шт.

16

04025-00820

PIN,SPRING

SN: 56997-UP

2шт.

17

07046-43516

PLUG

SN: .-UP

10шт.

17

07046-43516

PLUG

SN: 56997-.

9шт.

18

07046-43016

PLUG

SN: .-UP

1шт.

19

6138-21-2210

LINER,CYLINDER (MARK A)

SN: 56997-UP

6шт.

|$22

6138-21-2220

LINER,CYLINDER (MARK B)

SN: 56997-UP

6шт.

20

6138-21-7110

FILLER,OIL

SN: 56997-UP

1шт.

21

6136-21-7120

CAP ASS'Y

SN: 56997-UP

1шт.

21

6136-21-7180

GASKET

SN: 56997-UP

1шт.

22

6136-21-7190

CHAIN

SN: 56997-UP

1шт.

23

6136-21-7830

GASKET (K2)

SN: 66918-UP

1шт.

23

0

GASKET (K2)

SN: 56997-66917

1шт.

24

01435-01025

BOLT

SN: 60925-UP

4шт.

24

01010-31030

BOLT

SN: 56997-60924

4шт.

25

01602-01030

WASHER,SPRING

SN: 56997-60924

4шт.

26

6136-21-5410

GUIDE,OIL GAUGE

SN: 56997-UP

1шт.

27

6136-21-5520

GAUGE,OIL

SN: 56997-UP

1шт.

28

09605-01420

PLATE, NAME,(LIMITED SUPPLY) (ENGLISH)

SN: 56997-UP

1шт.

28

09605-11420

PLATE, NAME,(LIMITED SUPPLY) (SPANISH)

SN: 56997-UP

1шт.

28

09605-17355

PLATE, NAME,(LIMITED SUPPLY) (ARABIC)

SN: 56997-UP

1шт.

28

09605-21420

PLATE, NAME,(LIMITED SUPPLY) (GERMAN)

SN: 56997-UP

1шт.

28

09605-31420

PLATE, NAME,(LIMITED SUPPLY) (INDONESIAN)

SN: 56997-UP

1шт.

28

09605-41420

PLATE, NAME,(LIMITED SUPPLY) (RUSSIAN)

SN: 56997-UP

1шт.

28

09605-53420

PLATE, NAME,(LIMITED SUPPLY) (FRENCH)

SN: 56997-UP

1шт.

28

09605-61352

PLATE, NAME,(LIMITED SUPPLY) (ITALIAN)

SN: 56997-56997

1шт.

28

09605-61420

PLATE, NAME,(LIMITED SUPPLY) (ITALIAN)

SN: 56997-UP

1шт.

28

09605-91420

PLATE, NAME,(LIMITED SUPPLY) (CHINESE)

SN: 56997-UP

1шт.

29

04418-02550

SCREW

SN: 56997-UP

4шт.

|$0

6138-22-1011

CYLINDER BLOCK ASS'Y

SN: 56997-UP

1шт.

1

0

BLOCK,CYLINDER

SN: 56997-UP

1шт.

2

6136-21-1410

BUSHING,CAMSHAFT

SN: 56997-UP

4шт.

3

0

CAP,MAIN METAL

SN: 56997-UP

6шт.

4

0

CAP,MAIN METAL

SN: 56997-UP

1шт.

5

04020-00514

PIN,DOWEL

SN: 56997-UP

1шт.

6

04025-00408

PIN,SPRING

SN: 56997-UP

6шт.

7

6136-22-1710

BOLT,MAIN CAP

SN: 56997-UP

14шт.

8

6130-11-1420

PLUG,EXPANSION

SN: 56997-UP

2шт.

9

6136-21-1911

PIN,DOWEL

SN: 56997-UP

2шт.

10

04025-00512

PIN,SPRING

SN: 56997-UP

1шт.

11

04020-01228

PIN,DOWEL

SN: 56997-UP

4шт.

12

07040-11209

PLUG

SN: 56997-UP

1шт.

13

07005-01212

GASKET (K2)

SN: 56997-UP

1шт.

14

07042-00211

PLUG

SN: 56997-UP

1шт.

14A

07043-50211

PLUG

SN: 62134-UP

2шт.

15

07042-00108

PLUG

SN: 56997-UP

3шт.

16

04025-00820

PIN,SPRING

SN: 56997-UP

2шт.

17

07046-43516

PLUG

SN: .-UP

10шт.

17

07046-43516

PLUG

SN: 56997-.

9шт.

18

07046-43016

PLUG

SN: .-UP

1шт.

19

6138-21-2210

LINER,CYLINDER (MARK A)

SN: 56997-UP

6шт.

|$22

6138-21-2220

LINER,CYLINDER (MARK B)

SN: 56997-UP

6шт.

20

6138-21-7110

FILLER,OIL

SN: 56997-UP

1шт.

21

6136-21-7120

CAP ASS'Y

SN: 56997-UP

1шт.

21

6136-21-7180

GASKET

SN: 56997-UP

1шт.

22

6136-21-7190

CHAIN

SN: 56997-UP

1шт.

23

6136-21-7830

GASKET (K2)

SN: 66918-UP

1шт.

23

0

GASKET (K2)

SN: 56997-66917

1шт.

24

01435-01025

BOLT

SN: 60925-UP

4шт.

24

01010-31030

BOLT

SN: 56997-60924

4шт.

25

01602-01030

WASHER,SPRING

SN: 56997-60924

4шт.

26

6136-21-5410

GUIDE,OIL GAUGE

SN: 56997-UP

1шт.

27

6136-21-5520

GAUGE,OIL

SN: 56997-UP

1шт.

28

09605-01420

PLATE, NAME,(LIMITED SUPPLY) (ENGLISH)

SN: 56997-UP

1шт.

28

09605-11420

PLATE, NAME,(LIMITED SUPPLY) (SPANISH)

SN: 56997-UP

1шт.

28

09605-17355

PLATE, NAME,(LIMITED SUPPLY) (ARABIC)

SN: 56997-UP

1шт.

28

09605-21420

PLATE, NAME,(LIMITED SUPPLY) (GERMAN)

SN: 56997-UP

1шт.

28

09605-31420

PLATE, NAME,(LIMITED SUPPLY) (INDONESIAN)

SN: 56997-UP

1шт.

28

09605-41420

PLATE, NAME,(LIMITED SUPPLY) (RUSSIAN)

SN: 56997-UP

1шт.

28

09605-53420

PLATE, NAME,(LIMITED SUPPLY) (FRENCH)

SN: 56997-UP

1шт.

28

09605-61352

PLATE, NAME,(LIMITED SUPPLY) (ITALIAN)

SN: 56997-56997

1шт.

28

09605-61420

PLATE, NAME,(LIMITED SUPPLY) (ITALIAN)

SN: 56997-UP

1шт.

28

09605-91420

PLATE, NAME,(LIMITED SUPPLY) (CHINESE)

SN: 56997-UP

1шт.

29

04418-02550

SCREW

SN: 56997-UP

4шт.

Выбрано товаров: 90