Запчасти Komatsu SA6D110-1W ТОПЛ. НАСОС И ТРУБЫ(№997-) ТОПЛИВН. СИСТЕМА

Схема запчастей Komatsu SA6D110-1W - ТОПЛ. НАСОС И ТРУБЫ(№997-) ТОПЛИВН. СИСТЕМА
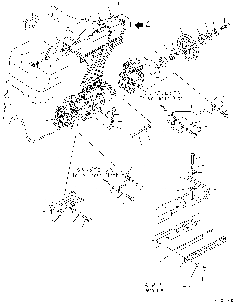
1
2
3
4
5
6
7
8
9
10
11
12
13
13
14
15
16
17
18
19
20
20
21
21
22
23
24
25
26
27
28
29
30
30
31
32
33
34
34
35
35
35
36
37
38
1
2
3
4
5
6
7
8
9
10
11
12
13
13
14
15
16
17
18
19
20
20
21
21
22
23
24
25
26
27
28
29
30
30
31
32
33
34
34
35
35
35
36
37
38
FIT
1:1
100%

Артикул

Название

Примечание

Количество

1

6138-72-1311

INJECTION PUMP ASS'Y,(SEE FIG.0453)

SN: 56997-UP

1шт.

2

6136-21-6110

BRACKET

SN: 56997-UP

1шт.

3

01435-01030

BOLT

SN: 60925-UP

4шт.

3

01010-31035

BOLT

SN: 56997-60924

4шт.

4

01602-01030

WASHER,SPRING

SN: 56997-60924

4шт.

5

01435-00870

BOLT

SN: 60925-UP

4шт.

5

01010-30870

BOLT

SN: 56997-60924

4шт.

6

01602-00825

WASHER,SPRING

SN: 56997-60924

4шт.

7

6110-71-5810

WASHER

SN: 56997-UP

4шт.

8

6138-81-3112

AIR COMPRESSOR ASS'Y,(SEE FIG.0711)

SN: 61531-UP

1шт.

8

0

AIR COMPRESSOR ASS'Y,(SEE FIG.0711)

SN: 56997-61530

1шт.

9

6136-71-3420

GASKET (K2)

SN: 66918-UP

1шт.

9

0

GASKET (K2)

SN: 56997-66917

1шт.

10

6136-81-3920

BOLT

SN: 56997-UP

4шт.

11

01602-01030

WASHER,SPRING

SN: 56997-UP

4шт.

12

01640-21016

WASHER

SN: 56997-UP

4шт.

13

06000-06007

BEARING,BALL

SN: 56997-UP

2шт.

14

6136-71-3110

SHAFT

SN: 56997-UP

1шт.

15

6136-71-3120

GEAR

SN: 56997-UP

1шт.

16

04000-00722

KEY

SN: 56997-UP

1шт.

17

6136-71-3130

NUT,LOCK

SN: 56997-UP

1шт.

18

6136-71-3141

WASHER,LOCK (K2)

SN: 56998-UP

1шт.

18

6136-71-3141

WASHER,LOCK

SN: 56997-56997

1шт.

19

6136-81-3951

SHAFT

SN: 56997-UP

1шт.

20

6138-71-5111

PIPE,INJECTION, NO.1

SN: 56997-UP

1шт.

21

6138-71-5121

PIPE,INJECTION, NO.2

SN: 56997-UP

1шт.

22

6138-71-5131

PIPE,INJECTION, NO.3

SN: 56997-UP

1шт.

23

6138-71-5141

PIPE,INJECTION, NO.4

SN: 56997-UP

1шт.

24

6138-71-5151

PIPE,INJECTION, NO.5

SN: 56997-UP

1шт.

25

6138-71-5161

PIPE,INJECTION, NO.6

SN: 56997-UP

1шт.

26

6138-71-5770

BAND

SN: 56997-UP

1шт.

27

6138-71-5741

CLAMP

SN: 56997-UP

1шт.

28

01584-00806

NUT

SN: 60925-UP

5шт.

28

01580-00806

NUT

SN: 56997-60924

5шт.

29

01602-00825

WASHER,SPRING

SN: 56997-60924

5шт.

30

6138-71-5710

CLIP

SN: 56997-UP

6шт.

31

01435-20625

BOLT

SN: 60925-UP

3шт.

31

01010-30630

BOLT

SN: 56997-60924

3шт.

32

01602-00619

WASHER,SPRING

SN: 56997-60924

3шт.

33

6136-51-6710

PIPE,OIL

SN: 56997-UP

1шт.

34

07206-10610

BOLT,JOINT

SN: 56997-UP

2шт.

35

07005-01012

GASKET (K2)

SN: 56997-UP

4шт.

36

6136-51-6780

PIPE

SN: 56997-UP

1шт.

36

0

PIPE

SN: (56997-60228)

1шт.

37

07206-10812

BOLT,JOINT

SN: 56997-UP

1шт.

38

07005-01212

GASKET (K2)

SN: 56997-UP

2шт.

1

6138-72-1311

INJECTION PUMP ASS'Y,(SEE FIG.0453)

SN: 56997-UP

1шт.

2

6136-21-6110

BRACKET

SN: 56997-UP

1шт.

3

01435-01030

BOLT

SN: 60925-UP

4шт.

3

01010-31035

BOLT

SN: 56997-60924

4шт.

4

01602-01030

WASHER,SPRING

SN: 56997-60924

4шт.

5

01435-00870

BOLT

SN: 60925-UP

4шт.

5

01010-30870

BOLT

SN: 56997-60924

4шт.

6

01602-00825

WASHER,SPRING

SN: 56997-60924

4шт.

7

6110-71-5810

WASHER

SN: 56997-UP

4шт.

8

6138-81-3112

AIR COMPRESSOR ASS'Y,(SEE FIG.0711)

SN: 61531-UP

1шт.

8

0

AIR COMPRESSOR ASS'Y,(SEE FIG.0711)

SN: 56997-61530

1шт.

9

6136-71-3420

GASKET (K2)

SN: 66918-UP

1шт.

9

0

GASKET (K2)

SN: 56997-66917

1шт.

10

6136-81-3920

BOLT

SN: 56997-UP

4шт.

11

01602-01030

WASHER,SPRING

SN: 56997-UP

4шт.

12

01640-21016

WASHER

SN: 56997-UP

4шт.

13

06000-06007

BEARING,BALL

SN: 56997-UP

2шт.

14

6136-71-3110

SHAFT

SN: 56997-UP

1шт.

15

6136-71-3120

GEAR

SN: 56997-UP

1шт.

16

04000-00722

KEY

SN: 56997-UP

1шт.

17

6136-71-3130

NUT,LOCK

SN: 56997-UP

1шт.

18

6136-71-3141

WASHER,LOCK (K2)

SN: 56998-UP

1шт.

18

6136-71-3141

WASHER,LOCK

SN: 56997-56997

1шт.

19

6136-81-3951

SHAFT

SN: 56997-UP

1шт.

20

6138-71-5111

PIPE,INJECTION, NO.1

SN: 56997-UP

1шт.

21

6138-71-5121

PIPE,INJECTION, NO.2

SN: 56997-UP

1шт.

22

6138-71-5131

PIPE,INJECTION, NO.3

SN: 56997-UP

1шт.

23

6138-71-5141

PIPE,INJECTION, NO.4

SN: 56997-UP

1шт.

24

6138-71-5151

PIPE,INJECTION, NO.5

SN: 56997-UP

1шт.

25

6138-71-5161

PIPE,INJECTION, NO.6

SN: 56997-UP

1шт.

26

6138-71-5770

BAND

SN: 56997-UP

1шт.

27

6138-71-5741

CLAMP

SN: 56997-UP

1шт.

28

01584-00806

NUT

SN: 60925-UP

5шт.

28

01580-00806

NUT

SN: 56997-60924

5шт.

29

01602-00825

WASHER,SPRING

SN: 56997-60924

5шт.

30

6138-71-5710

CLIP

SN: 56997-UP

6шт.

31

01435-20625

BOLT

SN: 60925-UP

3шт.

31

01010-30630

BOLT

SN: 56997-60924

3шт.

32

01602-00619

WASHER,SPRING

SN: 56997-60924

3шт.

33

6136-51-6710

PIPE,OIL

SN: 56997-UP

1шт.

34

07206-10610

BOLT,JOINT

SN: 56997-UP

2шт.

35

07005-01012

GASKET (K2)

SN: 56997-UP

4шт.

36

6136-51-6780

PIPE

SN: 56997-UP

1шт.

36

0

PIPE

SN: (56997-60228)

1шт.

37

07206-10812

BOLT,JOINT

SN: 56997-UP

1шт.

38

07005-01212

GASKET (K2)

SN: 56997-UP

2шт.

Выбрано товаров: 92