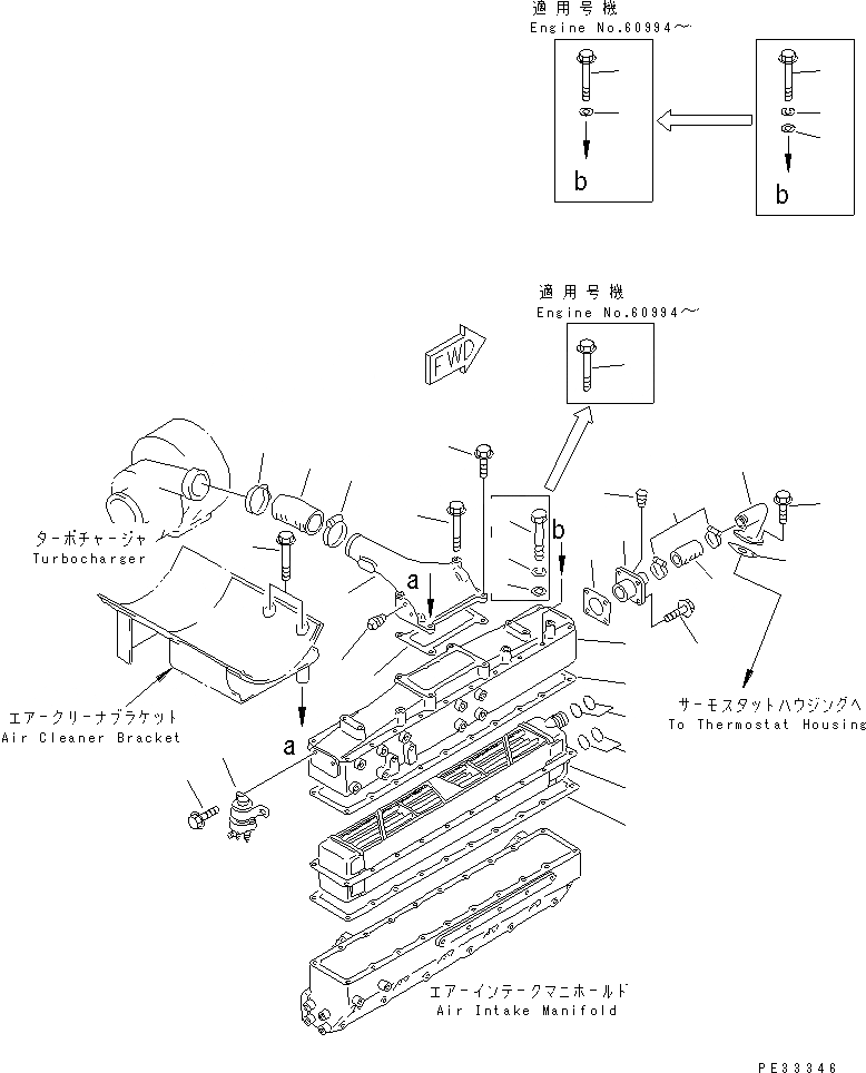
Запчасти Komatsu SA6D110-1W ТРУБОПРОВОД ВПУСКА ВОЗДУХА И ПОСЛЕОХЛАДИТЕЛЬ (/)(№9-) ГОЛОВКА ЦИЛИНДРОВ

Схема запчастей Komatsu SA6D110-1W - ТРУБОПРОВОД ВПУСКА ВОЗДУХА И ПОСЛЕОХЛАДИТЕЛЬ (/)(№9-) ГОЛОВКА ЦИЛИНДРОВ
1
2
2
3
4
4
5
5
5
5
6
6
7
7
7
8
9
10
11
12
13
14
15
15
16
17
18
19
20
21
22
23
24
25
26
1
2
2
3
4
4
5
5
5
5
6
6
7
7
7
8
9
10
11
12
13
14
15
15
16
17
18
19
20
21
22
23
24
25
26
FIT
1:1
100%

Артикул

Название

Примечание

Количество

1

6138-11-4630

CORE ASS'Y

SN: 56997-UP

1шт.

2

6162-63-6240

O-RING (K1)

SN: 56997-UP

4шт.

3

6138-11-4611

COVER

SN: 56997-UP

1шт.

4

6138-11-4650

GASKET (K1)

SN: 67070-UP

2шт.

4

0

GASKET (K1)

SN: 56997-67069

2шт.

5

01436-20800

BOLT

SN: 60994-UP

20шт.

5

6140-11-8160

BOLT

SN: 56997-60093

20шт.

6

01602-00825

WASHER,SPRING

SN: 56997-60993

20шт.

7

01640-00816

WASHER

SN: 60994-UP

1шт.

7

01640-00816

WASHER

SN: 56997-60993

20шт.

8

6138-11-4310

CONNECTOR,AIR

SN: 56997-UP

1шт.

9

07042-00108

PLUG

SN: 56997-UP

1шт.

10

6138-11-4840

GASKET (K1)

SN: 66918-UP

1шт.

10

0

GASKET (K1)

SN: 56997-66917

1шт.

11

01435-00825

BOLT

SN: 60925-UP

1шт.

12

01435-00870

BOLT

SN: 60925-UP

2шт.

13

01435-00870

BOLT

SN: 60925-UP

1шт.

14

6137-15-4370

HOSE

SN: 56997-UP

1шт.

15

07281-00709

CLAMP

SN: 56997-UP

2шт.

16

600-815-2170

SWITCH

SN: 56997-UP

1шт.

17

01435-00614

BOLT

SN: 60925-UP

2шт.

18

6138-61-6440

JOINT

SN: 56997-UP

1шт.

19

02720-10204

PLUG

SN: 56997-UP

1шт.

20

6128-61-6831

GASKET (K1)

SN: 67779-UP

1шт.

20

0

CLAMP (K1)

SN: 66918-67778

1шт.

20

0

GASKET (K1)

SN: 56997-66917

1шт.

21

01435-00820

BOLT

SN: 60925-UP

4шт.

22

6138-61-6430

PIPE

SN: 56997-UP

1шт.

23

6138-61-6560

GASKET (K1)

SN: 66918-UP

1шт.

23

0

GASKET (K1)

SN: 56997-66917

1шт.

24

01435-00820

BOLT

SN: 60925-UP

2шт.

25

6162-83-6290

HOSE

SN: 56997-UP

1шт.

26

07281-00419

CLAMP

SN: 56997-UP

2шт.

1

6138-11-4630

CORE ASS'Y

SN: 56997-UP

1шт.

2

6162-63-6240

O-RING (K1)

SN: 56997-UP

4шт.

3

6138-11-4611

COVER

SN: 56997-UP

1шт.

4

6138-11-4650

GASKET (K1)

SN: 67070-UP

2шт.

4

0

GASKET (K1)

SN: 56997-67069

2шт.

5

01436-20800

BOLT

SN: 60994-UP

20шт.

5

6140-11-8160

BOLT

SN: 56997-60093

20шт.

6

01602-00825

WASHER,SPRING

SN: 56997-60993

20шт.

7

01640-00816

WASHER

SN: 60994-UP

1шт.

7

01640-00816

WASHER

SN: 56997-60993

20шт.

8

6138-11-4310

CONNECTOR,AIR

SN: 56997-UP

1шт.

9

07042-00108

PLUG

SN: 56997-UP

1шт.

10

6138-11-4840

GASKET (K1)

SN: 66918-UP

1шт.

10

0

GASKET (K1)

SN: 56997-66917

1шт.

11

01435-00825

BOLT

SN: 60925-UP

1шт.

12

01435-00870

BOLT

SN: 60925-UP

2шт.

13

01435-00870

BOLT

SN: 60925-UP

1шт.

14

6137-15-4370

HOSE

SN: 56997-UP

1шт.

15

07281-00709

CLAMP

SN: 56997-UP

2шт.

16

600-815-2170

SWITCH

SN: 56997-UP

1шт.

17

01435-00614

BOLT

SN: 60925-UP

2шт.

18

6138-61-6440

JOINT

SN: 56997-UP

1шт.

19

02720-10204

PLUG

SN: 56997-UP

1шт.

20

6128-61-6831

GASKET (K1)

SN: 67779-UP

1шт.

20

0

CLAMP (K1)

SN: 66918-67778

1шт.

20

0

GASKET (K1)

SN: 56997-66917

1шт.

21

01435-00820

BOLT

SN: 60925-UP

4шт.

22

6138-61-6430

PIPE

SN: 56997-UP

1шт.

23

6138-61-6560

GASKET (K1)

SN: 66918-UP

1шт.

23

0

GASKET (K1)

SN: 56997-66917

1шт.

24

01435-00820

BOLT

SN: 60925-UP

2шт.

25

6162-83-6290

HOSE

SN: 56997-UP

1шт.

26

07281-00419

CLAMP

SN: 56997-UP

2шт.

Выбрано товаров: 66