Запчасти Komatsu SA6D117-1W MARINE КРЕПЛЕНИЕ ДВИГАТЕЛЯ (M-T) MARINE ПРИВОД КОМПОНЕНТЫ

Схема запчастей Komatsu SA6D117-1W - MARINE КРЕПЛЕНИЕ ДВИГАТЕЛЯ (M-T) MARINE ПРИВОД КОМПОНЕНТЫ
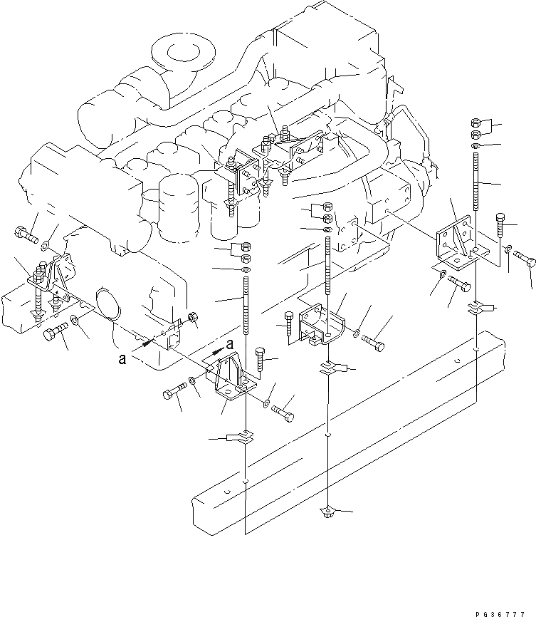
1
2
3
3
4
4
5
6
7
8
8
9
9
10
11
12
13
14
15
16
16
17
17
17
18
18
18
19
20
20
20
21
21
21
22
22
22
FIT
1:1
100%

Артикул

Название

Примечание

Количество

1

6150-25-3731

BRACKET,FRONT¤ L.H.

SN: 35905-UP

1шт.

|1

0

BRACKET,FRONT¤ R.H.

SN: 35827-35904

1шт.

2

6150-25-3741

BRACKET,FRONT¤ L.H.

SN: 35905-UP

1шт.

|2

0

BRACKET,FRONT¤ R.H.

SN: 35827-35904

1шт.

3

01010-51035

BOLT

SN: 35827-UP

8шт.

4

01643-31032

WASHER

SN: 35827-UP

8шт.

5

01011-51025

BOLT

SN: 35827-UP

2шт.

6

01011-51005

BOLT

SN: 35827-UP

3шт.

7

01580-11008

NUT

SN: 35827-UP

2шт.

8

01640-21016

WASHER

SN: 35827-UP

5шт.

9

6151-25-4710

BRACKET,REAR¤ L.H.

SN: 35827-UP

1шт.

10

6151-25-4720

BRACKET,REAR¤ R.H.

SN: 35827-UP

1шт.

11

01010-51640

BOLT

SN: 35827-UP

8шт.

12

01643-31645

WASHER

SN: 35827-UP

8шт.

13

7700-17-4230

BRACKET,MARINE GEAR¤ L.H.

SN: 35827-UP

1шт.

14

7700-17-4240

BRACKET,MARINE GEAR¤ R.H.

SN: 35827-UP

1шт.

15

01010-51845

BOLT

SN: 35827-UP

8шт.

16

01643-31845

WASHER

SN: 35827-UP

8шт.

17

7700-65-2120

STUD

SN: 35827-UP

10шт.

18

7700-65-2400

SHIM ASS'Y

SN: 35827-UP

6шт.

|18

7700-65-2410

SHIM¤ 0.1MM

SN: 35827-UP

4шт.

|18

7700-65-2420

SHIM¤ 0.2MM

SN: 35827-UP

4шт.

|18

7700-65-2430

SHIM¤ 0.5MM

SN: 35827-UP

2шт.

|18

7700-65-2440

SHIM¤ 1.0MM

SN: 35827-UP

2шт.

19

7700-65-2130

WASHER

SN: 35827-UP

10шт.

20

01580-11815

NUT

SN: 35827-UP

20шт.

21

01643-21845

WASHER

SN: 35827-UP

10шт.

22

7700-65-1860

BOLT,JACK

SN: 35827-UP

6шт.

Выбрано товаров: 28