Запчасти Komatsu SA6D125-1AA ТОПЛ. НАСОС И КРЕПЛЕНИЕ ТОПЛИВН. СИСТЕМА

Схема запчастей Komatsu SA6D125-1AA - ТОПЛ. НАСОС И КРЕПЛЕНИЕ ТОПЛИВН. СИСТЕМА
FIT
1:1
100%

Артикул

Название

Примечание

Количество

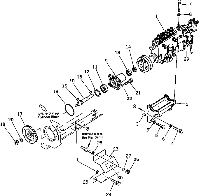
1

6152-75-1240

INJECTION PUMP A.

SN: 44696-UP

1шт.

2

6150-25-6110

BRACKET

SN: 44696-UP

1шт.

3

04020-01024

PIN,DOWEL (SEE FIG.0201)

SN: 44696-UP

2шт.

4

01010-51075

BOLT

SN: 44696-UP

2шт.

5

01010-51055

BOLT

SN: 44696-UP

2шт.

6

01643-31032

WASHER

SN: 44696-UP

4шт.

7

01010-30875

BOLT

SN: 44696-UP

4шт.

8

6110-71-5810

WASHER

SN: 44696-UP

4шт.

|9

6151-71-3100

CASE ASS'Y

SN: 44696-UP

1шт.

9

6151-71-3111

CASE

SN: 44696-UP

1шт.

10

6151-71-3120

SHAFT

SN: 44696-UP

1шт.

11

06030-06307

BEARING

SN: 44696-UP

1шт.

12

04065-08025

RING,SNAP

SN: 44696-UP

1шт.

13

06000-06006

BEARING

SN: 44696-UP

1шт.

14

6151-71-3150

SEAL,OIL (K2)

SN: 44696-UP

1шт.

15

6150-71-3160

KEY

SN: 44696-UP

1шт.

16

04010-00519

KEY

SN: 44696-UP

1шт.

17

6151-71-3210

GEAR,INJECTION

SN: 44696-UP

1шт.

18

07000-62125

O-RING (K2)

SN: 44696-UP

1шт.

19

01583-12414

NUT

SN: 44696-UP

1шт.

20

01643-32460

WASHER

SN: 44696-UP

1шт.

21

01010-51025

BOLT

SN: 44696-UP

4шт.

22

01640-21016

WASHER

SN: 44696-UP

4шт.

23

6152-75-6340

COVER,SAFETY

SN: 44696-UP

1шт.

24

01435-01014

BOLT

SN: 44696-UP

2шт.

25

01640-31032

WASHER

SN: 44696-UP

2шт.

26

01580-01008

NUT

SN: 44696-UP

1шт.

27

01640-21016

WASHER

SN: 44696-UP

1шт.

28

01643-31032

WASHER

SN: 44696-UP

1шт.

29

7700-91-3620

PLATE¤ CAUTION,(JAPANESE)

SN: 44696-UP

1шт.

30

6136-85-2910

PLATE¤ CAUTION,(JAPANESE)

SN: 44696-UP

1шт.

Выбрано товаров: 0