Запчасти Komatsu SA6D125-1HH ВЫПУСКНОЙ КОЛЛЕКТОР ДВИГАТЕЛЬ

Схема запчастей Komatsu SA6D125-1HH - ВЫПУСКНОЙ КОЛЛЕКТОР ДВИГАТЕЛЬ
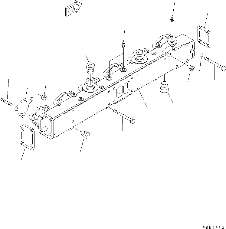
1
2
2
3
4
5
6
7
8
9
10
11
12
13
14
FIT
1:1
100%

Артикул

Название

Примечание

Количество

|1

6151-15-5500

MANIFOLD ASS'Y

SN: 10001-UP

1шт.

1

6151-15-5123

MANIFOLD,EXHAUST

SN: 10001-UP

1шт.

2

07043-51222

PLUG

SN: 10001-UP

4шт.

3

07043-70415

PLUG

SN: 10001-UP

1шт.

4

6151-15-5970

PLUG

SN: 10001-UP

2шт.

5

07043-70415

PLUG

SN: 10001-UP

1шт.

6

07043-70617

PLUG

SN: 10001-UP

1шт.

7

6151-15-5881

GASKET (K1)

SN: 10001-UP

1шт.

8

6151-15-5891

GASKET (K1)

SN: 10001-UP

1шт.

9

6152-15-5830

GASKET

SN: 10001-UP

6шт.

10

01011-E1040

BOLT

SN: 10001-UP

6шт.

11

01011-E1085

BOLT

SN: 10001-UP

1шт.

12

01640-21016

WASHER

SN: 10001-UP

1шт.

13

01140-61035

STUD

SN: 10001-UP

11шт.

14

6114-11-5590

NUT

SN: 10001-UP

11шт.

Выбрано товаров: 15