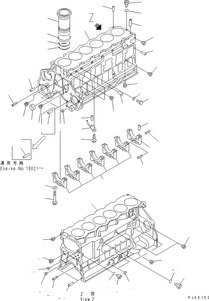
Запчасти Komatsu SA6D125-1HH БЛОК ЦИЛИНДРОВ ДВИГАТЕЛЬ

Схема запчастей Komatsu SA6D125-1HH - БЛОК ЦИЛИНДРОВ ДВИГАТЕЛЬ
1
1
2
3
4
5
6
7
8
8
9
9
9
9
10
10
10
11
12
13
14
15
16
17
18
19
20
21
22
22
23
24
24
24
25
26
27
28
29
30
31
32
33
34
35
36
37
38
39
FIT
1:1
100%

Артикул

Название

Примечание

Количество

|1

6151-25-1202

CYLINDER BLOCK ASS'Y

SN: 10021-UP

1шт.

|1

0

CYLINDER BLOCK ASS'Y

SN: 10001-10020

1шт.

1

0

BLOCK,CYLINDER

SN: 10001-UP

1шт.

2

6150-21-1490

BUSHING,CAMSHAFT

SN: 10001-UP

7шт.

3

0

CAP,MAIN METAL

SN: 10001-UP

6шт.

4

0

CAP,MAIN METAL

SN: 10001-UP

1шт.

5

04020-00514

PIN,DOWEL

SN: 10001-UP

2шт.

6

6150-21-1710

BOLT

SN: 10001-UP

14шт.

7

01643-31645

WASHER

SN: 10001-UP

14шт.

8

07043-50108

PLUG

SN: 10001-UP

5шт.

9

07043-50211

PLUG

SN: 10001-UP

4шт.

10

07043-50617

PLUG

SN: 10001-UP

3шт.

11

07040-12414

PLUG

SN: 10001-UP

1шт.

12

07002-22434

O-RING (K2)

SN: 10001-UP

1шт.

13

07040-13016

PLUG

SN: 10001-UP

1шт.

14

07002-23034

O-RING (K2)

SN: 10001-UP

1шт.

15

07046-43016

PLUG

SN: 10001-UP

2шт.

16

07046-44016

PLUG

SN: 10001-UP

1шт.

17

07046-42816

PLUG

SN: 10001-UP

1шт.

18

07046-42516

PLUG

SN: 10170-UP

1шт.

|18

07046-22516

PLUG

SN: 10001-10169

1шт.

19

07046-21210

PLUG

SN: 10001-UP

4шт.

20

04020-00820

PIN,DOWEL

SN: 10001-UP

12шт.

21

6150-21-1170

TUBE

SN: 10001-UP

1шт.

22

6150-41-2430

PIN

SN: 10021-UP

1шт.

|22

6150-41-2430

PIN

SN: 10001-10020

3шт.

23

6150-41-2440

PIN

SN: 10021-UP

2шт.

24

04025-00408

PIN,SPRING

SN: 10001-10020

6шт.

25

04025-00512

PIN,SPRING

SN: 10001-UP

1шт.

26

6150-21-1180

PLUG

SN: 10001-UP

2шт.

27

6150-21-1190

O-RING (K2)

SN: 10001-UP

2шт.

28

6150-21-4770

PIN,DOWEL

SN: 10001-UP

2шт.

29

6150-41-2430

PIN

SN: 10001-UP

12шт.

30

04020-01024

PIN,DOWEL

SN: 10001-UP

2шт.

31

01050-51012

BOLT

SN: 10001-UP

1шт.

32

07005-01012

GASKET (K2)

SN: 10001-UP

1шт.

|33

6152-25-1800

NOZZLE ASS'Y,PISTON COOLING

SN: 10001-UP

6шт.

33

6152-25-1810

NOZZLE,PISTON COOLING

SN: 10001-UP

1шт.

34

6151-21-1851

PIN

SN: 10001-UP

1шт.

35

01437-01030

BOLT

SN: 10001-UP

6шт.

36

6152-25-2320

LINER,CYLINDER

SN: 10001-UP

6шт.

37

6150-21-2230

O-RING,LOWER (K2)

SN: 10001-UP

6шт.

38

6150-21-2240

O-RING,UPPER (K2)

SN: 10001-UP

6шт.

39

6150-21-2250

SEAL,CLEVIS (K2)

SN: 10001-UP

6шт.

Выбрано товаров: 44