Запчасти Komatsu SA6D125-1T ТОПЛИВН. ФИЛЬТР. И ТРУБЫ ТОПЛИВН. СИСТЕМА

Схема запчастей Komatsu SA6D125-1T - ТОПЛИВН. ФИЛЬТР. И ТРУБЫ ТОПЛИВН. СИСТЕМА
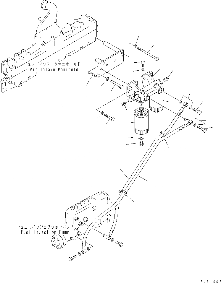
1
2
3
4
5
6
6
7
8
9
10
11
12
12
13
14
15
16
17
17
18
18
19
19
FIT
1:1
100%

Артикул

Название

Примечание

Количество

|$0

6127-71-6203

FUEL FILTER ASS'Y

SN: 31492-UP

1шт.

1

6127-71-6212

BRACKET

SN: 31492-UP

1шт.

2

07043-00312

PLUG

SN: 31492-UP

2шт.

3

07042-00108

PLUG

SN: 31492-UP

1шт.

4

6110-73-6231

PLUG

SN: 31492-UP

2шт.

5

07005-00812

GASKET (K2)

SN: 31492-UP

2шт.

6

600-311-8291

CARTRIDGE

SN: 31492-UP

2шт.

7

6110-73-6231

PLUG

SN: 31492-UP

1шт.

8

07005-00812

GASKET

SN: 31492-UP

1шт.

9

6151-71-6220

BRACKET

SN: 31492-UP

1шт.

10

01011-51075

BOLT,(SEE FIG.0132)

SN: 31492-UP

2шт.

11

01010-51085

BOLT

SN: 31492-UP

2шт.

12

01640-21016

WASHER

SN: 31492-UP

4шт.

13

01010-51030

BOLT

SN: 31492-UP

4шт.

14

01640-21016

WASHER

SN: 31492-UP

4шт.

15

07271-11465

HOSE

SN: 31492-UP

1шт.

16

07271-01470

HOSE

SN: 31492-UP

1шт.

17

07206-31014

BOLT,JOINT

SN: 31492-UP

2шт.

18

07005-01412

GASKET (K2)

SN: 31492-UP

4шт.

19

08034-00414

BAND (K2)

SN: 31492-UP

2шт.

Выбрано товаров: 20