Запчасти Komatsu SA6D125-1Z MARINE КРЕПЛЕНИЕ ДВИГАТЕЛЯ(M-T) АКСЕССУАРЫ

Схема запчастей Komatsu SA6D125-1Z - MARINE КРЕПЛЕНИЕ ДВИГАТЕЛЯ(M-T) АКСЕССУАРЫ
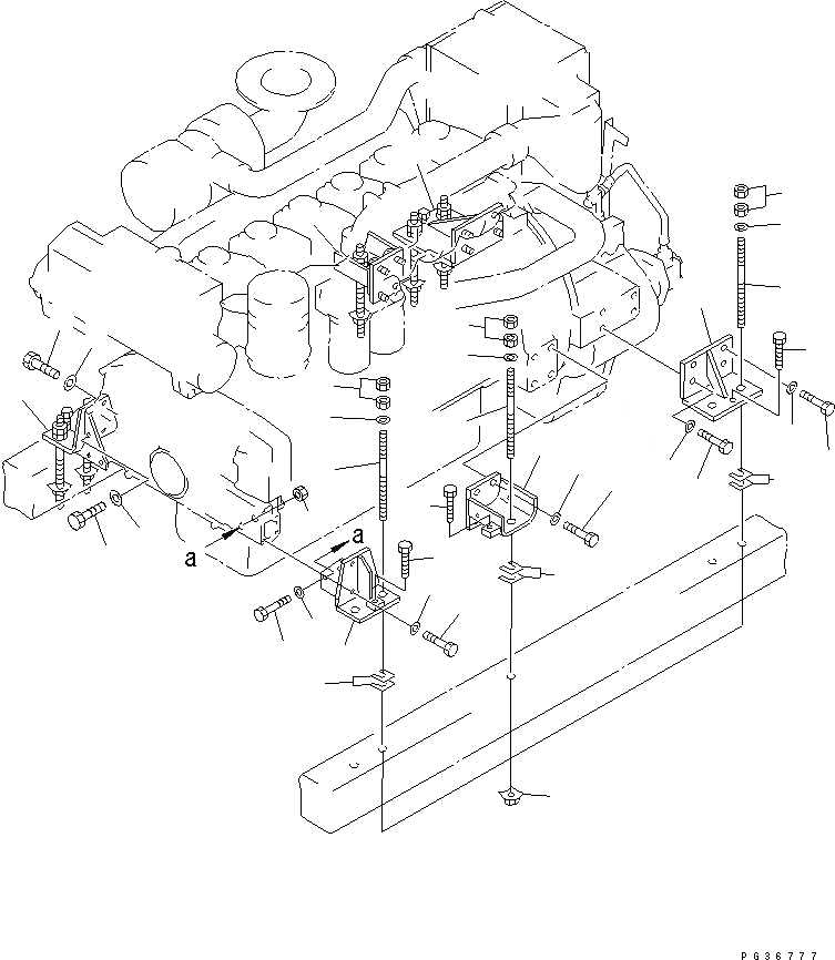
1
2
3
3
4
4
5
6
7
8
8
9
9
10
11
12
13
14
15
16
16
17
17
17
18
18
18
19
20
20
20
21
21
21
22
22
22
FIT
1:1
100%

Артикул

Название

Примечание

Количество

1

6150-25-3731

BRACKET,FRONT¤ L.H.

SN: 44217-UP

1шт.

2

6150-25-3741

BRACKET,FRONT¤ R.H.

SN: 44217-UP

1шт.

3

01010-51035

BOLT

SN: 44217-UP

8шт.

4

01643-31032

WASHER

SN: 44217-UP

8шт.

5

01011-51025

BOLT

SN: 44217-UP

2шт.

6

01011-51005

BOLT

SN: 44217-UP

3шт.

7

01580-11008

NUT

SN: 44217-UP

2шт.

8

01640-21016

WASHER

SN: 44217-UP

5шт.

9

6151-25-4710

BRACKET,REAR

SN: 44217-UP

2шт.

10

01010-51640

BOLT

SN: 44217-UP

8шт.

11

01643-31645

WASHER

SN: 44217-UP

8шт.

12

7700-17-4230

BRACKET,MARINE GEAR¤ L.H.

SN: 44217-UP

1шт.

13

7700-17-4240

BRACKET,MARINE GEAR¤ R.H.

SN: 44217-UP

1шт.

14

01010-51845

BOLT

SN: 44217-UP

6шт.

15

01010-51850

BOLT

SN: 44217-UP

2шт.

16

01643-31845

WASHER

SN: 44217-UP

8шт.

17

7700-65-2120

STUD

SN: 44217-UP

10шт.

18

7700-65-2400

SHIM ASS'Y (K2)

SN: 44217-UP

6шт.

|18

7700-65-2410

SHIM¤ 0.1MM

SN: 44217-UP

4шт.

|18

7700-65-2420

SHIM¤ 0.2MM

SN: 44217-UP

4шт.

|18

7700-65-2430

SHIM¤ 0.5MM

SN: 44217-UP

2шт.

|18

7700-65-2440

SHIM¤ 1.0MM

SN: 44217-UP

2шт.

19

7700-65-2130

WASHER

SN: 44217-UP

10шт.

20

01580-11815

NUT

SN: 44217-UP

20шт.

21

01643-21845

WASHER

SN: 44217-UP

10шт.

22

7700-65-1860

BOLT,JACK

SN: 44217-UP

6шт.

Выбрано товаров: 26