Качественные детали и логистика
Оригинальные и аналоговые запчасти с доставкой по России, Казахстану и Беларуси
©2022 PartSell ООО "Система" ИНН 2463123282 ОГРН 1212400004838
Центральный офис: г. Красноярск, Академика Киренского, д.87, пом.4
Телефон: 8 (800) 777-65-74 Email: zakaz@partsell.ru
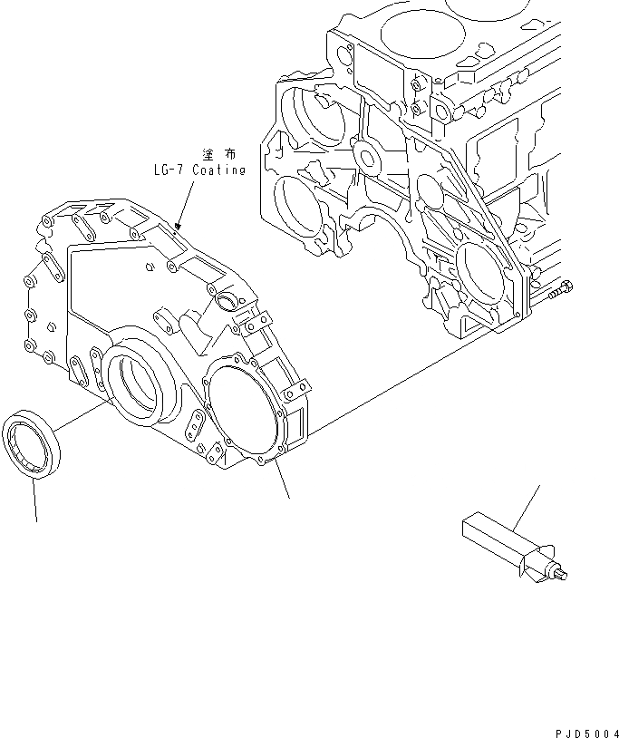
ПЕРЕДН. COVER(№9-)
№
Артикул
Название
Примечание
Количество
1
6152-22-3141
COVER,FRONT
SN: 78602-UP
1шт.
0
SN: 65905-78601
2
6150-21-3230
SEAL, FRONT (K2)
SN: 65905-UP
3
09920-00150
LIQUID GASKET,LG-7, 150G
-2шт.
Выбрано товаров: 0