Запчасти Komatsu SA6D125E-2A-57 ВОДЯНАЯ ПОМПА(№9-) ДВИГАТЕЛЬ

Схема запчастей Komatsu SA6D125E-2A-57 - ВОДЯНАЯ ПОМПА(№9-) ДВИГАТЕЛЬ
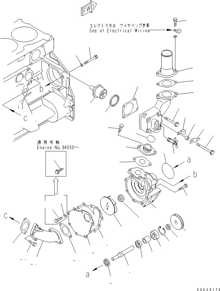
1
2
3
4
5
6
7
8
9
10
11
12
13
14
14
15
16
17
18
19
20
21
22
23
24
24
25
26
27
28
29
30
31
32
33
34
35
36
37
38
39
FIT
1:1
100%

Артикул

Название

Примечание

Количество

|$1

6151-62-1201

WATER PUMP ASS'Y

SN: 69113-UP

1шт.

1

0

BODY

SN: 92629-UP

1шт.

1

0

BODY

SN: 69113-92628

1шт.

2

6150-61-1510

SEAL,OIL (K6)

SN: 69113-UP

1шт.

3

06030-06004

BEARING,BALL

SN: 69113-UP

1шт.

4

06030-06304

BEARING,BALL

SN: 69113-UP

1шт.

5

6150-61-1350

SPACER

SN: 69113-UP

1шт.

6

04065-05220

RING,SNAP

SN: 69113-UP

1шт.

7

6151-61-1360

SPACER

SN: 69113-UP

1шт.

8

6124-61-1242

SEAL, WATER

SN: 69113-UP

1шт.

9

6151-62-1310

SHAFT

SN: 69113-UP

1шт.

10

6151-61-1210

IMPELLER

SN: 69113-UP

1шт.

11

6150-61-1410

GEAR

SN: 69113-UP

1шт.

12

6151-61-1151

COVER

SN: 69113-UP

1шт.

13

6151-61-1162

GASKET (K6)

SN: 69113-UP

1шт.

14

01435-00816

BOLT

SN: 94050-UP

6шт.

14

0

BOLT

SN: 69113-94049

6шт.

15

01602-20825

WASHER,SPRING

SN: 69113-94049

6шт.

16

07000-72115

O-RING

SN: 82451-UP

1шт.

16

0

O-RING (K6)

SN: 69113-82450

1шт.

17

01011-81010

BOLT

SN: 69113-UP

3шт.

18

01640-21016

WASHER

SN: 69113-UP

3шт.

19

6150-62-6510

CONNECTOR

SN: 69113-UP

1шт.

20

6156-61-6520

O-RING (K6)

SN: 98982-UP

1шт.

20

02893-05037

O-RING (K6)

SN: 69113-98981

1шт.

21

6150-61-1821

GASKET (K6)

SN: 69113-UP

1шт.

22

01010-81020

BOLT

SN: 69113-UP

2шт.

23

6151-61-6311

CONNECTOR

SN: 69113-UP

1шт.

24

6150-61-1821

GASKET (K6)

SN: 69113-UP

2шт.

25

01010-81030

BOLT

SN: 69113-UP

2шт.

26

01010-81035

BOLT

SN: 69113-UP

2шт.

27

6150-22-6410

HOUSING,THERMOSTAT

SN: 69113-UP

1шт.

28

6150-22-6490

GASKET (K2,K6)

SN: 69113-UP

1шт.

29

01437-01065

BOLT

SN: 69113-UP

1шт.

30

09482-20000

VALVE

SN: 69113-UP

1шт.

31

6210-61-6260

CONNECTOR

SN: 69113-UP

1шт.

32

6210-61-6441

GASKET (K2)

SN: 69113-UP

1шт.

33

01010-81025

BOLT

SN: 69113-UP

2шт.

34

600-421-6630

THERMOSTAT

SN: 69113-UP

1шт.

35

6162-13-6440

SEAL (K2)

SN: 69113-UP

1шт.

36

01010-81085

BOLT

SN: 69113-UP

1шт.

37

08053-01510

CLIP

SN: 69113-UP

1шт.

38

6631-11-6390

SPACER

SN: 69113-UP

1шт.

39

04434-51610

CLIP

SN: 69113-UP

1шт.

Выбрано товаров: 44