Запчасти Komatsu SA6D125E-2A-7 ТОПЛ. НАСОС (НАСОС) (/) (ВНУТР. ЧАСТИ)(№77-) ДВИГАТЕЛЬ

Схема запчастей Komatsu SA6D125E-2A-7 - ТОПЛ. НАСОС (НАСОС) (/) (ВНУТР. ЧАСТИ)(№77-) ДВИГАТЕЛЬ
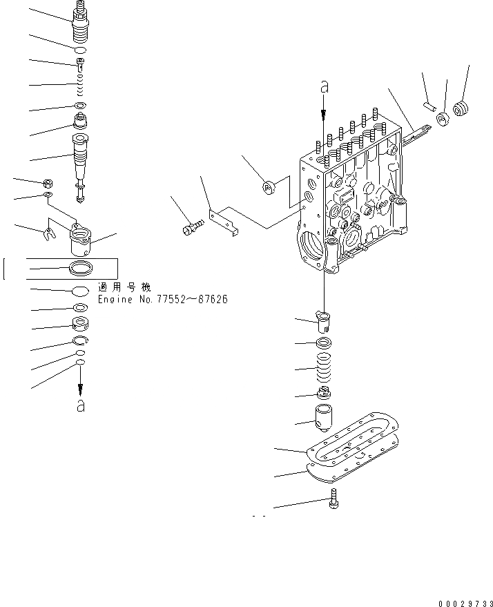
1
2
3
4
5
6
7
8
9
10
11
12
13
14
15
16
17
18
19
19
20
21
22
23
24
25
26
27
28
29
30
31
32
FIT
1:1
100%

Артикул

Название

Примечание

Количество

|$1

6152-72-1251

INJECTION PUMP ASS'Y

SN: 87627-UP

1шт.

|$2

0

INJECTION PUMP ASS'Y

SN: 77552-87626

1шт.

|$$3

THESE ASSEMBLIES CONSIST OF ALL PARTS SHOWN IN FIGS.A4010-B3R4 T0 A4010-G3R4.

-1шт.

|$6

DK106067-1821

PUMP ASS'Y

SN: 87627-UP

1шт.

|$7

DK106067-1820

PUMP ASS'Y

SN: 77552-87626

1шт.

|$$6

THESE ASSEMBLIES CONSIST OF ALL PARTS SHOWN IN FIGS.A4010-B3R4 AND A4010-C3R4.

-1шт.

|$9

DK134166-6320

PLUNGER BLOCK A.

SN: 87627-UP

6шт.

|$10

DK134166-1520

PLUNGER BLOCK A.

SN: 77552-87626

6шт.

1

DK134131-1920

FLANGE

SN: 87627-UP

1шт.

1

DK134131-1020

FLANGE

SN: 77552-87626

1шт.

2

DK134153-9020

PLUNGER ASS'Y

SN: 77552-UP

1шт.

3

DK134110-8920

VALVE,DELIVERY

SN: 77552-UP

1шт.

4

DK134116-4720

HOLDER,DELIVERY VALVE

SN: 77552-UP

1шт.

5

DK029632-0400

O-RING

SN: 87627-UP

1шт.

5

DK029632-2070

O-RING

SN: 77552-87926

1шт.

6

DK134117-0500

STOPPER

SN: 77552-UP

1шт.

7

DK134112-2000

SPRING

SN: 77552-UP

1шт.

8

DK134115-0100

GASKET

SN: 77552-UP

1шт.

9

DK029302-0140

WASHER

SN: 77552-UP

1шт.

10

DK134135-0400

DEFLECTOR

SN: 87627-UP

1шт.

10

DK134135-0200

DEFLECTOR

SN: 77552-87626

1шт.

11

DK029602-0010

RING,SNAP

SN: 77552-UP

1шт.

12

DK134137-0100

RING

SN: 77552-87626

1шт.

13

DK139729-0400

O-RING

SN: 87267-UP

1шт.

13

DK029632-9030

O-RING

SN: 77552-87626

1шт.

14

DK139715-0400

O-RING

SN: 87627-UP

1шт.

14

DK029631-5020

O-RING

SN: 77552-87626

1шт.

15

DK139715-0400

O-RING

SN: 87627-UP

1шт.

15

DK029631-5020

O-RING

SN: 77552-87626

1шт.

16

DK139400-0900

SHIM, 0.500MM

SN: 77552-UP

-2шт.

16

DK139400-1000

SHIM, 0.525MM

SN: 77552-UP

-2шт.

16

DK139400-1100

SHIM, 0.550MM

SN: 77552-UP

-2шт.

16

DK139400-1200

SHIM, 0.575MM

SN: 77552-UP

-2шт.

16

DK139400-1300

SHIM, 0.600MM

SN: 77552-UP

-2шт.

16

DK139400-1400

SHIM, 0.625MM

SN: 77552-UP

-2шт.

16

DK139400-1500

SHIM, 0.650MM

SN: 77552-UP

-2шт.

16

DK139400-1600

SHIM, 0.675MM

SN: 77552-UP

-2шт.

16

DK139400-1700

SHIM, 0.700MM

SN: 77552-UP

-2шт.

16

DK139400-1800

SHIM, 0.725MM

SN: 77552-UP

-2шт.

16

DK139400-1900

SHIM, 0.750MM

SN: 77552-UP

-2шт.

16

DK139400-2000

SHIM, 0.775MM

SN: 77552-UP

-2шт.

16

DK139400-2100

SHIM, 0.800MM

SN: 77552-UP

-2шт.

16

DK139400-2200

SHIM, 0.825MM

SN: 77552-UP

-2шт.

16

DK139400-2300

SHIM, 0.850MM

SN: 77552-UP

-2шт.

16

DK139400-2400

SHIM, 0.875MM

SN: 77552-UP

-2шт.

16

DK139400-2500

SHIM, 0.900MM

SN: 77552-UP

-2шт.

16

DK139400-2600

SHIM, 0.925MM

SN: 77552-UP

-2шт.

16

DK139400-2700

SHIM, 0.950MM

SN: 77552-UP

-2шт.

16

DK139400-2800

SHIM, 0.975MM

SN: 77552-UP

-2шт.

16

DK139400-2900

SHIM, 1.000MM

SN: 77552-UP

-2шт.

16

DK139400-3000

SHIM, 1.025MM

SN: 77552-UP

-2шт.

16

DK139400-3100

SHIM, 1.050MM

SN: 77552-UP

-2шт.

16

DK139400-3200

SHIM, 1.075MM

SN: 77552-UP

-2шт.

16

DK139400-3300

SHIM, 1.100MM

SN: 77552-UP

-2шт.

16

DK139400-3400

SHIM, 1.125MM

SN: 77552-UP

-2шт.

16

DK139400-3500

SHIM, 1.150MM

SN: 77552-UP

-2шт.

16

DK139400-3600

SHIM, 1.175MM

SN: 77552-UP

-2шт.

16

DK139400-3700

SHIM, 1.200MM

SN: 77552-UP

-2шт.

16

DK139400-3800

SHIM, 1.225MM

SN: 77552-UP

-2шт.

16

DK139400-3900

SHIM, 1.250MM

SN: 77552-UP

-2шт.

16

DK139400-4000

SHIM, 1.275MM

SN: 77552-UP

-2шт.

16

DK139400-4100

SHIM, 1.300MM

SN: 77552-UP

-2шт.

16

DK139400-4200

SHIM, 1.325MM

SN: 77552-UP

-2шт.

16

DK139400-4300

SHIM, 1.350MM

SN: 77552-UP

-2шт.

16

DK139400-4400

SHIM, 1.375MM

SN: 77552-UP

-2шт.

16

DK139400-4500

SHIM, 1.400MM

SN: 77552-UP

-2шт.

16

DK139400-4600

SHIM, 1.425MM

SN: 77552-UP

-2шт.

16

DK139400-4700

SHIM, 1.450MM

SN: 77552-UP

-2шт.

16

DK139400-4800

SHIM, 1.475MM

SN: 77552-UP

-2шт.

16

DK139400-4900

SHIM, 1.500MM

SN: 77552-UP

-2шт.

16

DK139400-5000

SHIM, 1.525MM

SN: 77552-UP

-2шт.

16

DK139400-5100

SHIM, 1.550MM

SN: 77552-UP

-2шт.

16

DK139400-5200

SHIM, 1.575MM

SN: 77552-UP

-2шт.

16

DK139400-5300

SHIM, 1.600MM

SN: 77552-UP

-2шт.

16

DK139400-5400

SHIM, 1.625MM

SN: 77552-UP

-2шт.

16

DK139400-5500

SHIM, 1.650MM

SN: 77552-UP

-2шт.

16

DK139400-5600

SHIM, 1.675MM

SN: 77552-UP

-2шт.

16

DK139400-5700

SHIM, 1.700MM

SN: 77552-UP

-2шт.

16

DK139400-5800

SHIM, 1.725MM

SN: 77552-UP

-2шт.

16

DK139400-5900

SHIM, 1.750MM

SN: 77552-UP

-2шт.

16

DK139400-6000

SHIM, 1.775MM

SN: 77552-UP

-2шт.

16

DK139400-6100

SHIM, 1.800MM

SN: 77552-UP

-2шт.

16

DK139400-6200

SHIM, 1.825MM

SN: 77552-UP

-2шт.

16

DK139400-6300

SHIM, 1.850MM

SN: 77552-UP

-2шт.

16

DK139400-6400

SHIM, 1.875MM

SN: 77552-UP

-2шт.

16

DK139400-6500

SHIM, 1.900MM

SN: 77552-UP

-2шт.

16

DK139400-6600

SHIM, 1.925MM

SN: 77552-UP

-2шт.

16

DK139400-6700

SHIM, 1.950MM

SN: 77552-UP

-2шт.

16

DK139400-6800

SHIM, 1.975MM

SN: 77552-UP

-2шт.

17

DK134132-0300

WASHER

SN: 77552-UP

12шт.

18

DK013021-0040

NUT

SN: 77552-UP

12шт.

19

DK134001-0000

BUSHING

SN: 77552-UP

2шт.

20

DK134256-4500

RACK,CONTROL

SN: 77552-UP

1шт.

20

DK134256-0000

RACK,CONTROL

SN: 77552-87626

1шт.

21

DK024030-2030

PIN

SN: 77552-UP

1шт.

22

DK134222-0000

BUSHING

SN: 77552-UP

1шт.

23

DK134241-0320

SLEEVE,CONTROL

SN: 77552-UP

6шт.

24

DK134216-0000

SEAT,SPRING

SN: 77552-UP

6шт.

25

DK134215-0700

SPRING,PLUNGER

SN: 77552-UP

6шт.

26

DK134217-0500

SEAT,SPRING

SN: 77552-UP

6шт.

27

DK134200-0420

TAPPET ASS'Y

SN: 77552-UP

6шт.

27

DK134204-0100

ROLLER

SN: 77552-UP

1шт.

27

DK134205-0000

BUSHING

SN: 77552-UP

1шт.

27

DK134203-0000

PIN

SN: 77552-UP

1шт.

27

DK131206-0500

GUIDE

SN: 77552-UP

1шт.

28

DK134043-0800

COVER

SN: 77552-UP

1шт.

29

DK134042-1400

GASKET

SN: 77552-UP

1шт.

30

DK012206-1640

SCREW

SN: 77552-UP

12шт.

31

DK134496-0100

POINTER

SN: 77552-UP

1шт.

32

DK020006-1240

BOLT

SN: 77552-UP

2шт.

Выбрано товаров: 110