Запчасти Komatsu SA6D125E-2A-C7 МАСЛОПРОВОДЯЩИЕ ТРУБКИ ТУРБОНАГНЕТАТЕЛЯ ДВИГАТЕЛЬ

Схема запчастей Komatsu SA6D125E-2A-C7 - МАСЛОПРОВОДЯЩИЕ ТРУБКИ ТУРБОНАГНЕТАТЕЛЯ ДВИГАТЕЛЬ
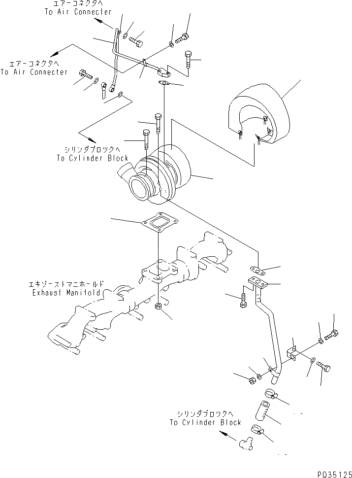
1
2
3
4
5
6
7
8
9
9
10
11
12
12
13
13
14
14
15
16
17
18
19
19
20
21
22
23
24
25
26
26
FIT
1:1
100%

Артикул

Название

Примечание

Количество

1

6152-82-8210

TURBOCHARGER ASS'Y,(SEE FIG.A1530-B3D8)

SN: 60721-UP

1шт.

2

6151-11-5710

GASKET (K1)

SN: 60721-UP

1шт.

3

01050-61045

BOLT

SN: 60721-UP

2шт.

4

01010-E1035

BOLT

SN: 60721-UP

2шт.

5

6114-11-5590

NUT

SN: 60721-UP

2шт.

6

6152-12-5410

COVER

SN: 60721-UP

1шт.

7

6151-51-8242

TUBE,OIL

SN: 60721-UP

1шт.

8

07206-31014

BOLT,JOINT

SN: 74372-UP

1шт.

|8

0

BOLT,JOINT

SN: 60721-74371

1шт.

9

07005-01412

GASKET (K1)

SN: 60721-UP

2шт.

10

6221-51-8160

GASKET (K1)

SN: 60721-UP

1шт.

11

01010-80830

BOLT

SN: 60721-UP

2шт.

12

6151-53-8280

CLIP

SN: 60721-UP

2шт.

13

01010-81016

BOLT

SN: 60721-UP

2шт.

14

01640-21016

WASHER

SN: 60721-UP

2шт.

15

6152-52-8350

TUBE,OIL

SN: 60721-UP

1шт.

16

6151-51-8721

GASKET (K1)

SN: 60721-UP

1шт.

17

01010-80820

BOLT

SN: 60721-UP

2шт.

18

6210-51-8110

HOSE

SN: 60721-UP

1шт.

19

07281-00359

CLAMP

SN: 60721-UP

2шт.

20

6151-51-8380

PLATE

SN: 60721-UP

1шт.

21

01010-81030

BOLT

SN: 60721-UP

1шт.

22

01640-21016

WASHER

SN: 60721-UP

1шт.

23

04434-52110

CLIP

SN: 63699-UP

1шт.

|23

6600-01-5950

CLIP

SN: 60721-63698

1шт.

24

01010-81020

BOLT

SN: 60721-UP

1шт.

25

01580-11008

NUT

SN: 60721-UP

1шт.

26

01640-21016

WASHER

SN: 60721-UP

2шт.

Выбрано товаров: 28