Качественные детали и логистика
Оригинальные и аналоговые запчасти с доставкой по России, Казахстану и Беларуси
©2022 PartSell ООО "Система" ИНН 2463123282 ОГРН 1212400004838
Центральный офис: г. Красноярск, Академика Киренского, д.87, пом.4
Телефон: 8 (800) 777-65-74 Email: zakaz@partsell.ru
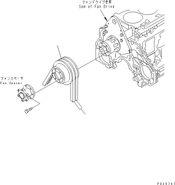
ШКИВ ВЕНТИЛЯТОРА (ЗАКАЛЕНН. ШКИВ) (ШКИВ DIA 98MM)(№-)
№
Артикул
Название
Примечание
Количество
1
6151-61-3361
PULLEY¤ HARDENING
SN: 63014-UP
1шт.
2
04121-22261
V-BELT SET
Выбрано товаров: 0