Запчасти Komatsu SA6D125E-2C-S7 МАСЛ. АДАПТЕР(№89-) ДВИГАТЕЛЬ

Схема запчастей Komatsu SA6D125E-2C-S7 - МАСЛ. АДАПТЕР(№89-) ДВИГАТЕЛЬ
1
2
3
4
5
6
7
8
9
10
11
12
13
14
15
16
16
17
17
18
19
20
21
22
22
23
24
1
2
3
4
5
6
7
8
9
10
11
12
13
14
15
16
16
17
17
18
19
20
21
22
22
23
24
FIT
1:1
100%

Артикул

Название

Примечание

Количество

|1

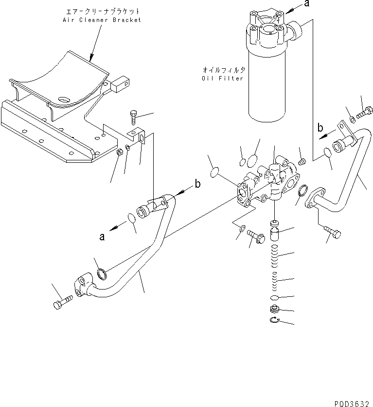
6151-52-5600

ADAPTER ASS'Y

SN: 61589-UP

1шт.

1

0

BODY

SN: 61589-UP

1шт.

2

07043-00312

PLUG

SN: 61589-UP

1шт.

3

6150-51-5622

VALVE

SN: 61589-UP

1шт.

4

6151-51-5690

SPRING,INNER

SN: 61589-UP

1шт.

5

6150-51-5641

PLUG

SN: 61589-UP

1шт.

6

6151-51-5680

SPRING,OUTER

SN: 61589-UP

1шт.

7

07000-72020

O-RING

SN: 82451-UP

1шт.

|7

0

O-RING

SN: 61589-82450

1шт.

8

04065-02412

RING,SNAP

SN: 61589-UP

1шт.

9

07000-72020

O-RING

SN: 82451-UP

1шт.

|9

0

O-RING (K2)

SN: 61589-82450

1шт.

10

07000-73028

O-RING

SN: 82451-UP

1шт.

|10

0

O-RING (K2)

SN: 61589-82450

1шт.

11

07000-73035

O-RING

SN: 82451-UP

1шт.

|11

0

O-RING (K2)

SN: 61589-82450

1шт.

12

6150-81-9370

BOLT

SN: 61589-UP

4шт.

13

01640-21016

WASHER

SN: 61589-UP

4шт.

14

6152-52-5750

TUBE,OIL

SN: 61589-UP

1шт.

15

6152-52-5760

TUBE,OIL

SN: 61589-UP

1шт.

16

6124-61-2181

GROMMET (K2)

SN: 61589-UP

2шт.

17

07000-73025

O-RING

SN: 82451-UP

2шт.

|17

0

O-RING (K2)

SN: 61589-82450

2шт.

18

01010-81030

BOLT

SN: 61589-UP

2шт.

19

01010-81050

BOLT

SN: 61589-UP

2шт.

20

01010-81030

BOLT

SN: 61589-UP

1шт.

21

01580-11008

NUT

SN: 61589-UP

1шт.

22

01643-31032

WASHER

SN: 61589-UP

2шт.

23

6151-51-8380

PLATE

SN: 61589-UP

1шт.

24

01010-81016

BOLT

SN: 61589-UP

1шт.

|1

6151-52-5600

ADAPTER ASS'Y

SN: 61589-UP

1шт.

1

0

BODY

SN: 61589-UP

1шт.

2

07043-00312

PLUG

SN: 61589-UP

1шт.

3

6150-51-5622

VALVE

SN: 61589-UP

1шт.

4

6151-51-5690

SPRING,INNER

SN: 61589-UP

1шт.

5

6150-51-5641

PLUG

SN: 61589-UP

1шт.

6

6151-51-5680

SPRING,OUTER

SN: 61589-UP

1шт.

7

07000-72020

O-RING

SN: 82451-UP

1шт.

|7

0

O-RING

SN: 61589-82450

1шт.

8

04065-02412

RING,SNAP

SN: 61589-UP

1шт.

9

07000-72020

O-RING

SN: 82451-UP

1шт.

|9

0

O-RING (K2)

SN: 61589-82450

1шт.

10

07000-73028

O-RING

SN: 82451-UP

1шт.

|10

0

O-RING (K2)

SN: 61589-82450

1шт.

11

07000-73035

O-RING

SN: 82451-UP

1шт.

|11

0

O-RING (K2)

SN: 61589-82450

1шт.

12

6150-81-9370

BOLT

SN: 61589-UP

4шт.

13

01640-21016

WASHER

SN: 61589-UP

4шт.

14

6152-52-5750

TUBE,OIL

SN: 61589-UP

1шт.

15

6152-52-5760

TUBE,OIL

SN: 61589-UP

1шт.

16

6124-61-2181

GROMMET (K2)

SN: 61589-UP

2шт.

17

07000-73025

O-RING

SN: 82451-UP

2шт.

|17

0

O-RING (K2)

SN: 61589-82450

2шт.

18

01010-81030

BOLT

SN: 61589-UP

2шт.

19

01010-81050

BOLT

SN: 61589-UP

2шт.

20

01010-81030

BOLT

SN: 61589-UP

1шт.

21

01580-11008

NUT

SN: 61589-UP

1шт.

22

01643-31032

WASHER

SN: 61589-UP

2шт.

23

6151-51-8380

PLATE

SN: 61589-UP

1шт.

24

01010-81016

BOLT

SN: 61589-UP

1шт.

Выбрано товаров: 60