Запчасти Komatsu SA6D125E-2L-7 СТОП МОТОР ДВИГАТЕЛЯ(№879-) ДВИГАТЕЛЬ

Схема запчастей Komatsu SA6D125E-2L-7 - СТОП МОТОР ДВИГАТЕЛЯ(№879-) ДВИГАТЕЛЬ
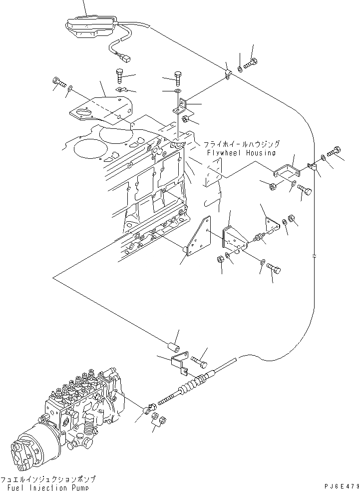
1
2
3
4
5
6
7
8
9
10
11
12
13
13
14
14
15
15
16
16
17
18
19
20
21
22
23
23
24
24
25
26
27
28
29
FIT
1:1
100%

Артикул

Название

Примечание

Количество

1

600-815-7650

MOTOR,ENGINE STOP

SN: 87496-UP

1шт.

2

6152-82-7260

BRACKET

SN: 87496-UP

1шт.

3

01010-61430

BOLT

SN: 87496-UP

3шт.

4

01640-21426

WASHER

SN: 87496-UP

3шт.

5

08053-00910

CLIP

SN: 87496-UP

1шт.

6

01010-81016

BOLT

SN: 87496-UP

1шт.

7

6162-23-5840

PLATE

SN: 87496-UP

1шт.

8

01010-81225

BOLT

SN: 87496-UP

1шт.

9

01640-21223

WASHER

SN: 87496-UP

1шт.

10

6143-21-5580

BRACKET

SN: 87496-UP

1шт.

11

01010-61425

BOLT

SN: 87496-UP

1шт.

12

01640-21426

WASHER

SN: 87496-UP

1шт.

13

04434-50608

CLIP

SN: 87496-UP

2шт.

14

01010-80816

BOLT

SN: 87496-UP

2шт.

15

01580-10806

NUT

SN: 87496-UP

2шт.

16

01640-20816

WASHER

SN: 87496-UP

2шт.

17

6152-72-8731

BRACKET

SN: 87496-UP

1шт.

18

01010-81065

BOLT

SN: 87496-UP

2шт.

19

6143-11-4290

SPACER

SN: 87496-UP

2шт.

20

04250-40639

END,ROD

SN: 87496-UP

1шт.

21

01580-10605

NUT

SN: 87496-UP

2шт.

22

424-43-11240

CUSHION

SN: 87496-UP

3шт.

23

424-43-11250

WASHER

SN: 87496-UP

6шт.

24

01580-10605

NUT

SN: 87496-UP

6шт.

25

421-43-11280

BRACKET

SN: 87496-UP

1шт.

26

421-43-11271

BRACKET

SN: 87496-UP

1шт.

27

01010-80820

BOLT

SN: 87496-UP

2шт.

28

01640-20816

WASHER

SN: 87496-UP

2шт.

29

421-43-11261

PLATE

SN: 87496-UP

1шт.

Выбрано товаров: 29