Запчасти Komatsu SA6D125E-3D-MS ТОПЛИВН. НАСОС И COMMON RAIL (НИЗ. VISCOSITY ТОПЛИВН. СПЕЦ-Я.)(№-) ДВИГАТЕЛЬ

Схема запчастей Komatsu SA6D125E-3D-MS - ТОПЛИВН. НАСОС И COMMON RAIL (НИЗ. VISCOSITY ТОПЛИВН. СПЕЦ-Я.)(№-) ДВИГАТЕЛЬ
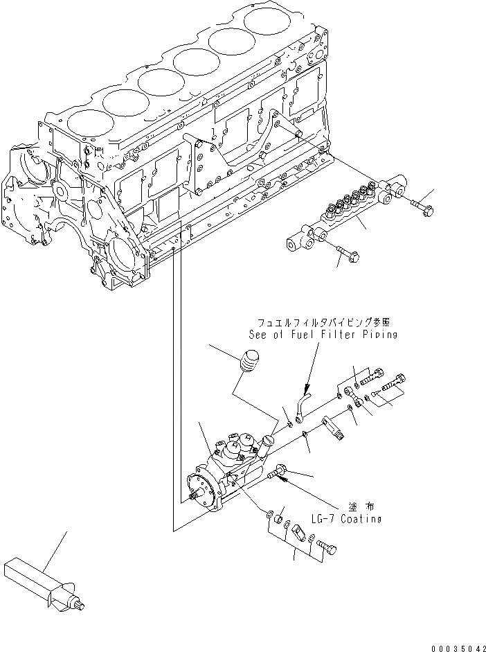
1
1
1
1
1
1
1
2
3
4
5
6
7
7
8
FIT
1:1
100%

Артикул

Название

Примечание

Количество

1

6156-71-1132

FUEL PUMP ASS'Y,(SEE FIG.A4010-C3Y3)

SN: 324542-UP

1шт.

1

0

FUEL PUMP ASS'Y,(SEE FIG.A4010-C3Y3)

SN: 316116-324541

1шт.

1

0

FUEL PUMP ASS'Y,(SEE FIG.A4010-C3Y3)

SN: 315360-316115

1шт.

2

01435-01035

BOLT

SN: 315360-UP

4шт.

3

6217-71-5910

TUBE

SN: 315360-UP

1шт.

4

6217-71-1910

COVER

SN: 315360-UP

1шт.

5

6151-51-8490

SPACER

SN: 315360-UP

1шт.

6

6217-71-1211

RAIL ASS'Y,(SEE FIG.A4010-E3Y3)

SN: 315360-UP

1шт.

7

01435-01050

BOLT

SN: 315360-UP

2шт.

8

09920-00150

LIQUID GASKET,LG-7,150G

SN: 315360-UP

-2шт.

Выбрано товаров: 10