Запчасти Komatsu SA6D132-1MM ТУРБОНАГНЕТАТЕЛЬ И ВЫПУСКН. ПАТРУБОК ДВИГАТЕЛЬ

Схема запчастей Komatsu SA6D132-1MM - ТУРБОНАГНЕТАТЕЛЬ И ВЫПУСКН. ПАТРУБОК ДВИГАТЕЛЬ
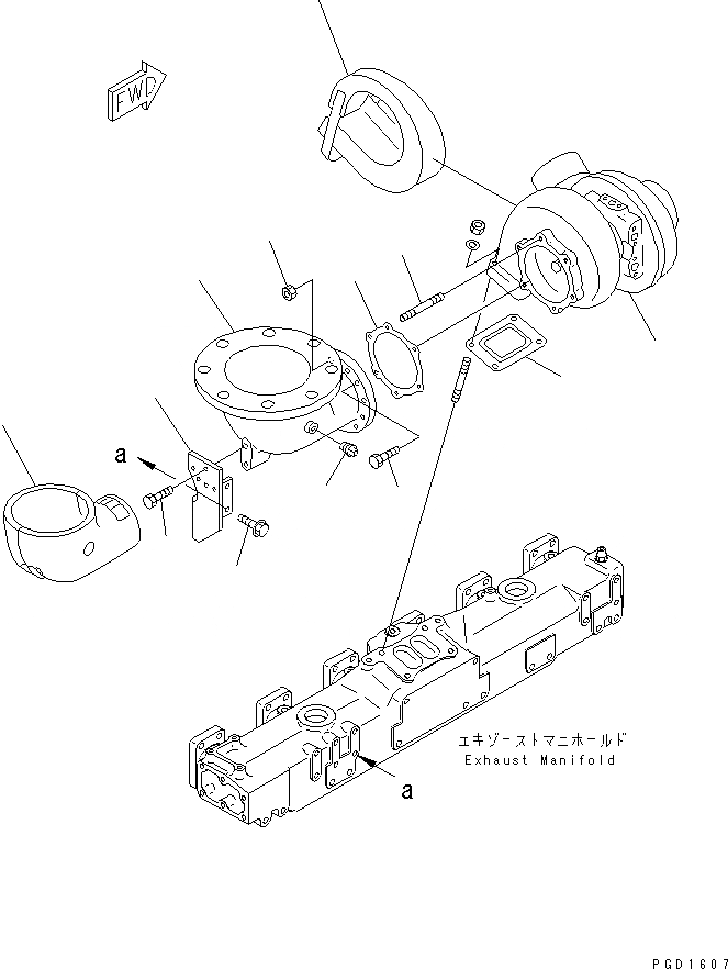
1
2
3
4
5
6
7
8
9
10
10
11
12
FIT
1:1
100%

Артикул

Название

Примечание

Количество

1

6505-55-6050

TURBOCHARGER ASS'Y,(SEE FIG.A1530-B4E7A)

SN: 10001-UP

1шт.

2

6212-15-5831

GASKET (K1)

SN: 10001-UP

1шт.

3

6151-11-8550

STUD

SN: 10001-UP

2шт.

4

6114-11-5590

NUT

SN: 10001-UP

2шт.

5

6212-15-5610

CONNECTOR

SN: 10001-UP

1шт.

6

6151-15-5970

PLUG

SN: 10001-UP

1шт.

7

6212-11-5940

GASKET (K1)

SN: 10001-UP

1шт.

8

6212-15-5620

BRACKET

SN: 10001-UP

1шт.

9

01435-01025

BOLT

SN: 10001-UP

4шт.

10

01020-11025

BOLT

SN: 10001-UP

6шт.

|11

6212-15-5700

COVER ASS'Y

SN: 10067-UP

1шт.

11

6212-15-5730

COVER,TURBOCHARGER

SN: 10067-UP

1шт.

|11

0

COVER,TURBOCHARGER

SN: 10001-10066

1шт.

12

6212-15-5740

COVER,EXHAUST CONNECTOR

SN: 10067-UP

1шт.

|12

0

COVER,EXHAUST CONNECTOR

SN: 10001-10066

1шт.

Выбрано товаров: 15