Запчасти Komatsu SA6D132-1W БЛОК ЦИЛИНДРОВ COVER БЛОК ЦИЛИНДРОВ

Схема запчастей Komatsu SA6D132-1W - БЛОК ЦИЛИНДРОВ COVER БЛОК ЦИЛИНДРОВ
FIT
1:1
100%

Артикул

Название

Примечание

Количество

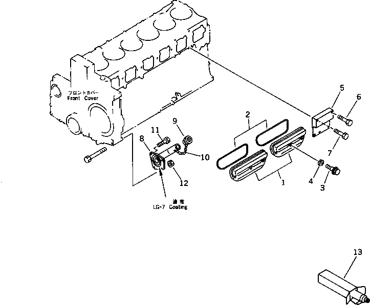
1

6210-21-6410

COVER

SN: 14068-UP

2шт.

2

6150-21-6460

O-RING (K2)

SN: 14068-UP

2шт.

3

6210-21-6471

BOLT

SN: 14068-UP

6шт.

4

6150-21-6390

PACKING (K2)

SN: 14068-UP

6шт.

5

6212-25-6410

COVER

SN: 14068-UP

1шт.

6

01010-51050

BOLT

SN: 14068-UP

2шт.

7

01010-51020

BOLT

SN: 14068-UP

3шт.

|8

6210-25-7130

FILLER ASS'Y,OIL

SN: 14068-UP

1шт.

8

6210-25-7140

FILLER,OIL

SN: 14068-UP

1шт.

9

6136-21-7120

CAP ASS'Y,OIL FILLER

SN: 14068-UP

1шт.

|9

6136-21-7180

GASKET,(NOT SHOWN)

SN: 14068-UP

1шт.

10

6136-21-7190

CHAIN

SN: 14068-UP

1шт.

11

01010-51225

BOLT

SN: 14068-UP

1шт.

12

01580-11210

NUT

SN: 14068-UP

3шт.

13

09920-00150

LIQUID GASKET,LG-7 150G

SN: 14068-UP

-2шт.

Выбрано товаров: 15