Запчасти Komatsu SA6D140-1B-G ПЕРЕДН. COVER(№898-9) ДВИГАТЕЛЬ

Схема запчастей Komatsu SA6D140-1B-G - ПЕРЕДН. COVER(№898-9) ДВИГАТЕЛЬ
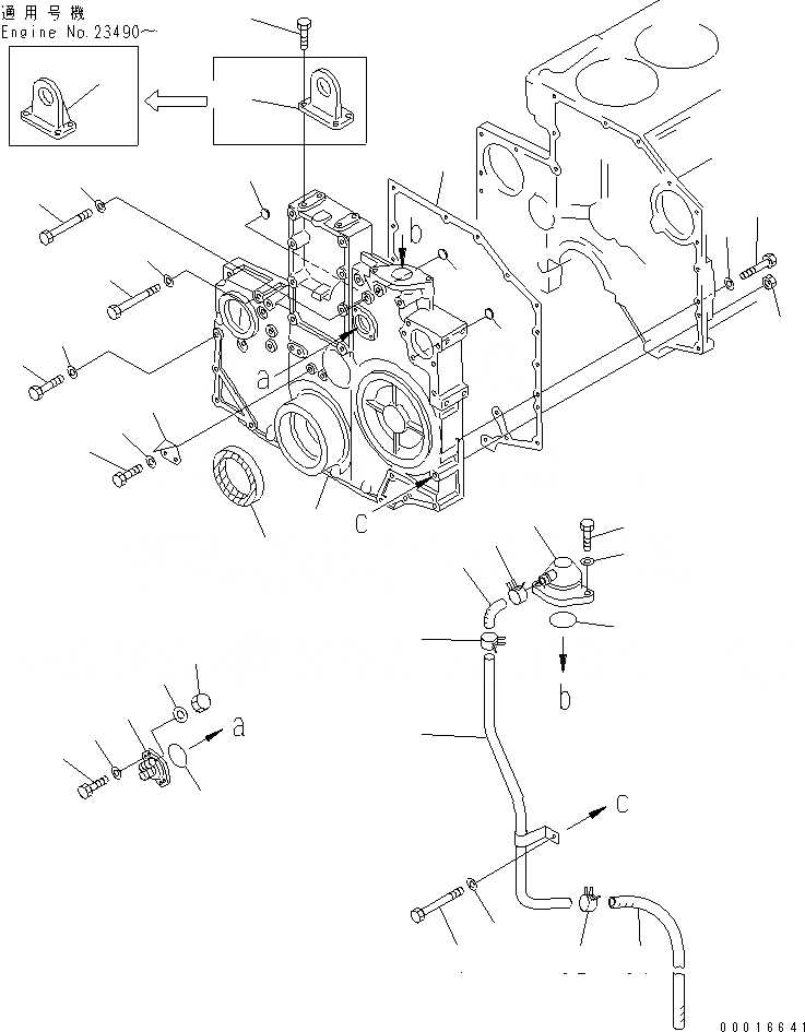
1
2
3
3
4
5
6
6
7
8
9
10
10
10
10
11
12
13
14
15
16
17
18
19
20
21
22
23
24
25
26
27
28
28
29
29
30
31
32
FIT
1:1
100%

Артикул

Название

Примечание

Количество

|$3

6210-21-3200

FRONT COVER ASS'Y

SN: 18980-25914

1шт.

1

0

COVER

SN: 18980-25914

1шт.

2

07046-11816

PLUG

SN: 18980-25914

3шт.

3

07046-11516

PLUG

SN: 18980-25914

2шт.

4

6150-21-3230

SEAL, FRONT (K2)

SN: 18980-25914

1шт.

5

6210-21-3251

GASKET (K2)

SN: 20976-25914

1шт.

5

0

GASKET (K2)

SN: 18980-20975

1шт.

6

01010-81290

BOLT

SN: 18980-25914

3шт.

7

6210-21-3190

BOLT

SN: 18980-25914

1шт.

8

01010-81280

BOLT

SN: 18980-25914

1шт.

9

01010-81050

BOLT

SN: 18980-25914

2шт.

10

01640-21223

WASHER

SN: 18980-25914

5шт.

11

01640-21016

WASHER

SN: 18980-25914

2шт.

12

01580-11210

NUT

SN: 18980-25914

1шт.

13

6210-21-3910

POINTER

SN: 18980-25914

1шт.

14

01010-80610

BOLT

SN: 18980-25914

2шт.

15

01640-20610

WASHER

SN: 18980-25914

2шт.

16

6210-81-4111

BOX ASS'Y,GEAR

SN: 18980-25914

1шт.

17

07000-03050

O-RING (K2)

SN: 18980-25914

1шт.

18

6136-81-5291

CAP

SN: 18980-25914

1шт.

19

6130-82-5270

GASKET (K2)

SN: 18980-25914

1шт.

20

01010-80616

BOLT

SN: 18980-25914

2шт.

21

01640-20610

WASHER

SN: 18980-25914

2шт.

22

6210-21-8791

BREATHER

SN: 18980-25914

1шт.

23

01010-81020

BOLT

SN: 18980-25914

2шт.

24

01640-21016

WASHER

SN: 18980-25914

2шт.

25

07000-72060

O-RING (K2)

SN: 18980-25914

1шт.

26

6210-21-8781

TUBE

SN: 18980-25914

1шт.

27

6130-61-6611

HOSE

SN: 18980-25914

1шт.

28

07285-00260

CLIP

SN: 18980-25914

2шт.

29

6210-21-3751

BRACKET,FRONT

SN: 23490-25914

1шт.

29

0

HANGER,FRONT

SN: 18980-23489

1шт.

30

01010-81030

BOLT

SN: 20977-25914

4шт.

30

0

BOLT

SN: 18980-20976

4шт.

31

07286-01910

HOSE

SN: 18980-25914

1шт.

32

07285-00220

CLIP

SN: 18980-25914

1шт.

Выбрано товаров: 36