Запчасти Komatsu SA6D140-1B-G ЭЛЕМЕНТЫ ПЕРЕДН. КРЫШКИ(№9-) ДВИГАТЕЛЬ

Схема запчастей Komatsu SA6D140-1B-G - ЭЛЕМЕНТЫ ПЕРЕДН. КРЫШКИ(№9-) ДВИГАТЕЛЬ
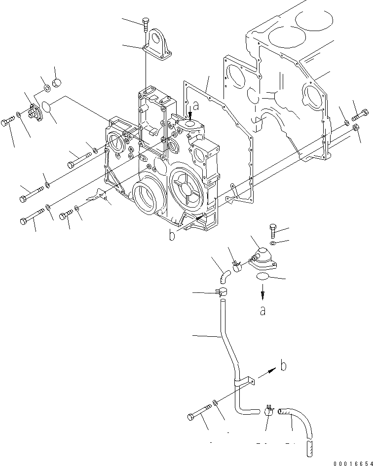
1
2
2
3
4
5
6
6
6
6
7
8
9
10
11
12
13
14
15
16
17
18
19
20
21
22
23
24
24
25
26
27
28
FIT
1:1
100%

Артикул

Название

Примечание

Количество

1

6217-21-3251

GASKET

SN: 31360-UP

1шт.

1

0

GASKET (K2)

SN: 25915-31359

1шт.

2

01010-81290

BOLT

SN: 25915-UP

3шт.

3

6210-21-3190

BOLT

SN: 25915-UP

1шт.

4

01010-81280

BOLT

SN: 25915-UP

1шт.

5

01010-81050

BOLT

SN: 25915-UP

2шт.

6

01640-21223

WASHER

SN: 25915-UP

5шт.

7

01640-21016

WASHER

SN: 25915-UP

2шт.

8

01580-11210

NUT

SN: 25915-UP

1шт.

9

6210-21-3911

POINTER

SN: 25915-UP

1шт.

10

01010-80610

BOLT

SN: 25915-UP

2шт.

11

01640-20610

WASHER

SN: 25915-UP

2шт.

12

6210-81-4111

BOX ASS'Y,GEAR

SN: 25915-UP

1шт.

13

07000-03050

O-RING (K2)

SN: 25915-UP

1шт.

14

6136-81-5291

CAP

SN: 25915-UP

1шт.

15

6130-82-5270

GASKET (K2)

SN: 25915-UP

1шт.

16

01010-80616

BOLT

SN: 25915-UP

2шт.

17

01640-20610

WASHER

SN: 25915-UP

2шт.

18

6210-21-8791

BREATHER

SN: 25915-UP

1шт.

19

01010-81020

BOLT

SN: 25915-UP

2шт.

20

01640-21016

WASHER

SN: 25915-UP

2шт.

21

07000-72060

O-RING (K2)

SN: 25915-UP

1шт.

22

6210-21-8781

TUBE

SN: 25915-UP

1шт.

23

6130-61-6611

HOSE

SN: 25915-UP

1шт.

24

07285-00260

CLIP

SN: 25915-UP

2шт.

25

6210-21-3752

HANGER,FRONT

SN: 34013-UP

1шт.

25

0

BRACKET,FRONT

SN: 25915-34012

1шт.

26

01010-81030

BOLT

SN: 34013-UP

4шт.

26

01010-81025

BOLT

SN: 25915-34012

4шт.

27

07286-01910

HOSE

SN: 25915-UP

1шт.

28

07285-00220

CLIP

SN: 25915-UP

1шт.

Выбрано товаров: 31