Запчасти Komatsu SA6D140-1B-G МАСЛООХЛАДИТЕЛЬ (МОРОЗОУСТОЙЧИВ. СПЕЦИФИКАЦИЯ.)(№898-9) ДВИГАТЕЛЬ

Схема запчастей Komatsu SA6D140-1B-G - МАСЛООХЛАДИТЕЛЬ (МОРОЗОУСТОЙЧИВ. СПЕЦИФИКАЦИЯ.)(№898-9) ДВИГАТЕЛЬ
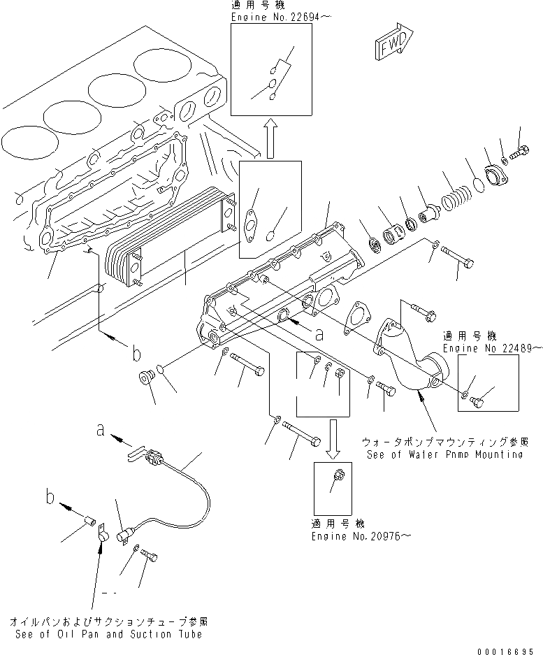
1
2
3
3
4
4
5
5
6
7
8
9
10
11
12
13
14
15
16
17
18
19
20
21
22
23
24
24
25
25
25
25
26
27
28
29
30
FIT
1:1
100%

Артикул

Название

Примечание

Количество

1

6211-61-2223

COVER

SN: 22489-25914

1шт.

1

0

COVER

SN: 18980-22488

1шт.

|$$3

(6211-61-2223,6150-61-2520(4))

-1шт.

2

6212-61-2111

ELEMENT

SN: 18980-25914

1шт.

3

6210-61-2520

O-RING (K2)

SN: 18980-25914

2шт.

4

6150-61-2520

O-RING (K2)

SN: 22694-25914

4шт.

4

6210-61-2172

GASKET (K2)

SN: 20647-22693

2шт.

4

0

GASKET (K2)

SN: 19801-20646

1шт.

4

0

GASKET (K2)

SN: 18980-19800

1шт.

5

6150-61-2580

NUT

SN: 20976-25914

4шт.

5

0

NUT

SN: 18980-20975

4шт.

6

01602-21030

WASHER,SPRING

SN: 18980-20975

4шт.

7

01640-21016

WASHER

SN: 18980-20975

4шт.

8

6150-61-2151

PLATE

SN: 18980-25914

1шт.

9

6150-61-2141

CASE

SN: 18980-25914

1шт.

10

6212-65-2610

THERMOSTAT

SN: 18980-25914

1шт.

11

6150-61-2540

SEAL,OIL (K2)

SN: 18980-25914

1шт.

12

6210-61-2160

SPRING

SN: 18980-25914

1шт.

13

6210-61-2130

COVER

SN: 18980-25914

1шт.

14

07000-63042

O-RING (K2)

SN: 18980-25914

1шт.

15

01010-80820

BOLT

SN: 18980-25914

2шт.

16

01640-20816

WASHER

SN: 18980-25914

2шт.

17

07040-13016

PLUG

SN: 18980-25914

1шт.

18

6210-61-2550

O-RING (K2)

SN: 18980-25914

1шт.

19

07040-11409

PLUG

SN: 22489-25914

1шт.

20

07005-01412

SEAL, WASHER (K2)

SN: 22489-25914

1шт.

21

6210-61-2811

GASKET (K2)

SN: 20043-25914

1шт.

21

0

GASKET (K2)

SN: 18980-20042

1шт.

22

01010-81030

BOLT

SN: 18980-25914

13шт.

23

01010-81090

BOLT

SN: 18980-25914

1шт.

24

01010-81060

BOLT

SN: 18980-25914

2шт.

25

01640-21016

WASHER

SN: 18980-25914

16шт.

26

600-815-6221

HEATER,WATER

SN: 18980-25914

1шт.

27

08052-11711

CLIP

SN: 18980-25914

1шт.

28

01010-81050

BOLT

SN: 18980-25914

1шт.

29

01641-21016

WASHER

SN: 18980-25914

1шт.

30

6144-11-5630

SPACER

SN: 18980-25914

1шт.

Выбрано товаров: 0