Запчасти Komatsu SA6D140-1B ТОПЛ. НАСОС (НАСОС) (/) (ВНУТР. ЧАСТИ)(№-8979) ТОПЛИВН. СИСТЕМА

Схема запчастей Komatsu SA6D140-1B - ТОПЛ. НАСОС (НАСОС) (/) (ВНУТР. ЧАСТИ)(№-8979) ТОПЛИВН. СИСТЕМА
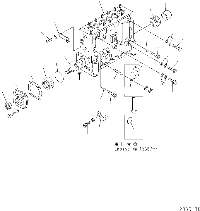
1
2
3
4
5
6
7
8
9
10
11
12
13
14
15
15
16
17
17
17
18
19
19
20
21
22
23
FIT
1:1
100%

Артикул

Название

Примечание

Количество

|$0

6212-71-1214

INJECTION PUMP A.

SN: 18976-18979

1шт.

|$1

0

INJECTION PUMP A.

SN: 15542-18975

1шт.

|$2

0

INJECTION PUMP A.

SN: 10582-15541

1шт.

|$$4

THESE ASSEMBLIES CONSIST OF ALL PARTS SHOWN IN FIGS.0451A,0452A,0461A,0462A 0463A,0471A AND 0481A.

-1шт.

|$4

ND090100-6431

BODY ASS'Y

SN: 18976-18979

1шт.

|$5

ND090100-6430

BODY ASS'Y

SN: 14453-18975

1шт.

|$$7

THESE ASSEMBLIES CONSIST OF ALL PARTS SHOWN IN FIGS.0451A AND 0452A.

-1шт.

1

ND090110-3650

HOUSING

SN: 14453-18979

1шт.

2

ND949043-0010

STUD

SN: 14453-18979

3шт.

3

ND090191-1080

CAMSHAFT

SN: 14453-18979

1шт.

4

ND090361-0140

BEARING,CENTER

SN: 14453-18979

1шт.

5

ND90015-06181

SCREW

SN: 14453-18979

2шт.

6

ND949101-0130

BEARING,ROLLER

SN: 14453-18979

1шт.

7

ND090201-0620

COVER

SN: 14453-18979

1шт.

8

ND949150-2291

SEAL,OIL

SN: 17976-18979

1шт.

8

0

SEAL,OIL

SN: 14453-18975

1шт.

9

ND090139-0060

O-RING

SN: 14453-18979

1шт.

10

ND090208-0150

SHIM, 0.03MM

SN: 14453-18979

-2шт.

10

ND090208-0160

SHIM, 0.05MM

SN: 14453-18979

-2шт.

10

ND090208-0170

SHIM, 0.07MM

SN: 14453-18979

-2шт.

10

ND090208-0180

SHIM, 0.1MM

SN: 14453-18979

-2шт.

10

ND090208-0190

SHIM, 0.2MM

SN: 14453-18979

-2шт.

10

ND090208-0200

SHIM, 0.3MM

SN: 14453-18979

-2шт.

10

ND090208-0210

SHIM, 0.5MM

SN: 14453-18979

-2шт.

11

ND090433-0010

RETAINER

SN: 14453-18979

1шт.

12

ND090317-0070

PLUG

SN: 14453-18979

1шт.

13

ND090317-0060

PLUG

SN: 14453-18979

6шт.

14

ND949101-0170

BEARING,ROLLER

SN: 14453-18979

1шт.

15

ND949180-0310

SCREW

SN: 14453-18979

2шт.

16

ND090310-0210

VALVE ASS'Y,OVER FLOW

SN: 14453-18979

1шт.

17

ND090222-0070

WASHER

SN: 14453-18979

6шт.

18

ND949047-1790

BOLT

SN: 14453-18979

2шт.

19

ND949140-0380

O-RING

SN: 18976-18979

1шт.

19

0

GASKET

SN: 14453-18975

1шт.

20

ND949018-0710

WASHER, 2MM

SN: 14453-18979

1шт.

21

ND949018-1500

WASHER, 1MM

SN: 14453-18979

6шт.

22

ND090118-0270

NEEDLE,TIMING

SN: 14453-18979

1шт.

23

ND90458-05750

KEY

SN: 14453-18979

1шт.

Выбрано товаров: 38