Запчасти Komatsu SA6D140-1B АНТИКОРРОЗ. ЭЛЕМЕНТ И ТРУБЫ (КРОМЕ ЯПОН.)(№8-8979) СИСТЕМА ОХЛАЖДЕНИЯ

Схема запчастей Komatsu SA6D140-1B - АНТИКОРРОЗ. ЭЛЕМЕНТ И ТРУБЫ (КРОМЕ ЯПОН.)(№8-8979) СИСТЕМА ОХЛАЖДЕНИЯ
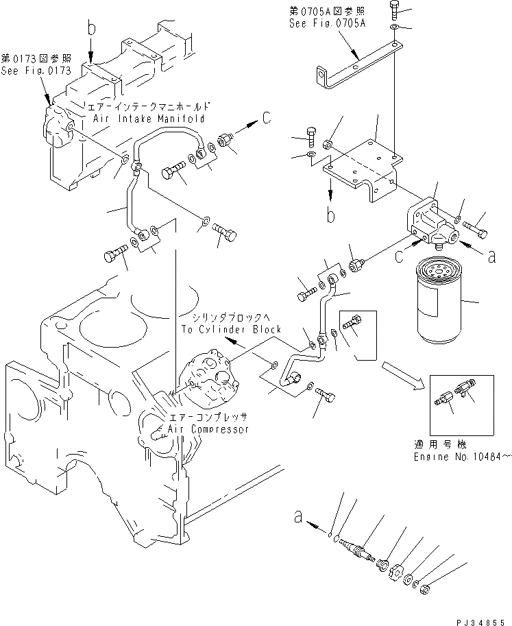
1
2
3
4
5
6
7
8
9
10
11
12
13
14
15
16
17
18
19
19
20
21
22
22
22
22
22
23
23
23
23
23
23
23
23
24
24
25
FIT
1:1
100%

Артикул

Название

Примечание

Количество

|$0

600-411-1502

RESISTOR ASS'Y,CORROSION

SN: 11193-18979

1шт.

|$1

0

RESISTOR ASS'Y,CORROSION

SN: 10185-11192

1шт.

|$2

600-411-1511

HEAD ASS'Y

SN: 10185-18979

1шт.

1

600-411-1521

HEAD

SN: 10185-18979

1шт.

2

600-411-1231

VALVE

SN: 10185-18979

1шт.

3

07000-01006

O-RING

SN: 10185-18979

1шт.

4

07000-02014

O-RING

SN: 10185-18979

1шт.

5

600-411-1250

COVER

SN: 10185-18979

1шт.

6

600-411-1240

HANDLE

SN: 10185-18979

1шт.

7

600-411-1260

PLATE

SN: 10185-18979

1шт.

8

600-411-1280

NUT

SN: 10185-18979

1шт.

9

600-411-1290

WASHER,SPRING

SN: 10185-18979

1шт.

10

600-411-1170

CARTRIDGE

SN: 11193-18979

1шт.

10

0

CARTRIDGE

SN: 10185-11192

1шт.

11

6212-61-8610

BRACKET

SN: 10185-18979

1шт.

12

01010-31025

BOLT

SN: 10185-18979

2шт.

13

01640-21016

WASHER

SN: 10185-18979

2шт.

14

01010-31040

BOLT

SN: 16189-18979

2шт.

14

01010-31025

BOLT

SN: 10185-16188

2шт.

15

01643-31032

WASHER

SN: 16189-18979

2шт.

15

01640-21016

WASHER

SN: 10185-16188

2шт.

16

01010-51040

BOLT

SN: 10185-18979

2шт.

17

01580-11008

NUT

SN: 10185-18979

2шт.

18

01640-01016

WASHER

SN: 10185-18979

2шт.

19

6211-61-8740

NIPPLE

SN: 10185-18979

2шт.

20

6212-81-5360

TUBE,INLET

SN: 10185-18979

1шт.

21

6212-81-5370

TUBE,OUTLET

SN: 10185-18979

1шт.

22

07206-31014

BOLT,JOINT

SN: 10185-18979

5шт.

23

07005-01412

GASKET (K2)

SN: 12328-18979

12шт.

23

07005-01412

GASKET

SN: 10185-12327

12шт.

24

6151-81-3461

JOINT

SN: 10484-18979

1шт.

24

07206-31014

BOLT,JOINT

SN: 10185-10483

1шт.

25

6050-61-6630

VALVE,DRAIN

SN: 10484-18979

1шт.

26

09647-40301

PLATE, INSTRUCTION,(RUSSIAN) (NOT SHOWN)

SN: 17665-18979

1шт.

Выбрано товаров: 34