Запчасти Komatsu SA6D140-1B МАХОВИК И КАРТЕР МАХОВИКА(№9-8) БЛОК ЦИЛИНДРОВ

Схема запчастей Komatsu SA6D140-1B - МАХОВИК И КАРТЕР МАХОВИКА(№9-8) БЛОК ЦИЛИНДРОВ
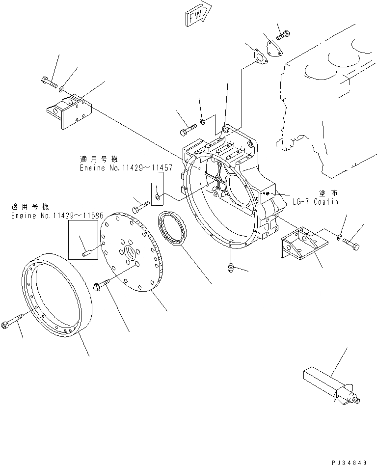
1
2
3
4
5
5
6
7
8
9
10
11
12
13
14
15
16
17
17
18
18
19
FIT
1:1
100%

Артикул

Название

Примечание

Количество

1

6210-21-4740

HOUSING,FLYWHEEL

SN: 11429-@

1шт.

2

07042-00617

PLUG

SN: 11429-@

1шт.

3

01010-31660

BOLT

SN: 11429-@

2шт.

4

01010-31645

BOLT

SN: 11429-@

8шт.

5

6150-31-1810

WASHER

SN: 10185-11457

10шт.

6

6150-21-4230

SEAL¤ REAR (K2)

SN: 10185-@

1шт.

|6

6150-29-4230

SEAL¤ REAR,(SERVICE PARTS)

SN: 10185-@

1шт.

|7

6210-31-1301

FLYWHEEL ASS'Y

SN: 11687-12843

1шт.

|7

6210-31-1300

FLYWHEEL ASS'Y

SN: 11429-11686

1шт.

7

0

FLYWHEEL

SN: 11687-12843

1шт.

|7

0

FLYWHEEL

SN: 11429-11686

1шт.

8

0

ADAPTER

SN: 11687-12843

1шт.

|8

0

ADAPTER

SN: 11429-11686

1шт.

9

04020-00820

PIN,DOWEL

SN: 11429-11686

2шт.

10

0

BOLT

SN: 11687-12843

4шт.

|10

0

BOLT

SN: 11429-11686

4шт.

11

6210-31-1350

BOLT

SN: 11429-@

6шт.

12

6150-21-4730

PLATE

SN: 11429-@

1шт.

13

6150-21-4740

GASKET

SN: 12328-@

1шт.

|13

6150-21-4740

GASKET (K2)

SN: 11429-12327

1шт.

14

01010-51020

BOLT

SN: 11429-@

3шт.

15

6210-21-4940

SUPPORT,L.H.

SN: 11429-@

1шт.

16

6210-21-4930

SUPPORT,R.H.

SN: 11429-@

1шт.

17

01010-51645

BOLT

SN: 10185-@

8шт.

18

01643-31645

WASHER

SN: 10185-@

8шт.

19

09920-00150

LIQUID GASKET,LG-7¤ 150G

SN: 10185-@

-2шт.

Выбрано товаров: 26