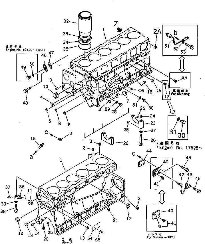
Запчасти Komatsu SA6D140-1C БЛОК ЦИЛИНДРОВ БЛОК ЦИЛИНДРОВ

Схема запчастей Komatsu SA6D140-1C - БЛОК ЦИЛИНДРОВ БЛОК ЦИЛИНДРОВ
FIT
1:1
100%

Артикул

Название

Примечание

Количество

|1

6211-21-1103

CYLINDER BLOCK ASS'Y

SN: 17628-UP

1шт.

|1

0

CYLINDER BLOCK ASS'Y

SN: 11229-17627

1шт.

|1

0

CYLINDER BLOCK ASS'Y

SN: 10420-11228

1шт.

1

0

BLOCK,CYLINDER

SN: 17628-UP

1шт.

|1

0

BLOCK,CYLINDER

SN: 11229-17627

1шт.

|1

0

BLOCK,CYLINDER

SN: 10420-11228

1шт.

2

04020-00820

PIN,DOWEL

SN: 10420-UP

12шт.

2A

6150-41-2430

PIN

SN: 10420-UP

12шт.

3

07043-70108

PLUG

SN: 10420-UP

11шт.

3A

07042-70108

PLUG

SN: 10420-UP

2шт.

4

07046-42516

PLUG

SN: 10420-UP

2шт.

5

07046-41810

PLUG

SN: 10420-UP

2шт.

6

07046-11816

PLUG

SN: 10420-UP

2шт.

7

6210-21-1790

BUSHING

SN: 10420-UP

2шт.

8

07046-41008

PLUG

SN: 10420-UP

1шт.

9

6210-21-1910

PIN

SN: 10420-UP

3шт.

10

6210-21-1490

BUSHING,CAMSHAFT

SN: 10420-UP

7шт.

11

07046-47020

PLUG

SN: 10420-UP

1шт.

12

07046-43516

PLUG

SN: 10420-UP

7шт.

13

6210-81-9210

PLUG

SN: 10420-UP

2шт.

14

6150-21-4770

PIN,DOWEL

SN: 10420-UP

2шт.

15

6150-21-5910

BUSHING

SN: 10420-UP

1шт.

16

04020-01024

PIN,DOWEL

SN: 10420-UP

2шт.

17

07043-00211

PLUG

SN: 17628-UP

1шт.

|17

07043-00211

PLUG

SN: 10420-17627

2шт.

18

07046-42010

PLUG

SN: 10420-UP

1шт.

19

07046-42816

PLUG

SN: 10420-UP

2шт.

20

07043-00415

PLUG

SN: 10420-UP

1шт.

21

07043-71019

PLUG

SN: 10420-UP

1шт.

22

0

CAP,MAIN METAL¤ NO.1¤2¤3¤4¤5¤6

SN: 10420-UP

6шт.

23

0

CAP,MAIN METAL¤ NO.7

SN: 10420-UP

1шт.

24

04020-00514

PIN,DOWEL

SN: 10420-UP

2шт.

25

6210-21-1390

PIN

SN: 10420-UP

6шт.

26

6210-21-1710

BOLT

SN: 10420-UP

14шт.

27

01643-31845

WASHER

SN: 10420-UP

14шт.

28

07040-11007

PLUG

SN: 17628-UP

2шт.

|28

07040-11007

PLUG

SN: 10420-17627

1шт.

29

07005-01012

GASKET

SN: 17628-UP

2шт.

|29

07005-01012

GASKET (K2)

SN: 10420-17627

1шт.

30

07040-11409

PLUG

SN: 17628-UP

4шт.

|30

07040-11409

PLUG

SN: 10420-17627

1шт.

31

07005-01412

GASKET (K2)

SN: 17628-UP

4шт.

|31

07005-01412

GASKET (K2)

SN: 10420-17627

1шт.

32

6211-21-2220

LINER,CYLINDER

SN: 10420-UP

6шт.

33

6210-21-2250

SEAL,CREVICE (K2)

SN: 10420-UP

6шт.

34

6210-21-2240

O-RING,CENTER (K2)

SN: 10420-UP

6шт.

35

6210-21-2230

O-RING,LOWER (K2)

SN: 10420-UP

6шт.

|36

6211-21-1800

NOZZLE ASS'Y,PISTON COOLING

SN: 10420-UP

6шт.

36

6211-21-1820

NOZZLE

SN: 10420-UP

1шт.

37

02720-40104

PLUG

SN: 10420-UP

1шт.

38

6150-81-9120

BOLT

SN: 10420-UP

6шт.

39

01641-21016

WASHER

SN: 10420-UP

6шт.

40

6210-21-1960

COVER

SN: 10420-UP

1шт.

|40

6210-21-1980

COVER,(FOR RUSSIA) (A)

SN: 10420-UP

1шт.

41

07043-00415

PLUG

SN: 10420-UP

1шт.

|41

07043-00415

PLUG,(FOR RUSSIA) (A)

SN: 10420-UP

2шт.

42

7861-91-3320

SENSOR,THERMO

SN: 11880-UP

1шт.

|42

0

SENSOR,THERMO

SN: 11185-11879

1шт.

|42

0

SENSOR,THERMO

SN: 10420-11184

1шт.

43

08052-11711

CLIP

SN: 12890-UP

1шт.

|43

600-050-2620

CLIP

SN: 10420-12889

1шт.

44

6210-21-1971

GASKET (K2)

SN: 17628-UP

1шт.

|44

0

GASKET (K2)

SN: 10420-17627

1шт.

45

01010-51025

BOLT

SN: 10420-UP

4шт.

46

6210-21-1950

FLANGE

SN: 10420-UP

1шт.

47

6696-61-9921

GASKET (K2)

SN: 17628-UP

1шт.

|47

0

GASKET (K2)

SN: 10420-17627

1шт.

48

01010-51225

BOLT

SN: 10420-UP

2шт.

49

07040-11409

PLUG

SN: 10420-11837

1шт.

50

07005-01412

GASKET (K2)

SN: 10420-11837

1шт.

51

7861-99-1300

SENSOR,OIL PRESSURE

SN: 10420-UP

1шт.

52

08052-11711

CLIP

SN: 12890-UP

1шт.

|52

600-050-2620

CLIP

SN: 10420-12889

1шт.

53

01435-01016

BOLT

SN: 10420-UP

1шт.

54

09605-01440

PLATE¤ NAME,(ENGLISH)

SN: 10420-UP

1шт.

|54

09605-11440

PLATE¤ NAME,(SPANISH)

SN: 10420-UP

1шт.

|54

09605-17392

PLATE¤ NAME,(ARABIC)

SN: 10420-UP

1шт.

|54

09605-21440

PLATE¤ NAME,(GERMAN)

SN: 10420-UP

1шт.

|54

09605-31440

PLATE¤ NAME,(INDONESIAN)

SN: 10420-UP

1шт.

|54

09605-41440

PLATE¤ NAME,(RUSSIAN)

SN: 10420-UP

1шт.

|54

09605-53440

PLATE¤ NAME,(FRENCH)

SN: 10420-UP

1шт.

|54

09605-61440

PLATE¤ NAME,(ITALIAN)

SN: 10420-UP

1шт.

|54

09605-91440

PLATE¤ NAME,(CHINESE)

SN: 10420-UP

1шт.

55

04418-02550

SCREW

SN: 10420-UP

4шт.

Выбрано товаров: 84