Запчасти Komatsu SA6D140-1C ТОПЛ. НАСОС (НАСОС)(№8-9) ТОПЛИВН. СИСТЕМА

Схема запчастей Komatsu SA6D140-1C - ТОПЛ. НАСОС (НАСОС)(№8-9) ТОПЛИВН. СИСТЕМА
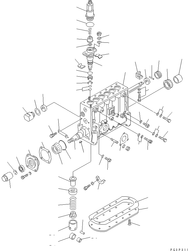
1
2
3
4
5
6
7
8
9
10
11
12
13
13
14
15
16
16
17
17
18
19
20
21
22
23
24
25
26
27
28
29
30
31
32
33
34
35
36
37
38
39
40
41
41
42
43
43
43
44
45
46
47
48
49
50
51
52
53
54
FIT
1:1
100%

Артикул

Название

Примечание

Количество

|1

6212-71-1421

INJECTION PUMP A.

SN: 13852-14952

1шт.

|$$2

THIS ASSEMBLY CONSISTS OF ALL PARTS SHOWN IN FIGS.0451A¤0461B¤0462B¤0471A AND 0481A.

-1шт.

|1

0

INJECTION PUMP A.

SN: 11385-13851

1шт.

|$$4

THIS ASSEMBLY CONSISTS OF ALL PARTS SHOWN IN FIGS.0451A¤0461A¤0462A¤0471A AND 0481A.

-1шт.

|$$5

THE DENSO PART NUMBER IS THAT ND IS REMOVED FROM KOMATSU PART NUMBER LISTED BELOW.

-1шт.

|1

ND090100-6680

BODY ASS'Y,PUMP

SN: 11385-14952

1шт.

1

ND090110-3450

HOUSING SUB ASS'Y,PUMP

SN: 11385-14952

1шт.

2

ND949043-0010

STUD

SN: 11385-14952

3шт.

3

ND090130-0300

HOLDER,DELIVERY

SN: 11385-14952

6шт.

4

ND090139-0050

O-RING

SN: 11385-14952

6шт.

5

ND090136-0350

SPRING,DELIVERY VALVE

SN: 11385-14952

6шт.

6

ND090140-1750

VALVE SUB ASS'Y,DELIVERY

SN: 11385-14952

6шт.

7

ND090137-0120

WASHER,PLATE

SN: 11385-14952

6шт.

8

ND090150-3731

ELEMENT,PUMP

SN: 11385-14952

6шт.

9

ND090436-0181

COVER,ELEMENT

SN: 11385-14952

6шт.

10

ND949072-0780

RING,SNAP

SN: 11385-14952

6шт.

11

ND949140-1120

O-RING

SN: 11385-14952

12шт.

12

ND090139-0040

O-RING

SN: 11385-14952

6шт.

13

ND090438-0710

SHIM¤ 0.7MM

SN: 11385-14952

-2шт.

|13

ND090438-0720

SHIM¤ 0.75MM

SN: 11385-14952

-2шт.

|13

ND090438-0730

SHIM¤ 0.8MM

SN: 11385-14952

-2шт.

|13

ND090438-0740

SHIM¤ 0.85MM

SN: 11385-14952

-2шт.

|13

ND090438-0750

SHIM¤ 0.9MM

SN: 11385-14952

-2шт.

|13

ND090438-0760

SHIM¤ 0.95MM

SN: 11385-14952

-2шт.

|13

ND090438-0770

SHIM¤ 1.0MM

SN: 11385-14952

-2шт.

|13

ND090438-0780

SHIM¤ 1.05MM

SN: 11385-14952

-2шт.

|13

ND090438-0790

SHIM¤ 1.1MM

SN: 11385-14952

-2шт.

|13

ND090438-0800

SHIM¤ 1.15MM

SN: 11385-14952

-2шт.

|13

ND090438-0810

SHIM¤ 1.2MM

SN: 11385-14952

-2шт.

|13

ND090438-0820

SHIM¤ 1.25MM

SN: 11385-14952

-2шт.

|13

ND090438-0830

SHIM¤ 1.3MM

SN: 11385-14952

-2шт.

|13

ND090438-0840

SHIM¤ 1.35MM

SN: 11385-14952

-2шт.

|13

ND090438-0080

SHIM¤ 1.4MM

SN: 11385-14952

-2шт.

|13

ND090438-0090

SHIM¤ 1.45MM

SN: 11385-14952

-2шт.

|13

ND090438-0100

SHIM¤ 1.5MM

SN: 11385-14952

-2шт.

|13

ND090438-0110

SHIM¤ 1.55MM

SN: 11385-14952

-2шт.

|13

ND090438-0120

SHIM¤ 1.6MM

SN: 11385-14952

-2шт.

14

ND90258-10001

WASHER,SPRING

SN: 11385-14952

12шт.

15

ND949011-7040

WASHER

SN: 11385-14952

12шт.

16

ND090210-0541

CONTROL RACK ASS'Y

SN: 11385-14952

1шт.

17

ND090114-0060

BUSHING,CONTROL RACK

SN: 11385-14952

2шт.

18

ND949082-0290

PIN

SN: 11385-14952

1шт.

19

ND090367-0010

BUSHING,SCREW

SN: 11385-14952

1шт.

20

ND090160-0020

SLEEVE

SN: 11385-14952

6шт.

21

ND090163-0060

SEAT,UPPER

SN: 11385-14952

6шт.

22

ND090164-0230

SPRING,PLUNGER

SN: 11385-14952

6шт.

23

ND090165-0180

SEAT,LOWER

SN: 11385-14952

6шт.

|24

ND090170-0270

TAPPET ASS'Y

SN: 11385-14952

6шт.

24

ND090181-0170

ROLLER

SN: 11385-14952

1шт.

25

ND090178-0060

BUSHING

SN: 11385-14952

1шт.

26

ND090169-0180

BODY

SN: 11385-14952

1шт.

27

ND090176-0080

PIN

SN: 11385-14952

1шт.

28

ND090191-1080

CAMSHAFT

SN: 11385-14952

1шт.

29

ND090361-0140

BEARING,CENTER

SN: 11385-14952

1шт.

30

ND949101-0130

BEARING,ROLLER

SN: 11385-14952

1шт.

31

ND090201-0620

COVER,BEARING

SN: 11385-14952

1шт.

32

ND949150-2290

SEAL,OIL

SN: 11385-14952

1шт.

33

ND090139-0060

O-RING

SN: 11385-14952

1шт.

34

ND090208-0150

SHIM¤ 0.03MM

SN: 11385-14952

-2шт.

|34

ND090208-0160

SHIM¤ 0.05MM

SN: 11385-14952

-2шт.

|34

ND090208-0170

SHIM¤ 0.07MM

SN: 11385-14952

-2шт.

|34

ND090208-0180

SHIM¤ 0.1MM

SN: 11385-14952

-2шт.

|34

ND090208-0190

SHIM¤ 0.2MM

SN: 11385-14952

-2шт.

|34

ND090208-0200

SHIM¤ 0.3MM

SN: 11385-14952

-2шт.

|34

ND090208-0210

SHIM¤ 0.5MM

SN: 11385-14952

-2шт.

35

ND090433-0010

RETAINER,BEARING

SN: 11385-14952

1шт.

36

ND090317-0070

PLUG,SCREW

SN: 11385-14952

1шт.

37

ND090317-0060

PLUG,SCREW

SN: 11385-14952

6шт.

38

ND090271-0380

PLATE,COVER

SN: 11385-14952

1шт.

39

ND90045-06121

SCREW

SN: 11385-14952

12шт.

40

ND949101-0170

BEARING,ROLLER

SN: 11385-14952

1шт.

41

ND949180-0310

SCREW

SN: 11385-14952

2шт.

42

ND090310-0210

VALVE ASS'Y,OVER FLOW

SN: 11385-14952

1шт.

43

ND090222-0070

WASHER

SN: 11385-14952

6шт.

44

ND949047-1790

BOLT

SN: 11385-14952

2шт.

45

ND090106-0040

GASKET,FEED PUMP

SN: 11385-14952

1шт.

46

ND090272-0260

GASKET,COVER

SN: 11385-14952

1шт.

47

ND949018-0710

WASHER¤ 2MM

SN: 11385-14952

1шт.

48

ND949018-1500

WASHER¤ 1MM

SN: 11385-14952

6шт.

49

ND090118-0270

NEEDLE,TIMING

SN: 11385-14952

1шт.

50

ND90458-05750

KEY

SN: 11385-14952

1шт.

51

ND090018-0110

COVER,CONTROL RACK

SN: 11385-14952

1шт.

52

ND949018-0710

WASHER¤ 2MM

SN: 11385-14952

1шт.

53

ND090012-0310

NUT

SN: 11385-14952

1шт.

54

ND949014-0320

WASHER,SPRING

SN: 11385-14952

1шт.

Выбрано товаров: 85