Качественные детали и логистика
Оригинальные и аналоговые запчасти с доставкой по России, Казахстану и Беларуси
©2022 PartSell ООО "Система" ИНН 2463123282 ОГРН 1212400004838
Центральный офис: г. Красноярск, Академика Киренского, д.87, пом.4
Телефон: 8 (800) 777-65-74 Email: zakaz@partsell.ru
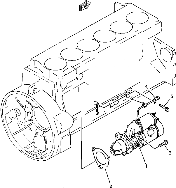
СТАРТЕР И КРЕПЛЕНИЕ
№
Артикул
Название
Примечание
Количество
1
600-813-3630
STARTING MOTOR ASS'Y,(7.5KW) (SEE FIG.0661)
SN: 10420-UP
1шт.
|1
600-813-3912
STARTING MOTOR ASS'Y,(11KW) (FOR RUSSIA) (A)
2
6221-81-6810
GASKET (K2)
SN: 17628-UP
|2
0
SN: 10420-17627
3
01010-51640
BOLT
3шт.
4
08052-11711
CLIP
SN: 12890-UP
|4
600-050-2620
SN: 10420-12889
5
01435-01016
6
08034-00519
BAND
Выбрано товаров: 0