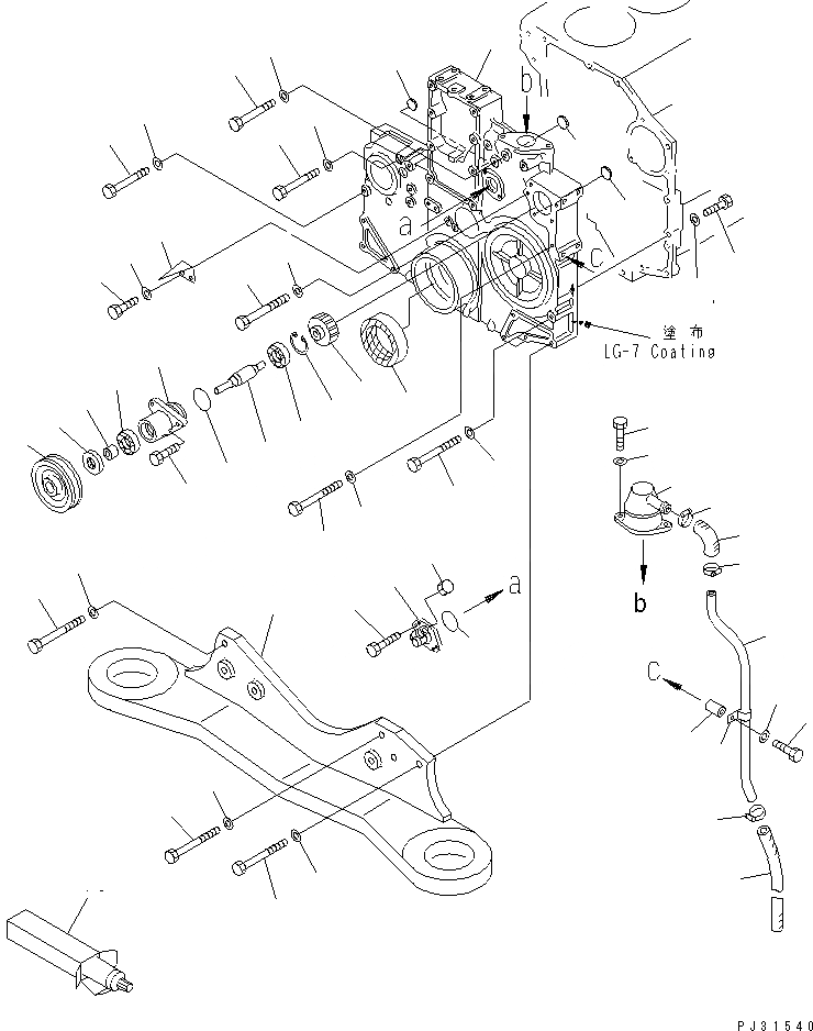
Запчасти Komatsu SA6D140-1C ПЕРЕДН. КРЫШКАAND ПЕРЕДН. КОРПУС(№-89) БЛОК ЦИЛИНДРОВ

Схема запчастей Komatsu SA6D140-1C - ПЕРЕДН. КРЫШКАAND ПЕРЕДН. КОРПУС(№-89) БЛОК ЦИЛИНДРОВ
1
2
3
3
4
4
5
6
7
7
7
7
8
8
9
9
10
10A
11
12
13
14
15
15
16
17
18
19
20
21
22
23
24
25
26
27
28
28
29
30
31
32
33
34
35
36
37
38
39
40
41
42
42
43
44
44
44
45
FIT
1:1
100%

Артикул

Название

Примечание

Количество

|$0

6210-21-3200

FRONT COVER ASS'Y

SN: 10420-@

1шт.

1

0

COVER

SN: 10420-@

1шт.

2

07046-11816

PLUG

SN: 10420-@

3шт.

3

07046-11516

PLUG

SN: 10420-@

2шт.

4

01010-51290

BOLT

SN: 10420-@

3шт.

5

01010-51280

BOLT

SN: 10420-@

1шт.

6

6210-21-3190

BOLT

SN: 10420-@

1шт.

7

01640-21223

WASHER

SN: 10420-@

5шт.

8

01011-51000

BOLT

SN: 10420-@

3шт.

9

01640-21016

WASHER

SN: 10420-@

3шт.

10

01010-51050

BOLT

SN: 10420-@

2шт.

10A

01640-21016

WASHER

SN: 10420-@

2шт.

11

6210-21-8710

BREATHER

SN: 10420-@

1шт.

12

01010-51020

BOLT

SN: 10420-@

2шт.

13

01640-21016

WASHER

SN: 10420-@

2шт.

14

6130-61-6611

HOSE

SN: 10420-@

1шт.

15

07285-00260

CLIP

SN: 11293-@

2шт.

15

0

CLAMP

SN: 10420-11292

2шт.

16

6210-21-8720

TUBE

SN: 10420-@

1шт.

17

112-946-4170

CLIP

SN: 10420-@

1шт.

18

6144-11-5630

SPACER

SN: 10420-@

1шт.

19

01010-51055

BOLT

SN: 10420-@

1шт.

20

01643-31032

WASHER

SN: 10420-@

1шт.

21

07260-02071

HOSE

SN: 10420-@

1шт.

22

07285-00260

CLIP

SN: 11293-@

1шт.

22

0

CLAMP

SN: 10420-11292

1шт.

23

6210-81-4110

BOX ASS'Y,GEAR

SN: 10420-@

1шт.

24

6136-81-5291

CAP

SN: 10420-@

1шт.

25

07000-03050

O-RING (K2)

SN: 10420-@

1шт.

26

01010-50616

BOLT

SN: 10420-@

2шт.

|$30

6210-21-3403

POWER TAKE OFF ASS'Y

SN: 12134-@

1шт.

|$31

6211-21-3403

POWER TAKE OFF ASS'Y,(TROPICAL SANDY, DUSTY SPEC.)

SN: 12134-@

1шт.

|$32

6210-21-3402

POWER TAKE OFF ASS'Y

SN: 11877-12133

1шт.

|$33

6211-21-3402

POWER TAKE OFF ASS'Y,(TROPICAL SANDY, DUSTY SPEC.)

SN: 11877-12133

1шт.

|$34

0

POWER TAKE OFF ASS'Y

SN: 10420-11876

1шт.

|$35

0

POWER TAKE OFF ASS'Y,(TROPICAL SANDY, DUSTY SPEC.)

SN: 10420-11876

1шт.

27

6210-21-3413

HOUSING

SN: 12134-@

1шт.

27

6210-21-3412

HOUSING

SN: 11877-12133

1шт.

27

0

HOUSING

SN: 10420-11876

1шт.

28

06030-06204

BEARING,BALL

SN: 12134-@

2шт.

28

06030-06004

BEARING,BALL

SN: 10420-12133

2шт.

29

04065-04718

RING,SNAP

SN: 12134-@

1шт.

29

04065-04218

RING,SNAP

SN: 10420-12133

1шт.

30

6210-21-3421

SHAFT

SN: 12134-@

1шт.

30

6210-21-3420

SHAFT

SN: 10420-12133

1шт.

31

6210-21-3440

GEAR

SN: 10420-@

1шт.

32

6210-21-3451

SLEEVE

SN: 12134-@

1шт.

32

6210-21-3450

SLEEVE

SN: 10420-12133

1шт.

33

07012-00028

SEAL,OIL (K2)

SN: 12134-@

1шт.

33

07012-00025

SEAL,OIL (K2)

SN: 10420-12133

1шт.

34

6210-21-3460

PULLEY

SN: 10420-@

1шт.

34

6211-21-3430

PULLEY, HARDENING,(TROPICAL SANDY, DUSTY SPEC.)

SN: 10420-@

1шт.

35

07000-02060

O-RING (K2)

SN: 10420-@

1шт.

36

01010-51030

BOLT

SN: 10420-@

3шт.

37

6210-21-3910

POINTER

SN: 10420-@

1шт.

38

01010-50610

BOLT

SN: 10420-@

2шт.

39

01640-20610

WASHER

SN: 10420-@

2шт.

40

6150-21-3230

SEAL, FRONT (K2)

SN: 10420-@

1шт.

41

209-01-51160

BRACKET

SN: 10420-@

1шт.

42

01011-51240

BOLT

SN: 10420-@

5шт.

43

6210-21-3940

BOLT

SN: 10420-@

2шт.

44

01643-31232

WASHER

SN: 10420-@

7шт.

45

09920-00150

LIQUID GASKET,LG-7, 150G

SN: 10420-@

-2шт.

Выбрано товаров: 63