Запчасти Komatsu SA6D140-1EE-G КАРТЕР МАХОВИКА(№779-) ДВИГАТЕЛЬ

Схема запчастей Komatsu SA6D140-1EE-G - КАРТЕР МАХОВИКА(№779-) ДВИГАТЕЛЬ
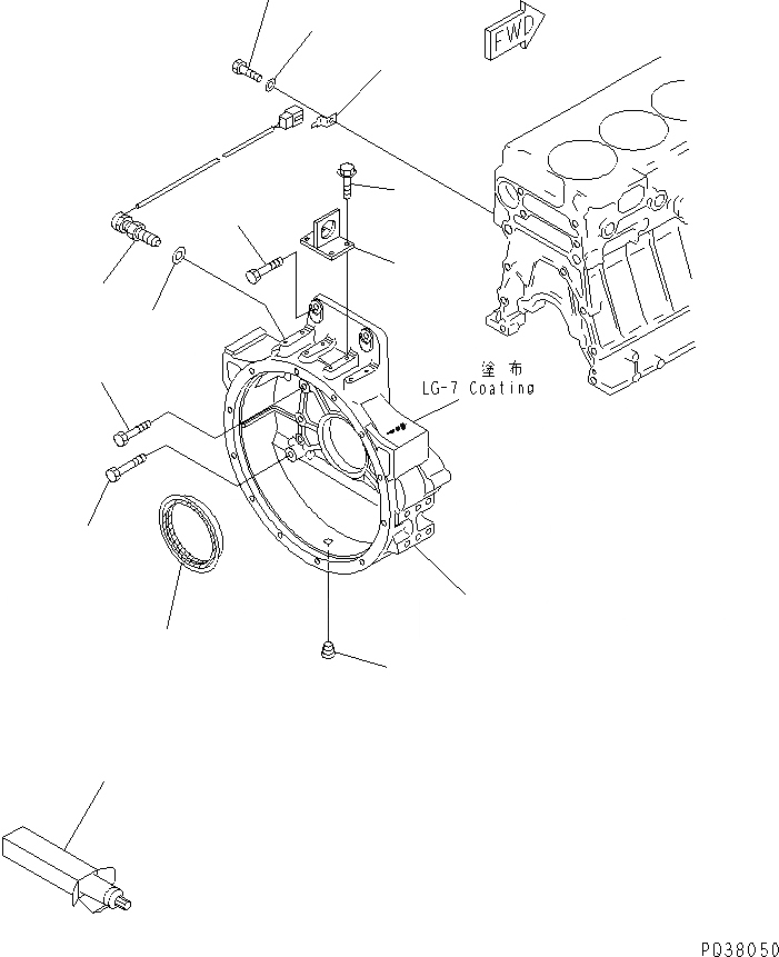
1
2
3
4
4
5
6
7
8
9
10
11
12
13
FIT
1:1
100%

Артикул

Название

Примечание

Количество

1

6210-21-4710

HOUSING,FLYWHEEL

SN: 17739-UP

1шт.

2

6151-21-4161

SEAL, REAR (K2)

SN: 29764-UP

1шт.

2

0

SEAL, REAR (K2)

SN: 21044-29763

1шт.

2

0

SEAL, REAR (K2)

SN: 17739-21043

1шт.

3

07043-00617

PLUG

SN: 17739-UP

1шт.

4

01010-31645

BOLT

SN: 17739-UP

8шт.

5

01010-31660

BOLT

SN: 17739-UP

2шт.

6

7861-92-2310

SENSOR,PICK-UP

SN: 17739-UP

1шт.

7

07005-02216

SEAL, WASHER (K2)

SN: 17739-UP

1шт.

8

08053-01510

CLIP

SN: 17739-UP

1шт.

9

01010-51016

BOLT

SN: 17739-UP

1шт.

10

01640-21016

WASHER

SN: 17739-UP

1шт.

11

6210-21-4770

HANGER

SN: 17739-UP

1шт.

12

01435-01025

BOLT

SN: 17739-UP

4шт.

13

09920-00150

LIQUID GASKET,LG-7, 150G

SN: 17739-UP

-2шт.

Выбрано товаров: 15