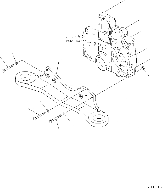
Запчасти Komatsu SA6D140-1EE-G КРЕПЛЕНИЕ ДВИГАТЕЛЯ(№779-) ДВИГАТЕЛЬ

Схема запчастей Komatsu SA6D140-1EE-G - КРЕПЛЕНИЕ ДВИГАТЕЛЯ(№779-) ДВИГАТЕЛЬ
1
2
3
3
4
5
5
5
FIT
1:1
100%

Артикул

Название

Примечание

Количество

1

209-01-51160

BRACKET

SN: 17739-UP

1шт.

2

6210-21-3940

BOLT

SN: 17739-UP

2шт.

3

01011-81240

BOLT

SN: 17739-UP

5шт.

4

01580-11210

NUT

SN: 17739-UP

2шт.

5

01643-21223

WASHER

SN: 17739-UP

7шт.

Выбрано товаров: 5