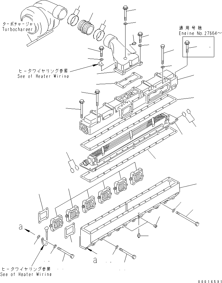
Запчасти Komatsu SA6D140-1EE-G ТРУБОПРОВОД ВПУСКА ВОЗДУХА И ПОСЛЕОХЛАДИТЕЛЬ(№8-) ДВИГАТЕЛЬ

Схема запчастей Komatsu SA6D140-1EE-G - ТРУБОПРОВОД ВПУСКА ВОЗДУХА И ПОСЛЕОХЛАДИТЕЛЬ(№8-) ДВИГАТЕЛЬ
1
2
3
4
5
5
6
6
7
8
9
10
10A
11
12
12
13
14
14
15
15
15
15
16
17
18
19
20
20
21
22
22
22
23
24
24
FIT
1:1
100%

Артикул

Название

Примечание

Количество

1

6212-61-6121

CORE

SN: 17739-UP

1шт.

2

6212-12-4110

MANIFOLD,AIR INTAKE

SN: 25682-UP

1шт.

2

6212-11-4110

MANIFOLD,AIR INTAKE

SN: 17739-25681

1шт.

3

6212-12-4121

COVER

SN: 23451-UP

1шт.

3

6212-12-4120

COVER

SN: 22981-23450

1шт.

3

6212-11-4221

COVER

SN: 18624-22980

1шт.

4

07043-50108

PLUG

SN: 17739-UP

2шт.

5

6215-15-4710

GASKET (K1)

SN: 18624-UP

2шт.

6

6212-61-6431

O-RING (K1)

SN: 18624-UP

4шт.

7

01435-00895

BOLT

SN: 27664-UP

22шт.

7

01435-00895

BOLT

SN: 18624-27663

20шт.

8

01436-01000

BOLT

SN: 27664-UP

2шт.

8

01436-01000

BOLT

SN: 17739-27663

4шт.

9

6132-11-4690

BOLT

SN: 27664-UP

4шт.

9

6132-11-4690

BOLT

SN: 18624-27663

6шт.

10

01640-20816

WASHER

SN: 27664-UP

4шт.

10

01640-20816

WASHER

SN: 18624-27663

6шт.

10A

01435-01050

BOLT

SN: 27664-UP

2шт.

11

600-815-4291

HEATER,RIBBON

SN: 18624-UP

6шт.

12

6210-11-4811

GASKET (K1)

SN: 18624-UP

12шт.

13

01011-81055

BOLT

SN: 17739-UP

12шт.

14

01011-81000

BOLT

SN: 17739-UP

12шт.

15

01640-21016

WASHER

SN: 17739-UP

27шт.

16

07042-00108

PLUG

SN: 18624-UP

1шт.

17

6212-11-4320

CONNECTOR

SN: 17739-UP

1шт.

18

07042-00108

PLUG

SN: 17739-UP

1шт.

19

6212-11-4721

GASKET (K1)

SN: 18624-UP

1шт.

20

6150-81-9130

BOLT

SN: 17739-UP

5шт.

21

01437-11080

BOLT

SN: 20694-UP

1шт.

21

0

BOLT

SN: 17739-20693

1шт.

22

01641-21016

WASHER

SN: 17739-UP

6шт.

23

6211-11-4410

CONNECTOR

SN: 17739-UP

1шт.

24

02895-67075

O-RING (K1)

SN: 17739-UP

4шт.

Выбрано товаров: 0