Запчасти Komatsu SA6D140-1HH МАСЛ. АДАПТЕР(№8-) ДВИГАТЕЛЬ

Схема запчастей Komatsu SA6D140-1HH - МАСЛ. АДАПТЕР(№8-) ДВИГАТЕЛЬ
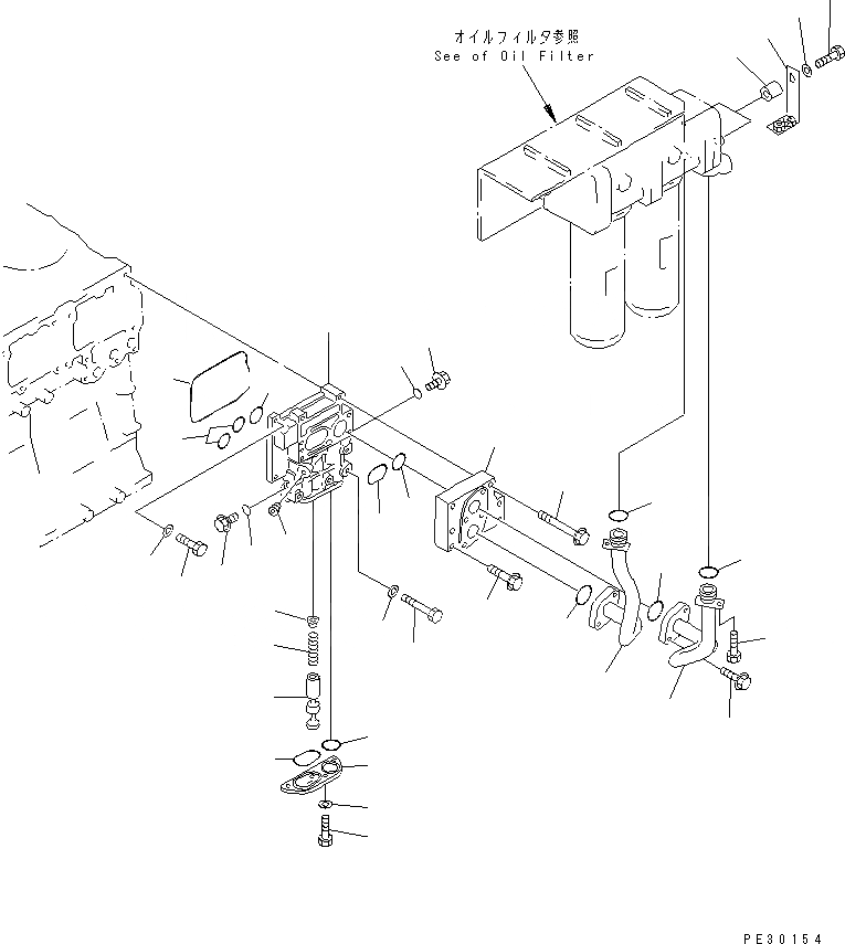
1
2
3
4
5
6
7
8
9
9
10
10
11
12
13
14
15
16
17
18
18
19
20
21
22
23
24
25
26
26
27
27
28
29
30
31
32
33
FIT
1:1
100%

Артикул

Название

Примечание

Количество

|1

6211-51-5500

ADAPTER ASS'Y

SN: 17739-UP

1шт.

1

0

BODY

SN: 17739-UP

1шт.

2

6210-51-5550

VALVE

SN: 17739-UP

1шт.

3

6210-51-5560

SPRING

SN: 17739-UP

1шт.

4

6210-51-5580

O-RING

SN: 17739-UP

1шт.

5

07000-63032

O-RING

SN: 17739-UP

1шт.

6

6211-51-5520

COVER

SN: 17739-UP

1шт.

7

01010-30816

BOLT

SN: 17739-UP

3шт.

8

01640-20816

WASHER

SN: 17739-UP

3шт.

9

6210-51-5570

PLUG

SN: 17739-UP

2шт.

10

07000-62018

O-RING

SN: 17739-UP

2шт.

11

07043-00211

PLUG

SN: 17739-UP

1шт.

12

6210-51-5590

SEAT

SN: 17739-UP

1шт.

13

6210-21-6462

O-RING (K2)

SN: 17739-UP

1шт.

14

07000-63028

O-RING (K2)

SN: 17739-UP

2шт.

15

07000-63032

O-RING (K2)

SN: 17739-UP

1шт.

16

01010-51060

BOLT

SN: 17739-UP

5шт.

17

01010-51030

BOLT

SN: 17739-UP

2шт.

18

01640-21016

WASHER

SN: 17739-UP

7шт.

19

07000-63048

O-RING (K2)

SN: 17739-UP

1шт.

20

07000-63032

O-RING (K2)

SN: 17739-UP

1шт.

21

6212-51-6110

ADAPTER

SN: 17739-UP

1шт.

22

01435-01095

BOLT

SN: 17739-UP

2шт.

23

01435-01050

BOLT

SN: 17739-UP

4шт.

24

6212-51-6170

TUBE,OUTLET

SN: 18624-UP

1шт.

25

6212-51-6180

TUBE,INLET

SN: 18624-UP

1шт.

26

07000-63032

O-RING (K2)

SN: 17739-UP

2шт.

27

07000-63032

O-RING (K2)

SN: 18624-UP

2шт.

28

01435-01030

BOLT

SN: 17739-UP

4шт.

29

01010-51016

BOLT

SN: 18624-UP

2шт.

30

6212-51-5350

PLATE

SN: 18624-UP

2шт.

31

6150-81-6920

SPACER

SN: 18624-UP

2шт.

32

01010-51060

BOLT

SN: 18624-UP

2шт.

33

01643-31032

WASHER

SN: 18624-UP

2шт.

Выбрано товаров: 0