Запчасти Komatsu SA6D140-1K БЛОК ЦИЛИНДРОВ COVER(№98-) БЛОК ЦИЛИНДРОВ

Схема запчастей Komatsu SA6D140-1K - БЛОК ЦИЛИНДРОВ COVER(№98-) БЛОК ЦИЛИНДРОВ
FIT
1:1
100%

Артикул

Название

Примечание

Количество

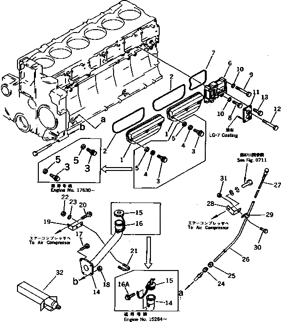
1

6210-21-6410

COVER

SN: 11397-UP

2шт.

2

6210-21-6860

O-RING

SN: 17630-UP

2шт.

|2

0

O-RING (K2)

SN: 11397-17629

2шт.

3

6210-21-6471

BOLT

SN: 12446-UP

6шт.

|3

0

BOLT

SN: 11397-12445

6шт.

|$$6

(6210-21-6471{6150-21-6390)}

-1шт.

4

6136-11-8130

WASHER

SN: 11397-12445

6шт.

5

6150-21-6391

PACKING (K2)

SN: 17630-UP

6шт.

|5

0

PACKING (K2)

SN: 12446-17629

6шт.

|5

0

PACKING (K2)

SN: 11397-12445

6шт.

6

6210-21-6440

COVER

SN: 11397-UP

1шт.

7

6210-21-6452

O-RING (K2)

SN: 15470-UP

1шт.

|7

0

O-RING (K2)

SN: 11397-15469

1шт.

|7

0

O-RING (K2)

SN: (11397-12809)

1шт.

8

01010-51030

BOLT

SN: 11397-UP

2шт.

9

01010-51060

BOLT

SN: 11397-UP

1шт.

10

01640-21016

WASHER

SN: 11397-UP

3шт.

11

6210-21-6480

COVER

SN: 11397-UP

1шт.

12

01010-51070

BOLT

SN: 11397-UP

1шт.

13

01010-51030

BOLT

SN: 11397-UP

3шт.

14

6212-21-7111

FILLER,OIL

SN: 15284-UP

1шт.

|14

\4\6212-21-7140

FILLER,OIL

SN: 11983-15283

1шт.

|$$23

(6212-21-7111{07025-00050¤}

-1шт.

|$$24

01435-21014{6212-21-7810¤}

-1шт.

|$$25

07283-25150)

-1шт.

15

07025-00050

CAP

SN: 15284-UP

1шт.

|15

6136-21-7120

CAP ASS'Y

SN: 11983-15283

1шт.

|15

6136-21-7180

GASKET

SN: 11983-15283

1шт.

16

6136-21-7190

CHAIN

SN: 11983-15283

1шт.

16A

01435-21014

BOLT

SN: 15284-UP

1шт.

17

01010-51225

BOLT

SN: 11397-UP

1шт.

18

01580-11210

NUT

SN: 11397-UP

3шт.

19

6212-21-7810

BRACKET

SN: 15284-UP

1шт.

|19

6212-21-7821

BRACKET

SN: 11983-15283

1шт.

20

01435-01035

BOLT

SN: 11397-UP

1шт.

21

07283-25150

CLIP

SN: 15284-UP

1шт.

|21

07283-24346

CLIP

SN: 11983-15283

1шт.

22

01582-01008

NUT

SN: 11397-UP

2шт.

23

01643-31032

WASHER

SN: 11397-UP

2шт.

24

6150-21-5920

COLLAR

SN: 11397-UP

1шт.

25

6150-21-5930

NUT

SN: 11397-UP

1шт.

26

6212-21-5421

GUIDE,GAUGE

SN: 15133-UP

1шт.

|26

0

GUIDE,GAUGE

SN: 11397-15132

1шт.

27

6212-21-5320

GAUGE,OIL

SN: 11397-UP

1шт.

28

6127-11-4421

PLATE

SN: 11397-UP

1шт.

29

6144-21-5650

CLIP

SN: 11397-UP

1шт.

30

01435-00820

BOLT

SN: 11397-UP

1шт.

31

01584-00806

NUT

SN: 11397-UP

1шт.

32

09920-00150

LIQUID GASKET,LG-7¤ 150G

SN: 11397-UP

-2шт.

Выбрано товаров: 49